СИСТЕМА ОСВЕЩЕНИЯ Цепь реле системы подфарников, включаемых при движении в светлое время суток

ОПИСАНИЕ

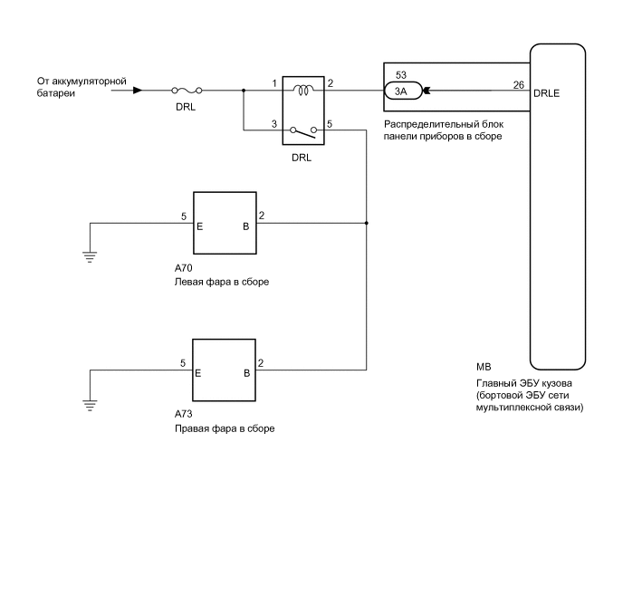
Главный ЭБУ кузова (бортовой ЭБУ сети мультиплексной связи) управляет работой подфарников, включаемых при движении в светлое время суток.

СХЕМА СОЕДИНЕНИЙ


  1. кроме моделей с кузовом типа "седан"

    A01T9KBE19
  2. для моделей с кузовом типа "седан"

    A01T9KBE23

ПРЕДОСТЕРЕЖЕНИЕ / ПРИМЕЧАНИЕ / УКАЗАНИЕ

Note

Перед выполнением последующей процедуры проверки проверьте плавкие предохранители цепей, относящихся к данной системе.

ПОРЯДОК ВЫПОЛНЕНИЯ


  1. ПРОВЕРЬТЕ РАБОТУ (ГАБАРИТНЫЕ ФОНАРИ)


    1. Проверьте работу габаритных фонарей.

      OK
      Габаритные фонари работают нормально.
      Результат
      Следующий шаг
      OK
      NG

    NG
    OK
  2. ВЫПОЛНИТЕ АКТИВНУЮ ДИАГНОСТИКУ С ПОМОЩЬЮ GTS


    1. Подключите GTS к DLC3.

    2. Установите замок зажигания в положение ON (ВКЛ).

    3. Включите GTS.

    4. Войдите в следующие меню: Body Electrical / Main Body / Active Test.

    5. Выполните диагностику в режиме ACTIVE TEST в соответствии с указаниями на дисплее GTS.


      Body Electrical > Main Body > Active Test
      Информация на дисплее прибора Измеряемая величина Диапазон регулирования Замечание по диагностике
      Daytime Running Light Подфарники, включаемые при движении в светлое время суток ON (ВКЛ) / OFF (ВЫКЛ) -

      Body Electrical > Main Body > Active Test
      Информация на дисплее прибора
      Daytime Running Light
      OK
      Подфарники, включаемые при движении в светлое время суток, светятся.
      Результат
      Следующий шаг
      OK
      NG

    OK
    NG
  3. ПРОВЕРЬТЕ РЕЛЕ DRL


    1. Извлеките реле DRL из блока реле моторного отсека и распределительного блока в сборе.

    2. A01TAGYN09

      Измерьте сопротивление в соответствии со значениями, приведенными в таблице ниже.

      Номинальное сопротивление
      Подключение диагностического прибора Условие Заданные условия
      3 - 5 Напряжение не подается на контакты 1 и 2 10 кОм или более
      3 - 5 Напряжение подается на контакты 1 и 2 Менее 1 Ом
      Результат
      Следующий шаг
      OK
      NG

    NG
    OK
  4. ПРОВЕРЬТЕ ЖГУТ ПРОВОДОВ И РАЗЪЕМ (ИСТОЧНИК ПИТАНИЯ — РЕЛЕ DRL)


    1. Измерьте напряжение в соответствии со значениями, приведенными в таблице.

      Номинальное напряжение
      Подключение диагностического прибора Условие Заданные условия
      Контакт 1 реле - масса Всегда 11-14 В
      Контакт 3 реле - масса Всегда 11-14 В
      Результат
      Следующий шаг
      OK
      NG

    NG
    OK
  5. ПРОВЕРЬТЕ ЖГУТ ПРОВОДОВ И РАЗЪЕМ (РЕЛЕ DRL – ЛЕВАЯ ФАРА В СБОРЕ И ПРАВАЯ ФАРА В СБОРЕ)


    1. Кроме моделей с кузовом типа "седан":


      1. Отсоедините разъем A70 левой фары.

      2. Отсоедините разъем A73 правой фары.

      3. Измерьте сопротивление в соответствии со значениями, приведенными в таблице ниже.

        Номинальное сопротивление
        Подключение диагностического прибора Условие Заданные условия
        Контакт 5 реле - A70-2 (B) Всегда Менее 1 Ом
        Контакт 5 реле - A73-2 (B) Всегда Менее 1 Ом
        Контакт 5 реле - масса Всегда 10 кОм или более
    2. Для моделей с кузовом типа "седан":


      1. Отсоедините разъем A145*1 или A177*2 левой фары в сборе.

      2. Отсоедините разъем A149*1 или A179*2 правой фары в сборе.


        • *1: для моделей с галогенными фарами

        • *2: для моделей со светодиодными фарами

      3. Измерьте сопротивление в соответствии со значениями, приведенными в таблице ниже.

        Номинальное сопротивление
        Для моделей с галогенными фарами
        Подключение диагностического прибора Условие Заданные условия
        Контакт 5 реле - A145-4 (B) Всегда Менее 1 Ом
        Контакт 5 реле - A149-4 (B) Всегда Менее 1 Ом
        Контакт 5 реле - масса Всегда 10 кОм или более
        Для моделей со светодиодными фарами
        Подключение диагностического прибора Условие Заданные условия
        Контакт 5 реле - A177-4 (B) Всегда Менее 1 Ом
        Контакт 5 реле - A179-4 (B) Всегда Менее 1 Ом
        Контакт 5 реле - масса Всегда 10 кОм или более
      Результат
      Следующий шаг
      OK
      NG

    NG
    OK
  6. ПРОВЕРЬТЕ ЖГУТ ПРОВОДОВ И РАЗЪЕМ (РЕЛЕ DRL - РАСПРЕДЕЛИТЕЛЬНЫЙ БЛОК ПАНЕЛИ ПРИБОРОВ)


    1. Отсоедините разъем 3A распределительного блока панели приборов.

    2. Измерьте сопротивление в соответствии со значениями, приведенными в таблице ниже.

      Номинальное сопротивление
      Контакты для подключения диагностического прибора Условие Номинальное значение
      Контакт 2 реле - 3A-53 Всегда Менее 1 Ом
      Контакт 2 реле - масса Всегда 10 кОм или более
      Результат
      Следующий шаг
      OK
      NG

    NG
    OK
  7. ПРОВЕРЬТЕ РАСПРЕДЕЛИТЕЛЬНЫЙ БЛОК ПАНЕЛИ ПРИБОРОВ В СБОРЕ


    1. Снимите распределительный блок панели приборов в сборе.

      Для моделей с левосторонним рулевым управлением: Нажмите здесь Click here

      Для моделей с правосторонним рулевым управлением: Нажмите здесь Click here

    2. Снимите главный ЭБУ кузова (бортовой ЭБУ сети мультиплексной связи) с распределительного блока панели приборов в сборе.

    3. Измерьте сопротивление в соответствии со значениями, приведенными в таблице ниже.

      A01TCPEC04
      *a

      Устройство с неподсоединенным жгутом проводов

      (Распределительный блок панели приборов в сборе)

      - -
      Номинальное сопротивление
      Подключение диагностического прибора Условие Заданные условия
      3A-53 - MB-26 (DRL) Всегда Менее 1 Ом
      Результат
      Следующий шаг
      OK
      NG

    OK
    NG