СИСТЕМА СТЕКЛООЧИСТИТЕЛЕЙ И СТЕКЛООМЫВАТЕЛЕЙ СХЕМА СИСТЕМЫ


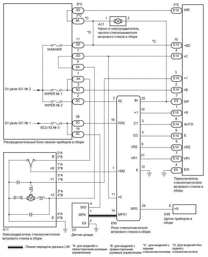
  1. СИСТЕМА ПЕРЕДНЕГО СТЕКЛООЧИСТИТЕЛЯ И СТЕКЛООМЫВАТЕЛЯ (для моделей с автоматическими стеклоочистителями)

    A012HBUE01
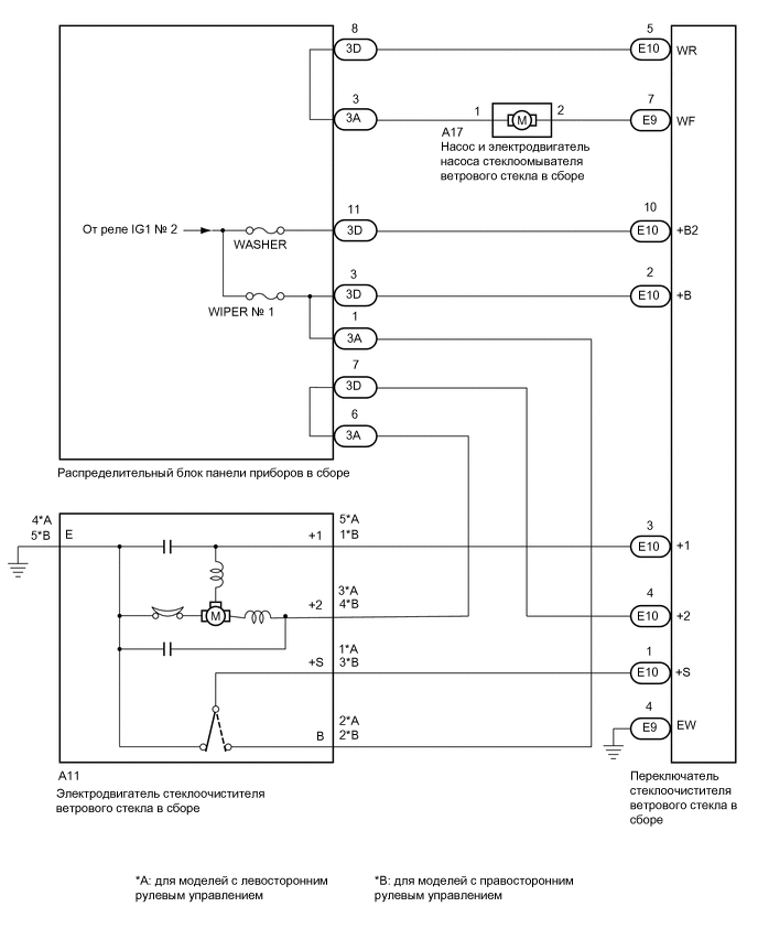
  2. СИСТЕМА ПЕРЕДНЕГО СТЕКЛООЧИСТИТЕЛЯ И СТЕКЛООМЫВАТЕЛЯ (для моделей без автоматических стеклоочистителей)

    A012KZWE03
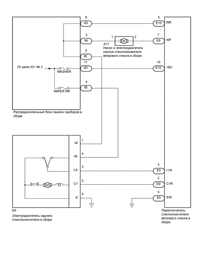
  3. СИСТЕМА СТЕКЛООЧИСТИТЕЛЯ И СТЕКЛООМЫВАТЕЛЯ ЗАДНЕГО СТЕКЛА (для моделей с задним стеклоочистителем)

    A012L55E01
  4. СИСТЕМА ОЧИСТИТЕЛЕЙ ФАР (для моделей с очистителями фар)

    A012FKAE01
  5. СИСТЕМА ПРЕДУПРЕЖДЕНИЯ О НИЗКОМ УРОВНЕ ЖИДКОСТИ СТЕКЛООМЫВАТЕЛЯ (для моделей с предупреждающим датчиком уровня в стеклоомывателе)

    A012FBYE01