СИСТЕМА СТЕКЛООЧИСТИТЕЛЕЙ И СТЕКЛООМЫВАТЕЛЕЙ СХЕМА СИСТЕМЫ


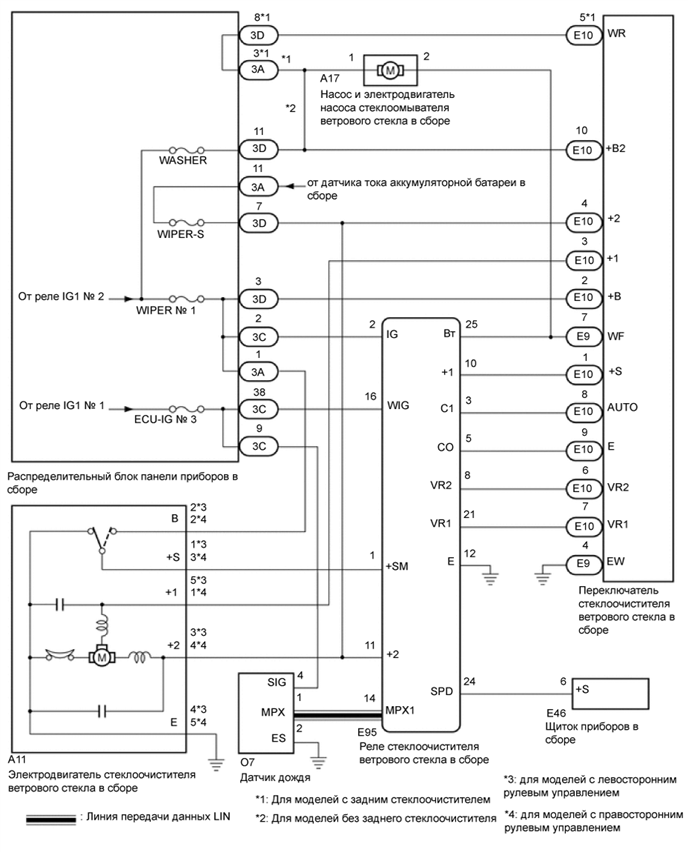
  1. СИСТЕМА ПЕРЕДНЕГО СТЕКЛООЧИСТИТЕЛЯ И СТЕКЛООМЫВАТЕЛЯ (для моделей с автоматическими стеклоочистителями)

    A00Y83QE02
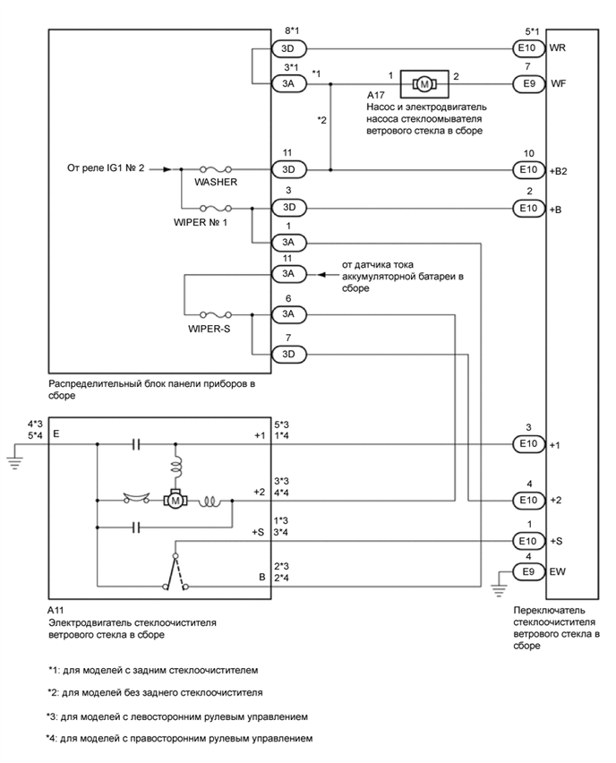
  2. СИСТЕМА ПЕРЕДНЕГО СТЕКЛООЧИСТИТЕЛЯ И СТЕКЛООМЫВАТЕЛЯ (для моделей без автоматических стеклоочистителей)

    A00Y8UCE01
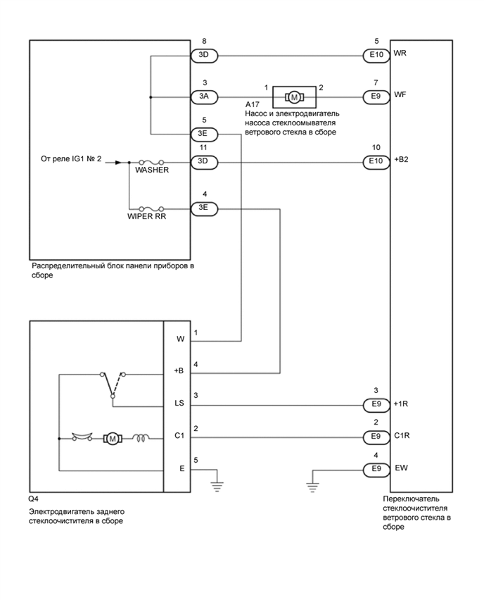
  3. СИСТЕМА СТЕКЛООЧИСТИТЕЛЯ И СТЕКЛООМЫВАТЕЛЯ ЗАДНЕГО СТЕКЛА (для моделей с задним стеклоочистителем)

    A00YAELE01
  4. СИСТЕМА ОЧИСТИТЕЛЯ ПЕРЕДНИХ ФАР

    A00YAMPE01