СИСТЕМА ЗЕРКАЛ С ЭЛЕКТРОПРИВОДОМ СХЕМА СИСТЕМЫ


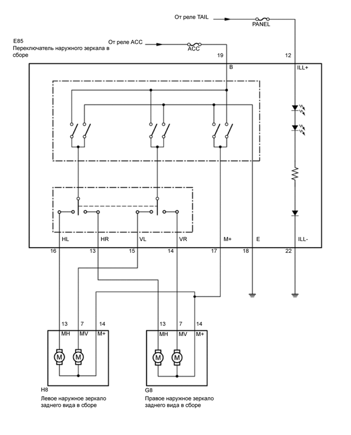
  1. Система зеркал с электроприводом (для моделей без механизмов отвода зеркал)


    1. Для моделей без обогревателей зеркал

      A012KH4E04
    2. Для моделей с обогревателем зеркала

      A012KH4E02
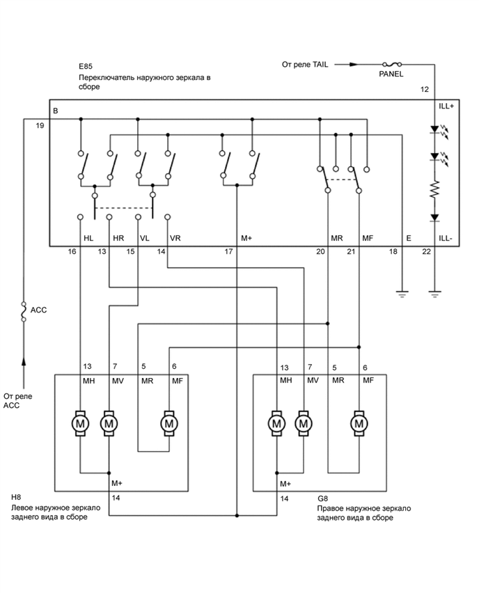
  2. Система зеркал с электроприводом (для моделей с механизмом отвода зеркал)


    1. для моделей без автоматической системы отвода зеркал

      A012LONE07
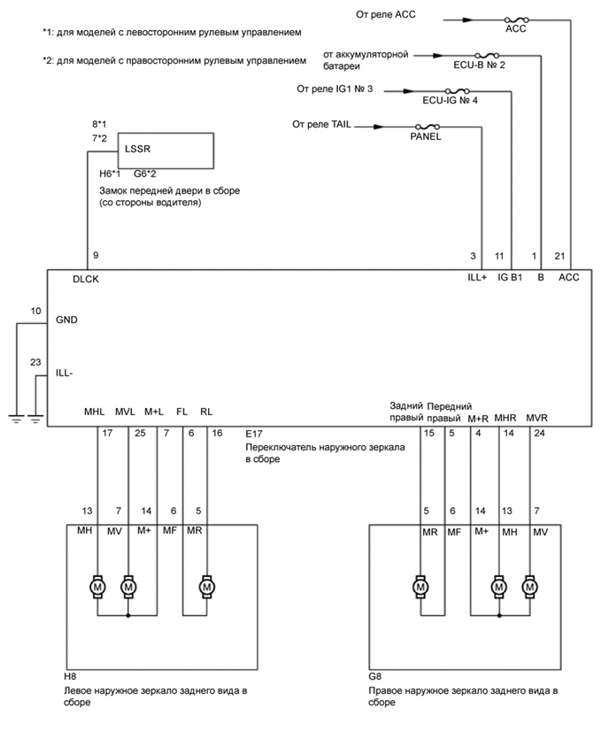
    2. для моделей с автоматической системой отвода зеркал

      A012NE9E02
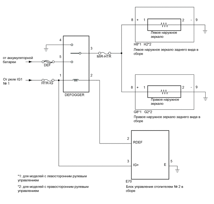
  3. Система обогревателей зеркал (для моделей с автоматической системой кондиционирования)

    A012J47E02
  4. Система обогревателей зеркал (для моделей с системой кондиционирования с ручным управлением)

    A012I1RE03