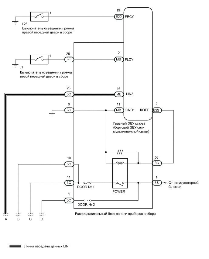
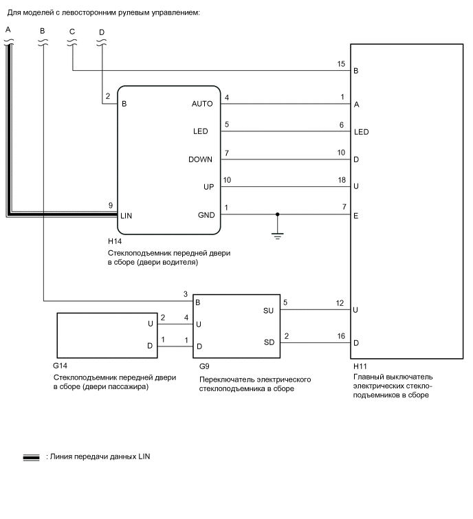
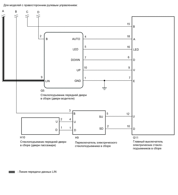
СИСТЕМА УПРАВЛЕНИЯ ЭЛЕКТРИЧЕСКИМИ СТЕКЛОПОДЪЕМНИКАМИ (для моделей с функцией травмобезопасности только на окне двери водителя) СХЕМА СИСТЕМЫ

A01M2JWC01
A01LVNKE04
A01LVNKE05
Таблица обмена данными
Передающий ЭБУ Принимающий ЭБУ Сигнал Метод передачи данных
Главный ЭБУ кузова (бортовой ЭБУ сети мультиплексной связи) Стеклоподъемник передней двери в сборе (двери водителя) Сигнал разрешения включения электрического стеклоподъемника LIN