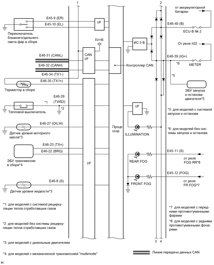
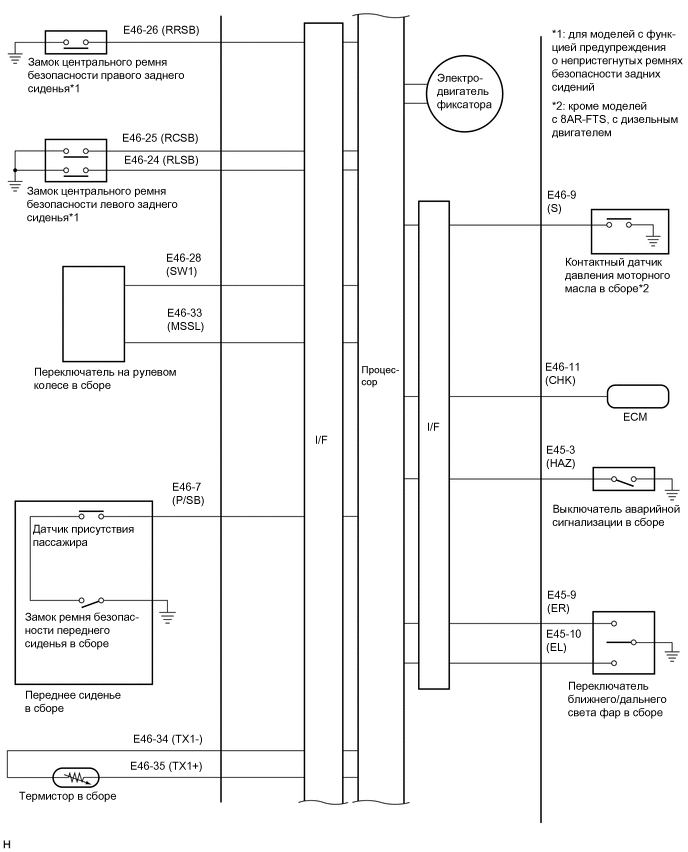
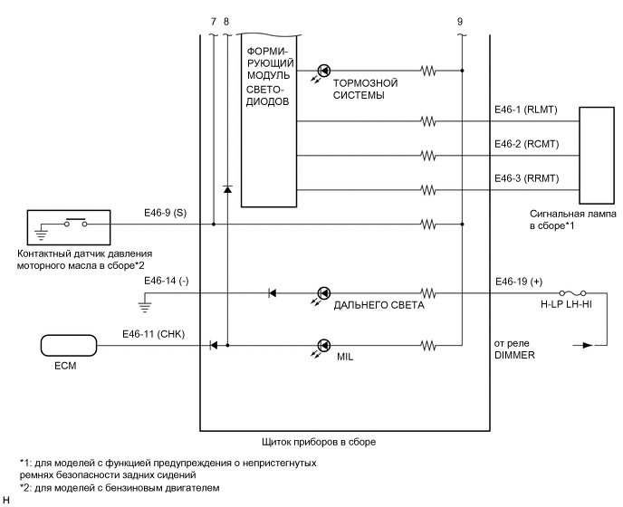
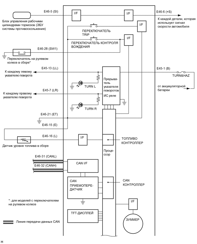
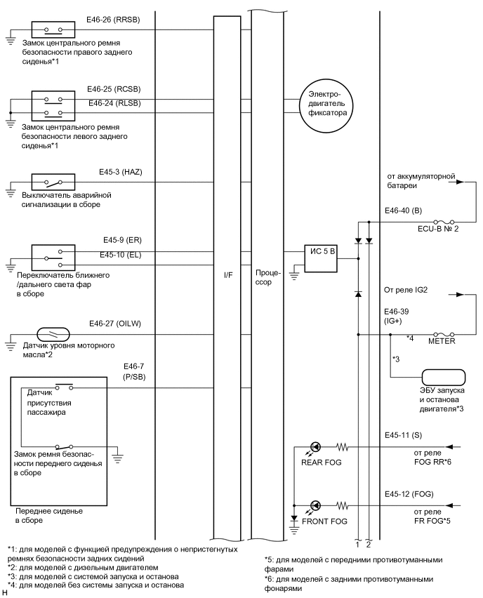
СИСТЕМА ИЗМЕРИТЕЛЬНЫХ ПРИБОРОВ И ИНДИКАТОРОВ СХЕМА СИСТЕМЫ


  1. Щиток приборов (жидкокристаллический мультиинформационный дисплей сегментного типа)

    A01TA2LE12
    A01TBIZE03
    A01TAS2E02
    A01T90JE01
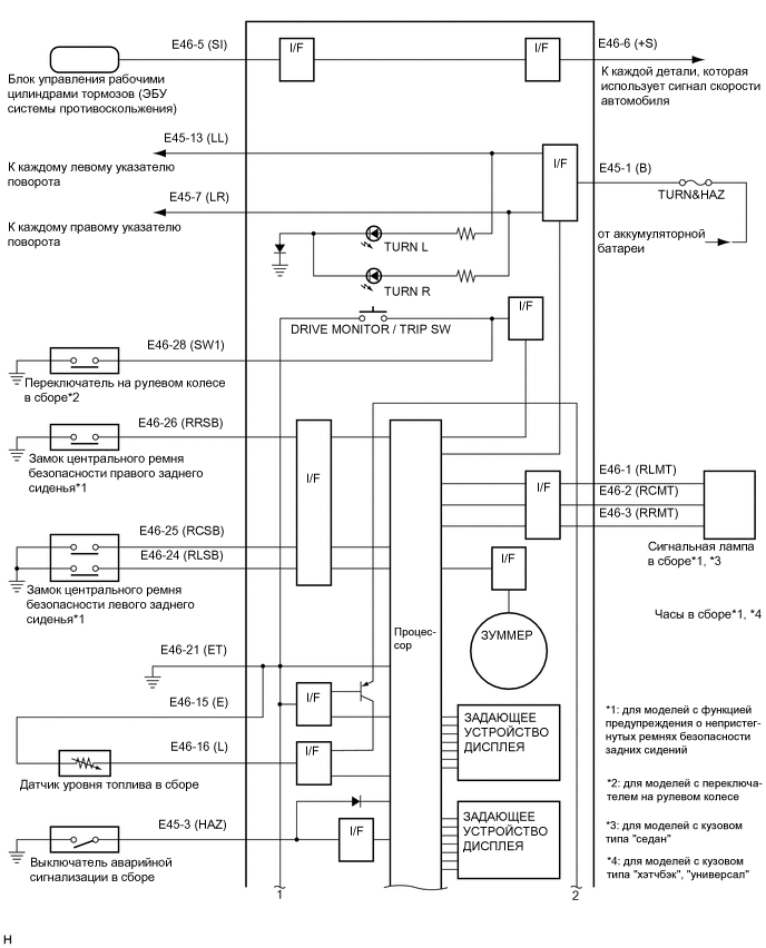
  2. Щиток приборов (жидкокристаллический мультиинформационный дисплей растрового типа)

    A01TC7NE04
    A01TAVNE03
    A01TA7GE02
    A01TD6NE01
    A01T9AAE04
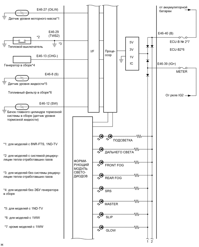
  3. Щиток приборов (мультиинформационный дисплей (цветной))

    A01TCKUE01
    A01T8TIE01
    A01TBCQE01
    A01TCERE01