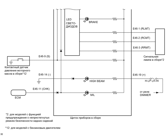
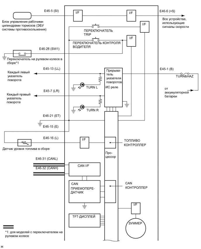
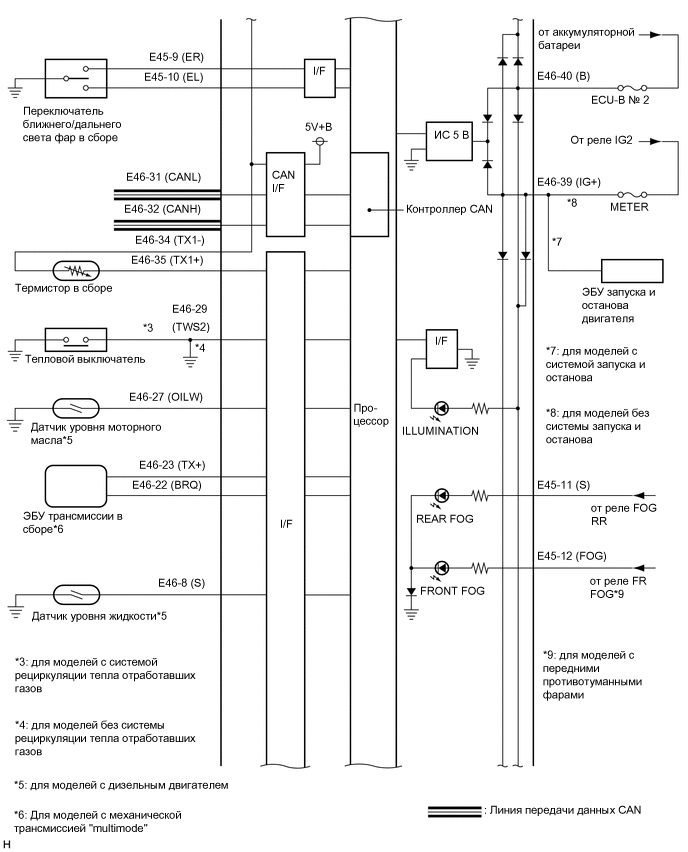
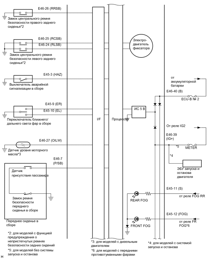
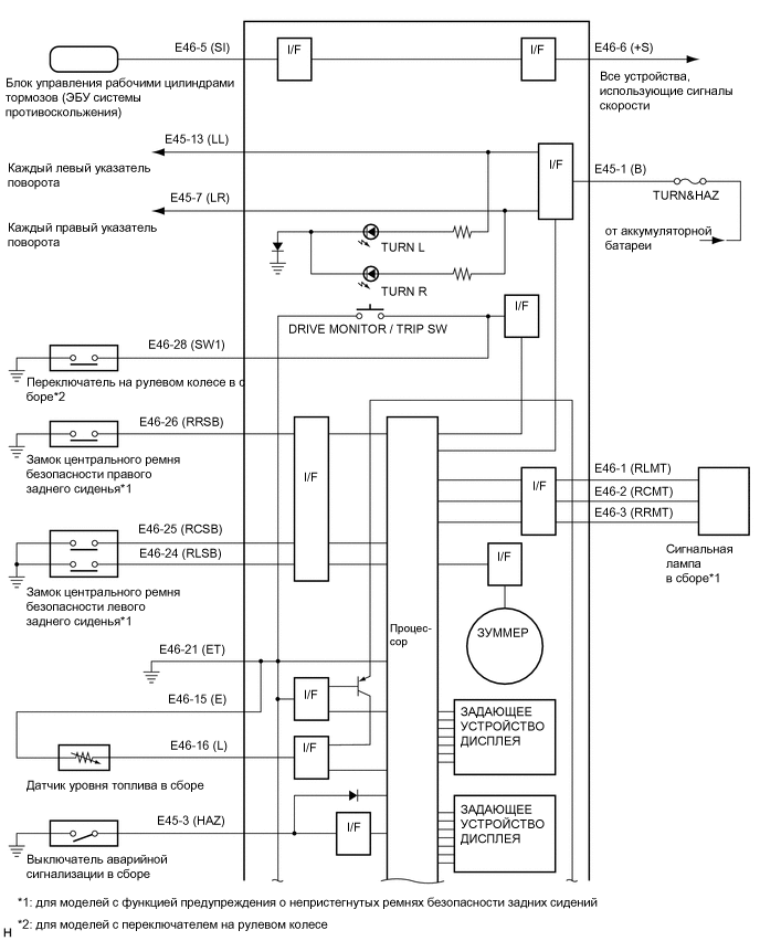
СИСТЕМА ИЗМЕРИТЕЛЬНЫХ ПРИБОРОВ И ИНДИКАТОРОВ СХЕМА СИСТЕМЫ


  1. Щиток приборов (жидкокристаллический мультиинформационный дисплей сегментного типа)

    A01LW4RE08
    A012LKZE02
    A012K4YE01
    A012M6KE01
  2. Щиток приборов (жидкокристаллический мультиинформационный дисплей растрового типа)

    A012M8ME01
    A012I58E02
    A012G22E01
    A012K2XE01
    A012IR1E03