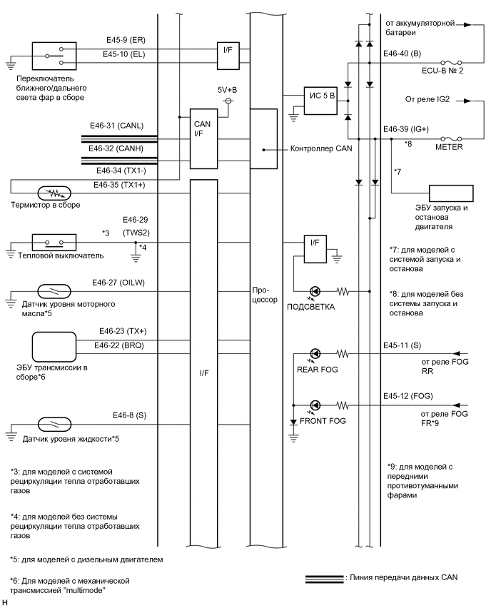
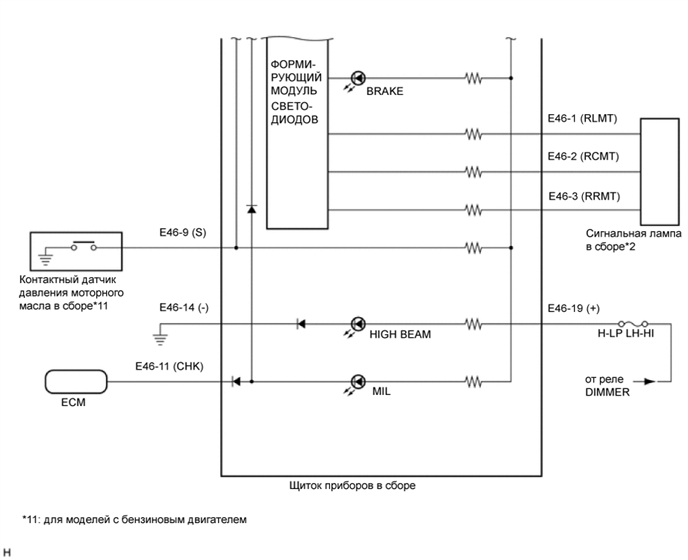
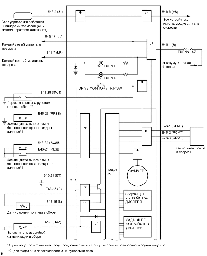
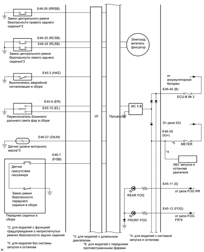
СИСТЕМА ИЗМЕРИТЕЛЬНЫХ ПРИБОРОВ И ИНДИКАТОРОВ СХЕМА СИСТЕМЫ


  1. Щиток приборов (жидкокристаллический мультиинформационный дисплей сегментного типа)

    A01LW4RE02
    A012LKZE01
    A012N2HE01
    A012KJKE02
  2. Щиток приборов (жидкокристаллический мультиинформационный дисплей растрового типа)

    A012M8ME01
    A012I58E01
    A012J3YE01
    A012LDUE01
    A012IR1E01