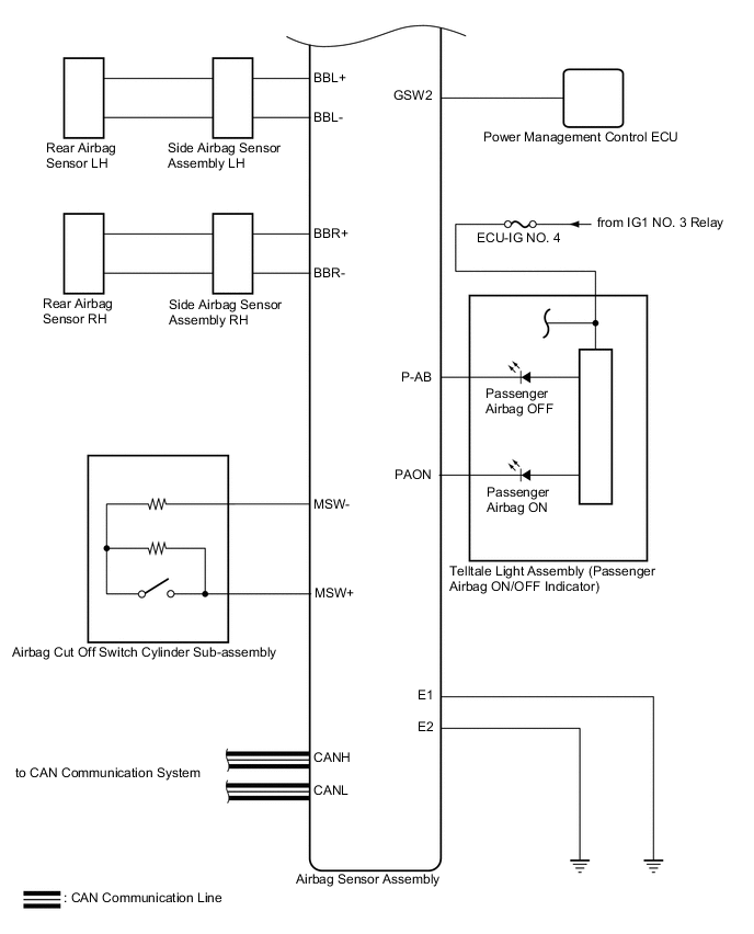
AIRBAG SYSTEM SYSTEM DIAGRAM

A01KTIEE08
A01KRGCE01
Communication Table

Transmitting ECU

(Transmitter)

Receiving ECU Signal Communication Method
Airbag Sensor Assembly Power Management Control ECU
  • Crash detection signal

CAN
Combination Meter Assembly
  • SRS warning light ON demand signal

  • Diagnosis signal (DTC)

Skid Control ECU (Brake Booster with Master Cylinder Assembly)
  • Yaw rate and acceleration signal

Power Management Control ECU Airbag Sensor Assembly
  • Shift position signal

  • Test mode signal

ECM
  • Engine speed signal

Skid Control ECU (Brake Booster with Master Cylinder Assembly)
  • Vehicle speed signal

  • Stop signal

  • Yaw rate and acceleration request signal

Main Body ECU (Multiplex Network Body ECU)
  • Trip count signal

  • Time count signal