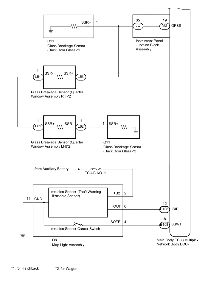
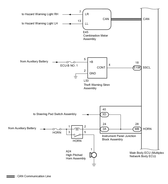
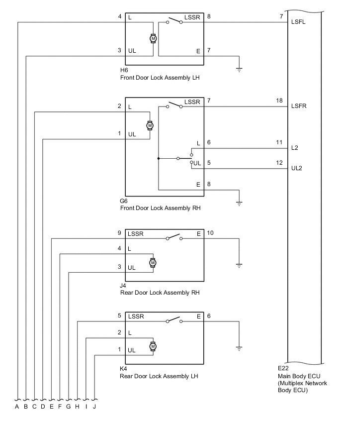
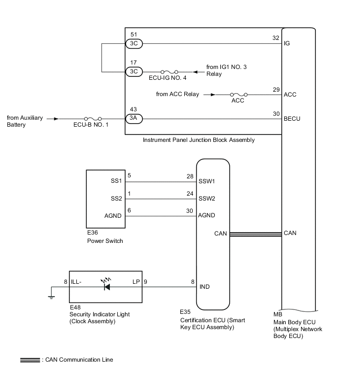
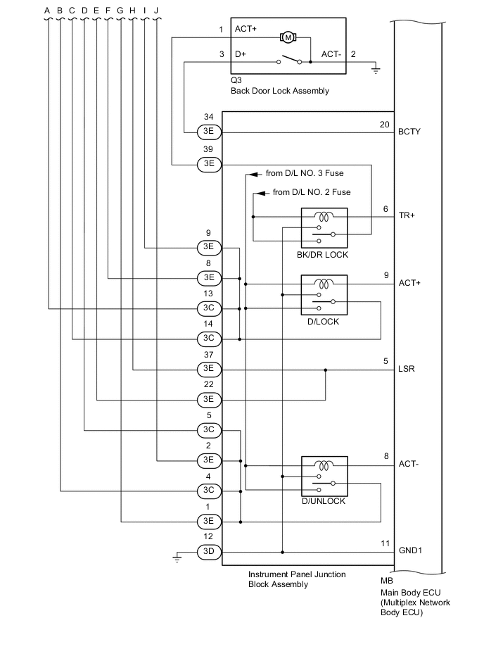
THEFT DETERRENT SYSTEM SYSTEM DIAGRAM

A01KRDHE01
A01KS9HE01
A01KR2RE01
A01KTMXE01
A01KTURE01
A01KTVUE01