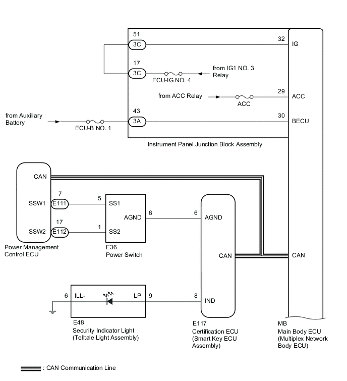
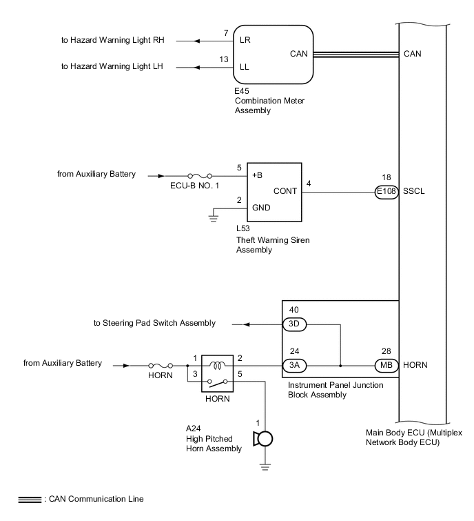
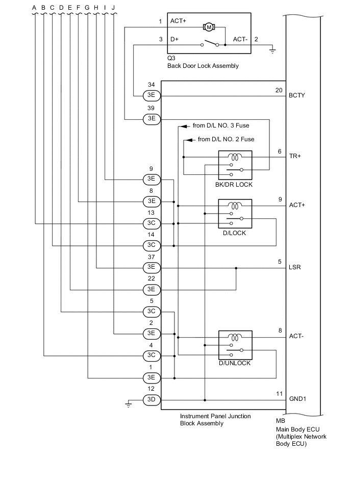
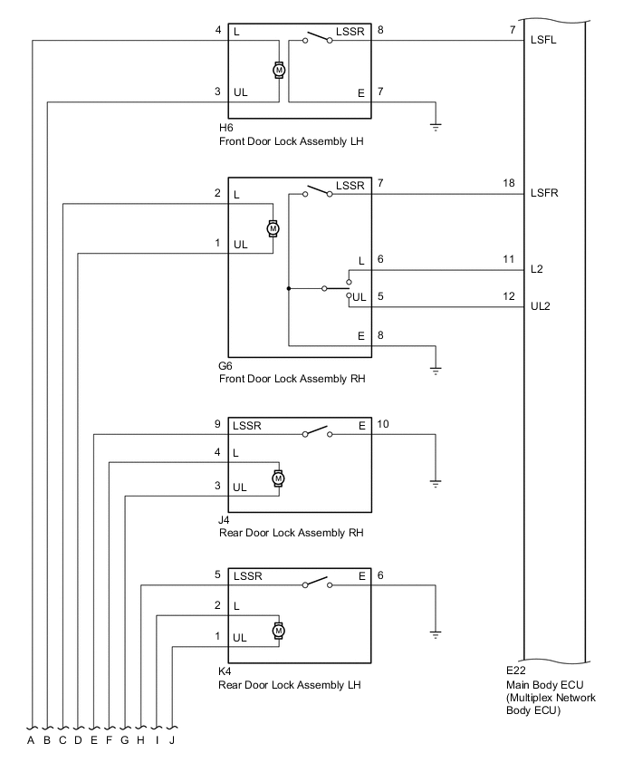
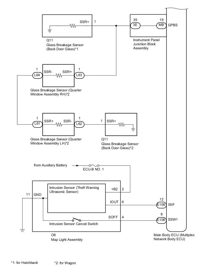
THEFT DETERRENT SYSTEM SYSTEM DIAGRAM

A0139SPE02
A013APUE01
A01396LE01
A013AATE01
A013AXEE01
A013AOOE01