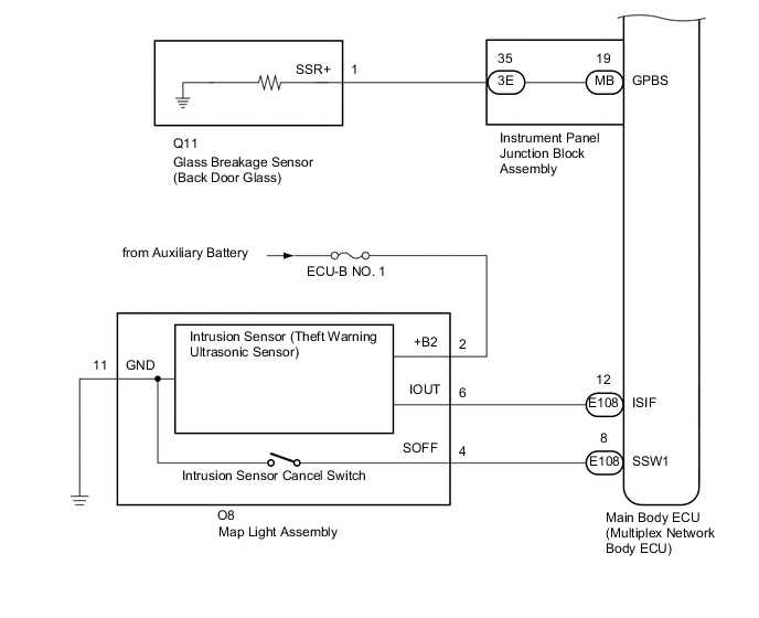
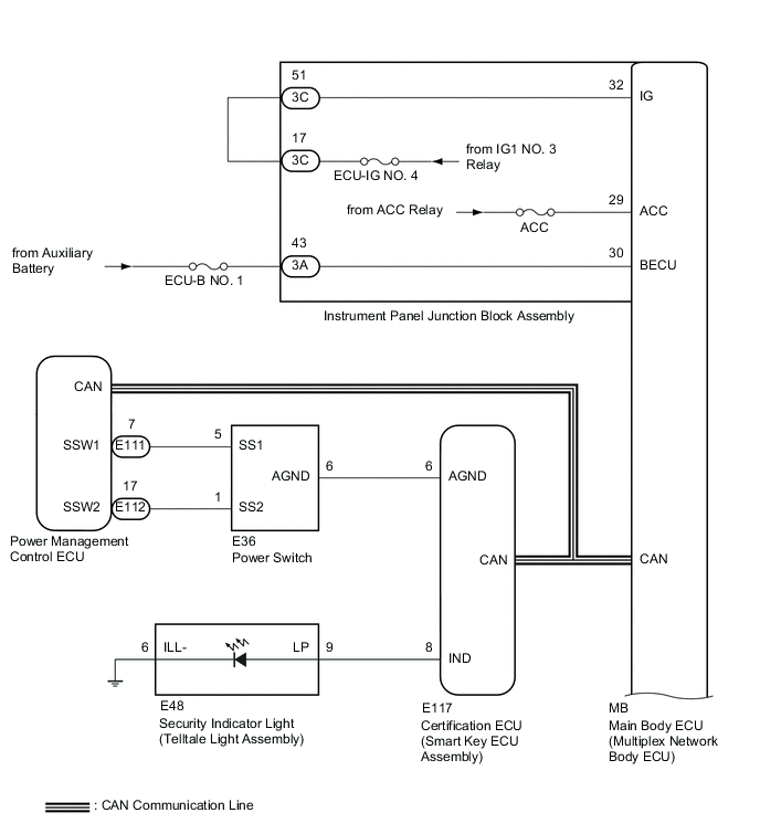
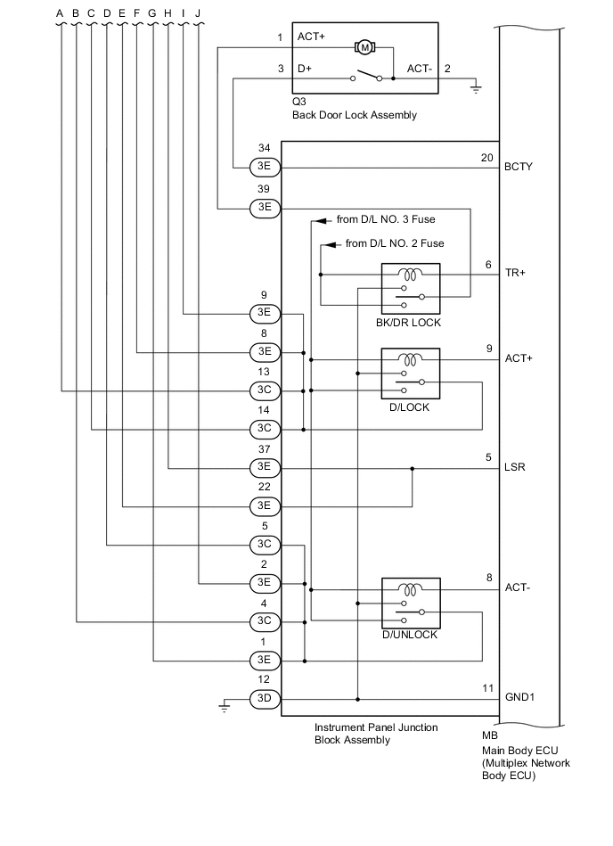
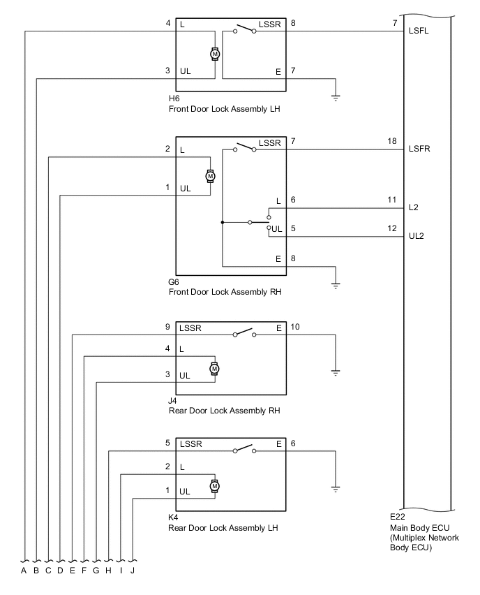
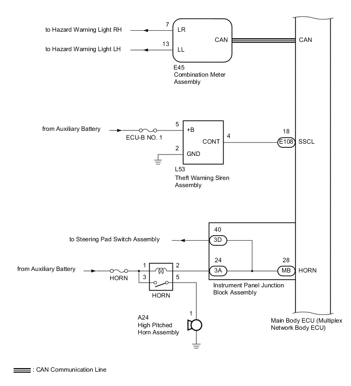
THEFT DETERRENT SYSTEM SYSTEM DIAGRAM

A00YPG9E02
A00YO9TE01
A00YPMGE01
A00YNR7E01
A00YO9JE01
A00YPJBE01