ENTRY AND START SYSTEM(for Start Function) SYSTEM DIAGRAM

A01KR8LE01
A01KTBWE03
Component Outline

Power switch


  • Transponder key amplifier


  • Turns on the power and starts the hybrid control system.

  • Contains a built-in transponder key amplifier to start the hybrid control system when the electrical key transmitter sub-assembly does not operate properly due to a depleted transmitter battery or wave interference.

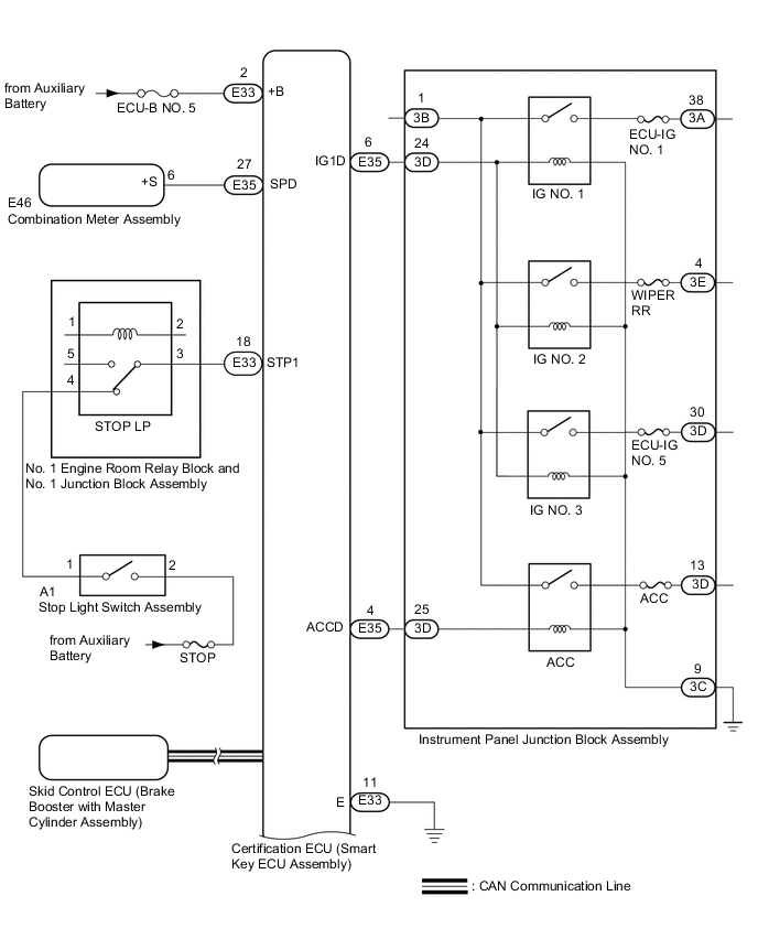
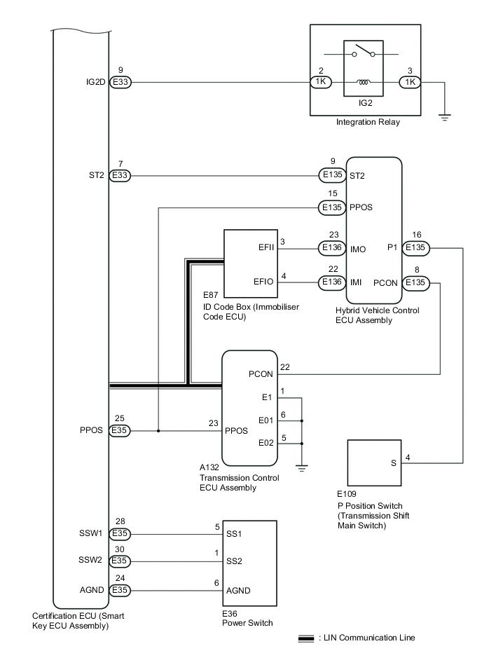
Certification ECU (smart key ECU assembly)
  • Performs key verification.

  • Controls the electrical key antenna (outside), electrical key antenna (indoor) and door lock/unlock sensor.

  • Outputs smart entry door lock/unlock commands.

  • Outputs gearshift control lock/unlock command signals.

  • Outputs immobiliser set/unset commands.

  • Forms the entry and start system detection area.

  • Records codes for smart verification.

  • Changes the power source mode in 4 stages (off, on (ACC), on (IG), on (READY)) in accordance with the shift state and stop light switch.

  • Controls the push-button start function in accordance with signals received from switches and ECUs.

  • Permit starting of the hybrid control system after receiving an unlock signal from the transmission control ECU assembly.

ID code box (immobiliser code ECU) Records codes for smart verification.
Transmission control ECU assembly
  • Locks/unlocks gearshift control based on lock/unlock request signals from the certification ECU (smart key ECU assembly).

  • Detects gearshift control lock/unlock status and transmits it to other ECUs.

  • Activates the shift control actuator based on signals from the certification ECU (smart key ECU assembly) when gearshift control is unlocked.

  • Controls the application timing of current to the parking lock motor based on signals from the rotation angle sensor.

Combination meter assembly
  • Operates various warnings (messages on the multi-information display, sounding of the buzzer in the combination meter assembly), according to the command signals from the certification ECU (smart key ECU assembly).

  • Outputs a vehicle speed signal to the main body ECU (multiplex network body ECU).

IG, ACC relay Turns on/off according to the certification ECU (smart key ECU assembly) and provides power to each system.
Stop light switch assembly Detects that the brake pedal has been depressed (switch is on) and outputs a signal to the certification ECU (smart key ECU assembly).
Door control receiver Receives the entry and start system code/wireless code sent from the electrical key transmitter sub-assembly and sends it to the certification ECU (smart key ECU assembly).
Electrical key transmitter sub-assembly Sends the ID code upon receiving a request signal.