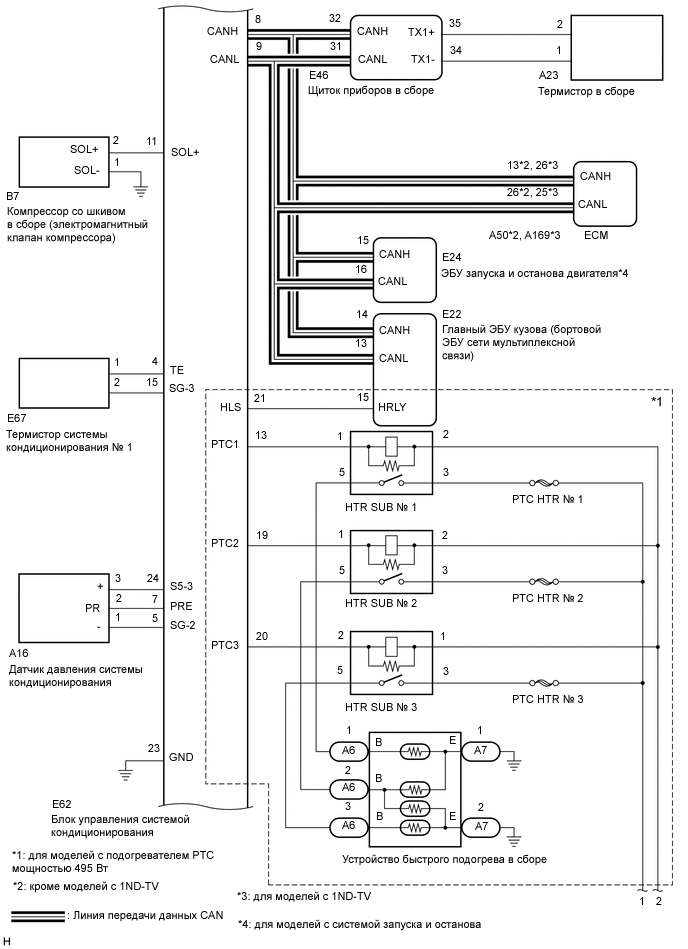
| Передатчик | Приемник | Сигнал | Линия передачи данных |
|---|---|---|---|
| Блок управления системой кондиционирования в сборе | ECM | Сигнал запроса для электромагнитной муфты | CAN |
| Сигнал запроса холостого хода | |||
| Сигнал запроса отопителя на повышение частоты вращения коленчатого вала двигателя на холостом ходу | |||
| Сигнал состояния системы управления дополнительным охлаждением | |||
| Сигнал запрета управления в режиме зарядки | |||
| Сигнал включения электродвигателя вентилятора системы охлаждения | |||
| Предварительный сигнал запроса управления системой кондиционирования | |||
| Сигнал запрета отключения при разгоне | |||
| Сигнал запрета блокировки | |||
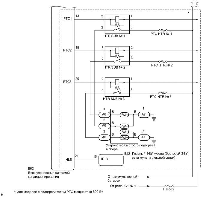
| Сигнал запроса управления для подогревателя PTC | |||
| Сигнал давления хладагента, запрашивающий регулировку | |||
| Сигнал запрета управления генератором | |||
| Сигнал температуры окружающего воздуха до коррекции | |||
| Сигнал о состоянии хладагента | |||
| Сигнал датчика температуры испарителя | |||
| Сигнал электрической нагрузки при низком напряжении | |||
| Сигнал регулирования тока электромагнитного клапана компрессора | |||
| Сигнал датчика давления системы кондиционирования | |||
| Сигнал индикации температуры окружающего воздуха | |||
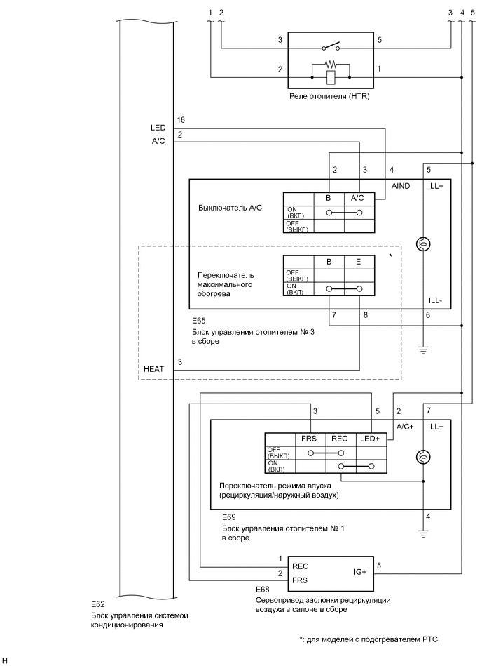
| Блок управления системой кондиционирования в сборе | Главный ЭБУ кузова (бортовой ЭБУ сети мультиплексной связи) | Сигнал индикации температуры окружающего воздуха | CAN |
| Сигнал состояния управления системы кондиционирования | |||
| Блок управления системой кондиционирования в сборе | ЭБУ запуска и останова двигателя* | Сигнал запроса включения двигателя | CAN |
| Сигнал включенного состояния вентилятора | |||
| Сигнал состояния ручного управления вентилятором | |||
| Информационный сигнал выбора отображения экрана системы кондиционирования: автоматическое/вручную | |||
| Сигнал индикации температуры окружающего воздуха | |||
| Сигнал состояния управления системы кондиционирования | |||
| ECM | Блок управления системой кондиционирования в сборе | Сигнал данных о типе двигателя | CAN |
| Сигнал признака режима Eco run | |||
| Сигнал данных частоты вращения коленчатого вала двигателя | |||
| Сигнал величины продолжительности включения альтернативного поля | |||
| Команда на принудительную рециркуляцию воздуха в салоне при высокой температуре охлаждающей жидкости двигателя | |||
| Сигнал температуры охлаждающей жидкости | |||
| Сигнал отключения управления системой кондиционирования | |||
| Сигнал запрета плавного регулирования | |||
| Управляющий сигнал отключения кондиционера при замедлении | |||
| Управляющий сигнал дополнительного охлаждения системы кондиционирования при замедлении | |||
| Сигнал количества разрешенных подогревателей PTC | |||
| Сигнал запрета смазки системы кондиционирования | |||
| Главный ЭБУ кузова (бортовой ЭБУ сети мультиплексной связи) | Блок управления системой кондиционирования в сборе | Сигнал счетчика пути | CAN |
| Сигнал счетчика времени | |||
| Сигнал автоматического переключателя света фар | |||
| Сигнал запроса включения фар дальнего света | |||
| Сигнал запроса включения фар ближнего света | |||
| Сигнал запроса включения задних фонарей | |||
| Сигнал символа рынка сбыта | |||
| Сигнал варианта комплектации | |||
| Сигнал рулевого колеса | |||
| Щиток приборов в сборе | Блок управления системой кондиционирования в сборе | Сигнал индикации температуры окружающего воздуха | CAN |
| Сигнал данных датчика температуры наружного воздуха | |||
| Сигнал скорости автомобиля (от щитка приборов для других устройств) | |||
| ЭБУ запуска и останова двигателя* | Блок управления системой кондиционирования в сборе | Сигнал режима управления ECO Run | CAN |
| Сигнал запроса включения контрольной лампы отмены режима Eco | |||
| Сигнал режима системы кондиционирования при управлении запуском и остановом |
*: Для моделей с системой запуска и останова