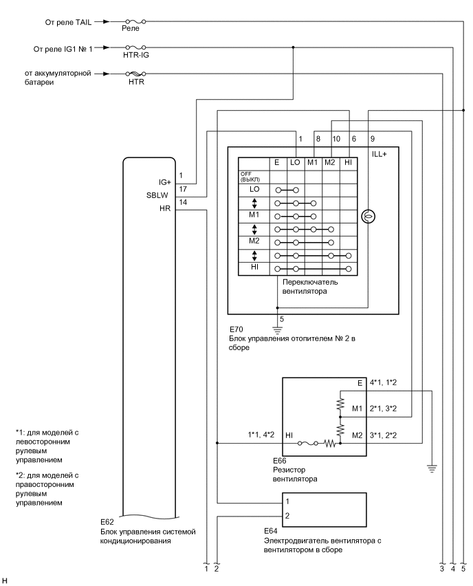
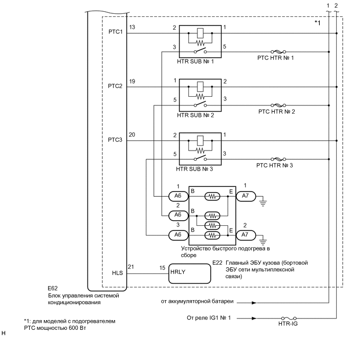
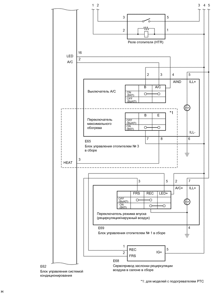
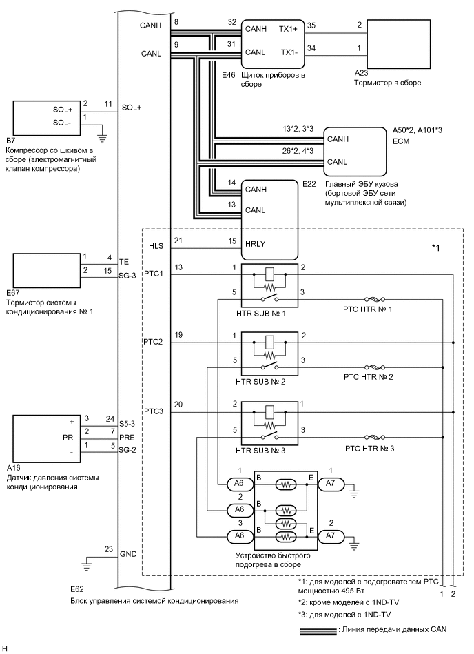
СИСТЕМА КОНДИЦИОНИРОВАНИЯ (для моделей с кондиционером с ручным управлением) СХЕМА СИСТЕМЫ

A01LYGUE03
A01LVG3E01
A01LWLJE01
A01LYB7E01
Таблица обмена данными
Передатчик Приемник Сигнал Линия передачи данных
Блок управления системой кондиционирования в сборе ECM Сигнал запроса для электромагнитной муфты CAN
Сигнал запроса холостого хода
Сигнал запроса отопителя на повышение частоты вращения коленчатого вала двигателя на холостом ходу
Сигнал состояния системы управления дополнительным охлаждением
Сигнал запрета управления в режиме зарядки
Сигнал включения электродвигателя вентилятора системы охлаждения
Предварительный сигнал запроса управления системой кондиционирования
Сигнал запрета отключения при разгоне
Сигнал запрета блокировки
Сигнал запроса управления для подогревателя PTC
Сигнал давления хладагента, запрашивающий регулировку
Сигнал запрета управления генератором
Сигнал температуры окружающего воздуха до коррекции
Сигнал о состоянии хладагента
Сигнал датчика температуры испарителя
Сигнал электрической нагрузки при низком напряжении
Сигнал регулирования тока электромагнитного клапана компрессора
Сигнал датчика давления системы кондиционирования
Сигнал индикации температуры окружающего воздуха
Блок управления системой кондиционирования в сборе Главный ЭБУ кузова (бортовой ЭБУ сети мультиплексной связи) Сигнал индикации температуры окружающего воздуха CAN
Сигнал состояния управления системы кондиционирования
ECM Блок управления системой кондиционирования в сборе Сигнал данных о типе двигателя CAN
Сигнал данных частоты вращения коленчатого вала двигателя
Сигнал величины продолжительности включения альтернативного поля
Команда на принудительную рециркуляцию воздуха в салоне при высокой температуре охлаждающей жидкости двигателя
Сигнал температуры охлаждающей жидкости
Сигнал отключения управления системой кондиционирования
Сигнал запрета плавного регулирования
Управляющий сигнал отключения кондиционера при замедлении
Управляющий сигнал дополнительного охлаждения системы кондиционирования при замедлении
Сигнал количества разрешенных подогревателей PTC
Сигнал запрета смазки системы кондиционирования
Главный ЭБУ кузова (бортовой ЭБУ сети мультиплексной связи) Блок управления системой кондиционирования в сборе Сигнал счетчика пути CAN
Сигнал счетчика времени
Сигнал автоматического переключателя света фар
Сигнал запроса включения фар дальнего света
Сигнал запроса включения фар ближнего света
Сигнал запроса включения задних фонарей
Сигнал символа рынка сбыта
Сигнал варианта комплектации
Сигнал рулевого колеса
Щиток приборов в сборе Блок управления системой кондиционирования в сборе Сигнал индикации температуры окружающего воздуха CAN
Сигнал данных датчика температуры наружного воздуха
Сигнал скорости автомобиля (от щитка приборов для других устройств)