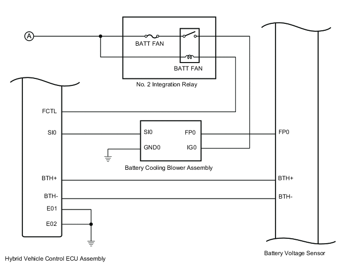
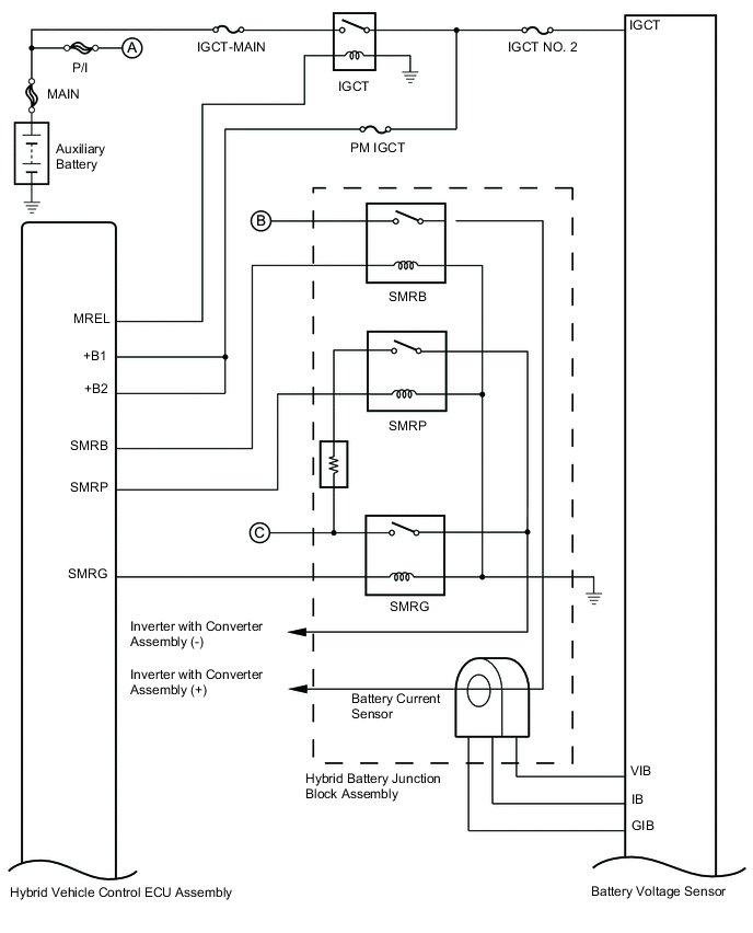
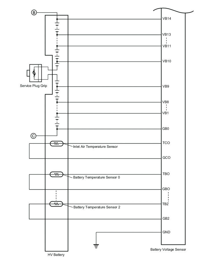
HYBRID BATTERY SYSTEM SYSTEM DIAGRAM

A01KR4BE01
A01KRTCE01
A01KS6KE02