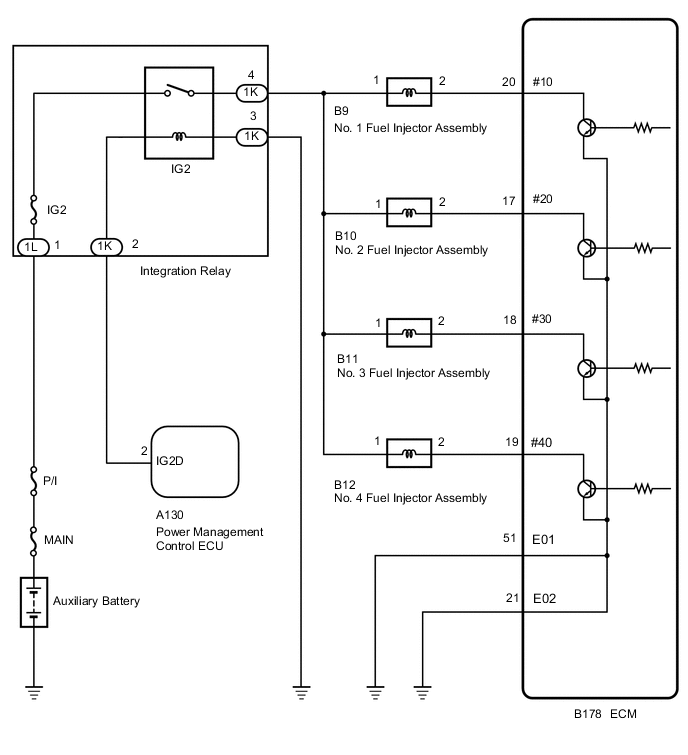
SFI SYSTEM Fuel Injector Circuit

DESCRIPTION

The fuel injectors are located on the intake port. They inject fuel into the cylinders based on the signals from the ECM.

WIRING DIAGRAM

A013A7VE01

CAUTION / NOTICE / HINT

Note

Inspect the fuses for circuits related to this system before performing the following procedure.

PROCEDURE


  1. CHECK TERMINAL VOLTAGE (POWER SOURCE OF FUEL INJECTOR ASSEMBLY)


    1. A0139ADC26
      *a

      Front view of wire harness connector

      (to Fuel Injector Assembly)

      Disconnect the fuel injector assembly connectors.

    2. Turn the power switch on (IG).

    3. Measure the voltage according to the value(s) in the table below.

      Standard Voltage
      Tester Connection Condition Specified Condition
      B9-1 - Body ground Power switch on (IG) 11 to 14 V
      B10-1 - Body ground Power switch on (IG) 11 to 14 V
      B11-1 - Body ground Power switch on (IG) 11 to 14 V
      B12-1 - Body ground Power switch on (IG) 11 to 14 V
      Result
      Proceed to
      OK
      NG

    NG
    OK
  2. INSPECT FUEL INJECTOR ASSEMBLY (INJECTION AND VOLUME)


    1. Inspect the fuel injector assembly.

      Click here

      Result
      Proceed to
      OK
      NG

    NG
    OK
  3. CHECK HARNESS AND CONNECTOR (FUEL INJECTOR ASSEMBLY - ECM)


    1. Disconnect the fuel injector assembly connectors.

    2. Disconnect the ECM connector.

    3. Measure the resistance according to the value(s) in the table below.

      Standard Resistance
      Tester Connection Condition Specified Condition
      B9-2 - B178-20 (#10) Always Below 1 Ω
      B10-2 - B178-17 (#20) Always Below 1 Ω
      B11-2 - B178-18 (#30) Always Below 1 Ω
      B12-2 - B178-19 (#40) Always Below 1 Ω
      B9-2 or B178-20 (#10) - Body ground Always 10 kΩ or higher
      B10-2 or B178-17 (#20) - Body ground Always 10 kΩ or higher
      B11-2 or B178-18 (#30) - Body ground Always 10 kΩ or higher
      B12-2 or B178-19 (#40) - Body ground Always 10 kΩ or higher
      Result
      Proceed to
      OK
      NG

    OK
    NG
  4. CHECK HARNESS AND CONNECTOR (FUEL INJECTOR ASSEMBLY - INTEGRATION RELAY (IG2 RELAY))


    1. Disconnect the fuel injector assembly connectors.

    2. Remove the integration relay (IG2 relay) from the No. 1 engine room relay block and No. 1 junction block assembly.

    3. Measure the resistance according to the value(s) in the table below.

      Standard Resistance
      Tester Connection Condition Specified Condition
      B9-1 - 1K-4 Always Below 1 Ω
      B10-1 - 1K-4 Always Below 1 Ω
      B11-1 - 1K-4 Always Below 1 Ω
      B12-1 - 1K-4 Always Below 1 Ω
      B9-1 or 1K-4 - Body ground Always 10 kΩ or higher
      B10-1 or 1K-4 - Body ground Always 10 kΩ or higher
      B11-1 or 1K-4 - Body ground Always 10 kΩ or higher
      B12-1 or 1K-4 - Body ground Always 10 kΩ or higher
      Result
      Proceed to
      OK
      NG

    OK
    NG