СИСТЕМА ПРЕДУПРЕЖДЕНИЯ О НЕНАДЛЕЖАЩЕМ ДАВЛЕНИИ В ШИНАХ СИСТЕМА ДИАГНОСТИКИ


  1. ПРОВЕРЬТЕ КОНТРОЛЬНУЮ ЛАМПУ

    Note


    • При возникновении неисправности в системе предупреждения о ненадлежащем давлении в шинах контрольная лампа предупреждения о ненадлежащем давлении в шинах мигает с интервалами 0,5 с в течение 1 мин, а затем горит постоянно.

    • После устранения неисправности контрольная лампа предупреждения о ненадлежащем давлении в шинах гаснет.

    • Если загорается контрольная лампа аварийного состояния давления в шинах, немедленно проверьте давление в шинах, и отрегулируйте его до номинального значения.

    • После включения зажигания контрольная лампа предупреждения о ненадлежащем давлении в шинах включается на 3 с, а затем гаснет. Если контрольная лампа не горит в течение 3 секунд, выполните диагностику цепи контрольной лампы предупреждения о ненадлежащем давлении в шинах.

      Нажмите здесь Click here


    1. A01TAQRC05
      *1 Контрольная лампа предупреждения о ненадлежащем давлении в шинах

      Установите замок зажигания в положение ON (ВКЛ).

    2. Убедитесь, что контрольная лампа предупреждения о ненадлежащем давлении в шинах включается на 3 с.

  2. ЧТО ТРЕБУЕТСЯ ПРОВЕРЯТЬ, КОГДА ГОРИТ КОНТРОЛЬНАЯ ЛАМПА ПРЕДУПРЕЖДЕНИЯ О НЕНАДЛЕЖАЩЕМ ДАВЛЕНИИ В ШИНАХ


    1. Если контрольная лампа давления в шинах не гаснет, либо если она загорается во время движения, проверьте давление в шинах. Если контрольная лампа аварийного состояния давления в шинах загорается через несколько часов после регулировки давления, возможна медленная утечка воздуха из шины.

    2. Система отключается в следующих условиях (после восстановления нормального состояния система возобновляет работу).


      1. Не установлены все шины и колеса с вентилями системы предупреждения о ненадлежащем давлении в шинах с передатчиками, зарегистрированными в ЭБУ и приемнике системы предупреждения о ненадлежащем давлении в шинах.

      2. Все идентификационные коды передатчиков не зарегистрированы в ЭБУ и приемнике системы предупреждения о ненадлежащем давлении в шинах.

      3. Когда давление в шине слишком высокое (абсолютное давление: 480 кПа (4,9 кгс/см2, 70 фунтов на кв. дюйм) или более; относительное давление: 380 кПа (3,9 кгс/см2, 55 фунта на кв. дюйм) или более).

      4. Когда разряжена батарея вентиля и передатчика системы предупреждения о ненадлежащем давлении в шинах.

    3. Система может отключиться в следующих условиях (после восстановления нормального состояния система возобновляет работу).


      1. Когда рядом располагаются электрические приборы или установки, работающие в таком же радиочастотном диапазоне.

      2. Когда в автомобиле используется радиопередающее устройство или другое оборудование, работающее в таком же частотном диапазоне.

      3. Когда тонировка стекол препятствует распространению радиосигналов.

      4. Когда автомобиль, в особенности, колеса или колесные арки, покрыт большим количеством снега или льда.

      5. Когда используются неоригинальные колеса.

      6. Используются зимние цепи.

      7. Используется шиноремонтный герметик, приобретенное на рынке запасных частей и аксессуаров.

        CAUTION:

        После применения шиноремонтного герметика необходимо заменить вентиль и передатчик системы предупреждения о ненадлежащем давлении в шинах, чтобы обеспечить нормальную работу системы. (Нормальную работу системы нельзя обеспечить, просто отремонтировав или заменив шину.)

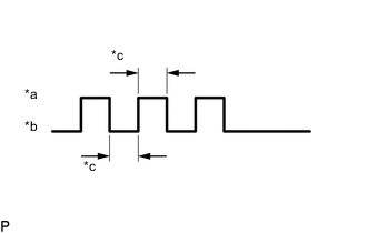
  3. ТАБЛИЦА ПОКАЗАНИЙ КОНТРОЛЬНОЙ ЛАМПЫ И ИНДИКАТОРА ПРЕДУПРЕЖДЕНИЯ О НЕНАДЛЕЖАЩЕМ ДАВЛЕНИИ В ШИНАХ


    • A01TCGTC05
      *a ON (ВКЛ)
      *b OFF (ВЫКЛ)
      *c 0,5 с
      *d 1 мин

      *1: Мигает с интервалом 0,5 секунды и по истечении 1 минуты горит непрерывно.

    • A01TDH4C03
      *a ON (ВКЛ)
      *b OFF (ВЫКЛ)
      *c 0,125 с

      *2: Мигает с интервалами 0,125 с.

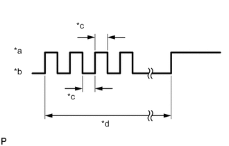
    • A01TDI0C06
      *a ON (ВКЛ)
      *b OFF (ВЫКЛ)
      *c 1 с

      *3: Вспыхивает 3 раза с интервалом 1 секунда.

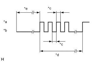
    • A01TBWUC03
      *a ON (ВКЛ)
      *b OFF (ВЫКЛ)
      *c 0,5 с
      *d 1 мин
      *e 10 с

      *4: Гаснет на 10 секунд для проверки подключения разъема ЭБУ, затем мигает с интервалом 0,5 секунды и по истечении 1 минуты горит непрерывно.

    • A01TCC2C05
      *a ON (ВКЛ)
      *b OFF (ВЫКЛ)
      *c 0,25 с

      *5: Мигает с интервалами 0,25 с.

  4. КОД DTC НОРМАЛЬНОГО РЕЖИМА


    1. DTC сохраняются в ЭБУ с приемником системы предупреждения о ненадлежащем давлении в шинах и либо определяются по миганию контрольной лампы предупреждения о ненадлежащем давлении в шинах, либо считываются с помощью GTS.

      Нажмите здесь Click here

  5. КОД DTC РЕЖИМА АКТИВНОЙ ДИАГНОСТИКИ (РЕЖИМА ПРОВЕРКИ СИГНАЛОВ)


    1. Переключившись из нормального режима в режим активной диагностики (режим проверки сигналов), можно проверить ЭБУ с приемником системы предупреждения о ненадлежащем давлении в шинах, каждый вентиль с передатчиком системы предупреждения о ненадлежащем давлении в шинах, а также переключатель сброса системы предупреждения о ненадлежащем давлении в шинах.

      Нажмите здесь Click here

  6. РАБОТА В АВАРИЙНОМ РЕЖИМЕ


    1. Если в системе предупреждения о ненадлежащем давлении в шинах обнаружена неисправность, контрольная лампа системы мигает в течение 1 мин, а затем горит постоянно, информируя водителя.

    2. В результате этого контроль давления в шинах отключается, и в ЭБУ и приемнике системы предупреждения о ненадлежащем давлении в шинах регистрируется код DTC.