СИСТЕМА БЕССТУПЕНЧАТОЙ ТРАНСМИССИИ, Diagnostic DTC:P0705

Код DTC Наименование DTC
P0705 Неисправность в цепи датчика диапазона трансмиссии (вход PRNDL)

ОПИСАНИЕ

Датчик положения паркинга/нейтрали и устройство управления блокировкой селектора в сборе (датчик положения селектора передач) определяют положение рычага переключения передач и передают сигналы в ECM.

№ DTC Неисправность Условие обнаружения DTC Неисправный участок MIL Память
P0705 Неисправность в цепи датчика диапазона трансмиссии (вход PRNDL)
  1. Условие диагностики


    • Замок зажигания в положении ON (ВКЛ), а напряжение аккумуляторной батареи не ниже 10,5 В

  2. Состояние неисправности


    • Одновременно включены не менее 2 из следующих сигналов.


      • Входной сигнал (NSW, P, N)

      • Входной сигнал R

      • Входной сигнал D

  3. Момент регистрации неисправности


    • 2 с

  4. Прочие


    • Логика диагностирования за 2 поездки


  1. Условие диагностики


    • Замок зажигания в положении ON (ВКЛ), а напряжение аккумуляторной батареи не ниже 10,5 В

  2. Состояние неисправности


    • Все сигналы выключаются одновременно


      • Входной сигнал NSW

      • Входной сигнал P

      • Входной сигнал R

      • Входной сигнал N

      • Входной сигнал D

  3. Момент регистрации неисправности


    • 60 с

  4. Прочие


    • Логика диагностирования за 2 поездки


  1. Условие диагностики


    • Замок зажигания в положении ON (ВКЛ), а напряжение аккумуляторной батареи не ниже 10,5 В

  2. Состояние неисправности


    • Каждый из следующих сигналов и сигнал М включаются одновременно.


      • Входной сигнал NSW

      • Входной сигнал P

      • Входной сигнал R

      • Входной сигнал N

  3. Момент регистрации неисправности


    • 2 с

  4. Прочие


    • Логика диагностирования за 2 поездки


  • Обрыв или короткое замыкание в цепи датчика положения паркинга/нейтрали

  • Датчик положения паркинга/нейтрали в сборе

  • Датчик положения селектора передач (устройство управления блокировкой селектора в сборе)

  • ECM

Загорается Код DTC сохраняется

ОПИСАНИЕ РАБОТЫ СИСТЕМЫ КОНТРОЛЯ

Этот DTC указывает на неисправность датчика положения паркинга/нейтрали или жгута проводов цепи датчика положения паркинга/нейтрали.

Датчик положения паркинга/нейтрали определяет положение рычага переключения передач и передает соответствующий сигнал в ECM. В целях безопасности датчик определяет положение рычага переключения передач таким образом, чтобы двигатель мог быть включен только при нахождении рычага переключения в положении P или N.

Сигнал, передаваемый датчиком положения паркинга/нейтрали в ECM, соответствует положению рычага переключения передач (P, R, N, D или M).

При одновременном поступлении более чем 1-го сигнала положения ECM регистрирует наличие неисправности в датчике или связанных с ним устройствах. ЕСМ включает контрольную лампу MIL и регистрирует этот код DTC.

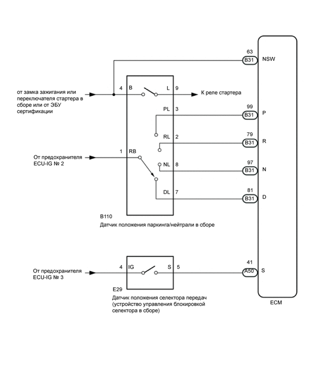
СХЕМА СОЕДИНЕНИЙ

A012JRCE08

ПРЕДОСТЕРЕЖЕНИЕ / ПРИМЕЧАНИЕ / УКАЗАНИЕ

Note

Перед выполнением следующей процедуры проверки проверьте предохранители цепей, относящихся к данной системе.

ПОРЯДОК ВЫПОЛНЕНИЯ


  1. СНИМИТЕ ПОКАЗАНИЯ GTS (СИГНАЛ ДАТЧИКА ПОЛОЖЕНИЯ НЕЙТРАЛИ И СОСТОЯНИЕ ДАТЧИКА ПЕРЕКЛЮЧЕНИЯ ПЕРЕДАЧ)


    1. Подключите GTS к DLC3.

    2. Установите замок зажигания в положение ON (ВКЛ).

    3. Включите GTS.

    4. Войдите в следующие меню: Powertrain / Engine and ECT / Data List / Primary.

    5. Следуя подсказкам на экране GTS, считайте данные в режиме Data List.


      Powertrain > Engine and ECT > Data List
      Информация на дисплее прибора Измеряемая величина Диапазон Нормальное состояние Замечание по диагностике
      Neutral Position SW Signal Состояние датчика положения паркинга/нейтрали OFF (ВЫКЛ) или ON (ВКЛ)
      • OFF (ВЫКЛ): Рычаг переключения передач не в положении P или N

      • ON (ВКЛ): Рычаг переключения передач в положении P или N

      Если положение рычага переключения передач, указанное на дисплее GTS, отличается от фактического, возможно, неправильно отрегулирован датчик положения паркинга/нейтрали или трос управления переключением передач
      Shift SW Status (P Range) Состояние датчика положения паркинга/нейтрали OFF (ВЫКЛ) или ON (ВКЛ)
      • OFF (ВЫКЛ): Рычаг переключения передач не в положении Р

      • ON (ВКЛ): Рычаг переключения передач в положении Р

      Если положение рычага переключения передач, указанное на дисплее GTS, отличается от фактического, возможно, неправильно отрегулирован датчик положения паркинга/нейтрали или трос управления переключением передач
      Shift SW Status (R Range) Состояние датчика положения паркинга/нейтрали OFF (ВЫКЛ) или ON (ВКЛ)
      • OFF (ВЫКЛ): Рычаг переключения передач не в положении R

      • ON (ВКЛ): Рычаг переключения передач в положении R

      Если положение рычага переключения передач, указанное на дисплее GTS, отличается от фактического, возможно, неправильно отрегулирован датчик положения паркинга/нейтрали или трос управления переключением передач
      Shift SW Status (N Range) Состояние датчика положения паркинга/нейтрали OFF (ВЫКЛ) или ON (ВКЛ)
      • OFF (ВЫКЛ): Рычаг переключения передач не в положении N

      • ON (ВКЛ): Рычаг переключения передач в положении N

      Если положение рычага переключения передач, указанное на дисплее GTS, отличается от фактического, возможно, неправильно отрегулирован датчик положения паркинга/нейтрали или трос управления переключением передач
      Shift SW Status (D Range) Состояние датчика положения паркинга/нейтрали OFF (ВЫКЛ) или ON (ВКЛ)
      • OFF (ВЫКЛ): Рычаг переключения передач не находится в положении D

      • ON (ВКЛ): Рычаг переключения передач в положении D

      Если положение рычага переключения передач, указанное на дисплее GTS, отличается от фактического, возможно, неправильно отрегулирован датчик положения паркинга/нейтрали или трос управления переключением передач
      Результат
      Результат Следующий шаг
      Данные на экране находятся в диапазоне нормального состояния А
      Данные на экране находятся вне диапазона нормального состояния B

    B
    А
  2. СНИМИТЕ ПОКАЗАНИЯ GTS (SPORTS MODE SELECTION SW)


    1. Войдите в следующие меню: Powertrain / Engine and ECT / Data List / Primary.

    2. Следуя подсказкам на экране GTS, считайте данные в режиме Data List.


      Powertrain > Engine and ECT > Data List
      Информация на дисплее прибора Измеряемая величина Диапазон Нормальное состояние Замечание по диагностике
      Sports Mode Selection SW Состояние переключателя выбора спортивного режима OFF (ВЫКЛ) или ON (ВКЛ)
      • ON (ВКЛ): Рычаг переключения передач в положении M, "+" или "-"

      • OFF (ВЫКЛ): Рычаг переключения передач не в положении M, "+" или "-"

      -
      Результат
      Результат Следующий шаг
      Данные на экране находятся в диапазоне нормального состояния А
      Данные на экране находятся вне диапазона нормального состояния B

    А
    B
  3. ПРОВЕРЬТЕ УСТРОЙСТВО УПРАВЛЕНИЯ БЛОКИРОВКОЙ СЕЛЕКТОРА В СБОРЕ (ДАТЧИК ПОЛОЖЕНИЯ СЕЛЕКТОРА ПЕРЕДАЧ (ИСТОЧНИК ПИТАНИЯ))


    1. A012LMBC21
      *a

      Вид спереди разъема со стороны жгута проводов:

      (к блоку управления трансмиссией (датчику положения селектора передач))

      Отсоедините разъем E29 датчика положения селектора передач устройства управления блокировкой селектора.

    2. Измерьте напряжение в соответствии со значениями, приведенными в таблице ниже.

      Номинальное напряжение
      Подключение диагностического прибора Условие Заданные условия
      E29-4 (IG) - масса Замок зажигания в положении ON (ВКЛ) 11-14 В
      E29-4 (IG) - масса Зажигание выключено Менее 1 В
    3. Подсоедините разъем E29 датчика положения селектора передач устройства управления блокировкой селектора.

      Результат
      Следующий шаг
      OK
      NG

    NG
    OK
  4. ПРОВЕРЬТЕ УСТРОЙСТВО УПРАВЛЕНИЯ БЛОКИРОВКОЙ СЕЛЕКТОРА В СБОРЕ (ДАТЧИК ПОЛОЖЕНИЯ СЕЛЕКТОРА ПЕРЕДАЧ)


    1. A012MODC10
      *a

      Устройство с неподсоединенным жгутом проводов

      (Блок управления трансмиссией (датчик положения селектора передач))

      Отсоедините разъем E29 датчика положения селектора передач устройства управления блокировкой селектора.

    2. Измерьте сопротивление в соответствии со значениями, приведенными в таблице ниже.

      Номинальное сопротивление
      Подключение диагностического прибора Условие Заданные условия
      4 (IG) - 5 (S) Рычаг переключения передач в положении M, "+" или "-" Менее 1 Ом
      4 (IG) - 5 (S) Рычаг переключения передач не в положении M, "+" или "-" 10 кОм или более
      Результат
      Следующий шаг
      OK
      NG

    NG
    OK
  5. ПРОВЕРЬТЕ ЖГУТ ПРОВОДОВ И РАЗЪЕМ (УСТРОЙСТВО УПРАВЛЕНИЯ БЛОКИРОВКОЙ СЕЛЕКТОРА В СБОРЕ – ECM)


    1. Отсоедините разъем A50 ECM.

    2. Измерьте сопротивление в соответствии со значениями, приведенными в таблице ниже.

      Номинальное сопротивление
      Подключение диагностического прибора Условие Заданные условия
      E29-5 (S) - A50-41(S) Всегда Менее 1 Ом
      E29-5 (S) - масса Всегда 10 кОм или более
      A50-41(S) - масса Всегда 10 кОм или более
      Результат
      Перейти К
      OK
      NG

    NG
    OK
  6. ЗАМЕНИТЕ ECM


    1. Замените ECM.


      • Для моделей с 1ZR-FAE: Нажмите здесь Click here

      • Для моделей с 1ZR-FE: Нажмите здесь Click here

      • Для моделей с 2ZR-FE: Нажмите здесь Click here

      Результат
      Следующий шаг
      ДАЛЕЕ

    ДАЛЕЕ
  7. ВЫПОЛНИТЕ ИНИЦИАЛИЗАЦИЮ

    Note


    • Выполнение сброса памяти приводит к удалению значений параметров настройки для датчика замедления и рысканья (значение калибровки "нуля" датчика замедления) и давления масла CVT (значение калибровки давления масла CVT). В случае замены каких-либо деталей и узлов из таблицы ниже обязательно произведите сброс памяти, калибровку "нуля" датчика замедления и рысканья и калибровку давления масла CVT.

      Замененный узел

      • Бесступенчатая трансмиссия в сборе

      • ECM

      • Датчик давления масла

      • Центральный блок управления системы SRS (датчик замедления и рысканья)

    • После выполнения сброса памяти всегда производите сначала калибровку датчика замедления и рысканья ("нуля" датчика замедления), а затем калибровку давления масла CVT.

    • Калибровка должна выполняться в автомобиле, находящемся на ровной поверхности.

    • Не допускайте, чтобы автомобиль раскачивался или подвергался вибрации во время калибровки.


    1. Выполните сброс памяти, калибровку "нуля" датчика замедления и калибровку давления масла CVT, используя GTS.

      Нажмите здесь Click here

    2. Вновь проверьте коды DTC.

      Нажмите здесь Click here

      Результат
      Перейти К
      ДАЛЕЕ

    ДАЛЕЕ
  8. ПРОВЕРЬТЕ ЖГУТ ПРОВОДОВ И РАЗЪЕМ (АККУМУЛЯТОРНАЯ БАТАРЕЯ - ДАТЧИК ПОЛОЖЕНИЯ ПАРКИНГА/НЕЙТРАЛИ)


    1. A012H10C20
      *a

      Вид спереди разъема со стороны жгута проводов:

      (к датчику положения паркинга/нейтрали в сборе)

      Отсоедините разъем B110 датчика положения паркинга/нейтрали.

    2. Измерьте напряжение в соответствии со значениями, приведенными в таблице.

      Номинальное напряжение
      Подключение диагностического прибора Условие Заданные условия
      B110-1 (RB) - масса Зажигание включено 11 - 14 В
      B110-1 (RB) - масса Зажигание выключено Менее 1 В
    3. Подсоедините разъем B110 датчика положения паркинга/нейтрали.

      Результат
      Перейти К
      OK
      NG

    NG
    OK
  9. ПРОВЕРЬТЕ ДАТЧИК ПОЛОЖЕНИЯ ПАРКИНГА/НЕЙТРАЛИ В СБОРЕ


    1. A012HX0C25
      *a

      Устройство с неподсоединенным жгутом проводов

      (датчик положения паркинга/нейтрали в сборе)

      Отсоедините разъем B110 датчика положения паркинга/нейтрали.

    2. Измерьте сопротивление в соответствии со значениями, приведенными в таблице ниже.

      Номинальное сопротивление
      Подключение диагностического прибора Условие Заданные условия
      4 (B) - 9 (L) Рычаг переключения передач в положении P или N Менее 1 Ом
      Рычаг переключения передач не в положении P или N 10 кОм или более
      1 (RB) - 3 (PL) Рычаг переключения передач в положении Р Менее 1 Ом
      Рычаг переключения передач не в положении Р 10 кОм или более
      1 (RB) - 2 (RL) Рычаг переключения передач в положении R Менее 1 Ом
      Рычаг переключения передач не в положении R 10 кОм или более
      1 (RB) - 8 (NL) Рычаг переключения передач в положении N Менее 1 Ом
      Рычаг переключения передач не в положении N 10 кОм или более
      1 (RB) - 7 (DL) Рычаг переключения передач в положении D Менее 1 Ом
      Рычаг переключения передач не находится в положении D 10 кОм или более
    3. Подсоедините разъем B110 датчика положения паркинга/нейтрали.

      Результат
      Следующий шаг
      OK
      NG

    NG
    OK
  10. ПРОВЕРЬТЕ ЖГУТ ПРОВОДОВ И РАЗЪЕМ (ДАТЧИК ПОЛОЖЕНИЯ ПАРКИНГА/НЕЙТРАЛИ – ECM)


    1. Отсоедините разъем B110 датчика положения паркинга/нейтрали.

    2. Отсоедините разъем B31 ЕСМ.

    3. Измерьте сопротивление в соответствии со значениями, приведенными в таблице ниже.

      Номинальное сопротивление
      Подключение диагностического прибора Условие Заданные условия
      B110-3 (PL) - B31-99 (P) Всегда Менее 1 Ом
      B110-2 (RL) - B31-79 (R) Всегда Менее 1 Ом
      B110-8 (NL) - B31-97 (N) Всегда Менее 1 Ом
      B110-7 (DL) - B31-81 (D) Всегда Менее 1 Ом
      B110-4 (B) - B31-63 (NSW) Всегда Менее 1 Ом
      B110-3 (PL) или B31-99 (P) - масса и другие контакты Всегда 10 кОм или более
      B110-2 (RL) или B31-79 (R) - масса и другие контакты Всегда 10 кОм или более
      B110-8 (NL) или B31-97 (N) - масса и другие контакты Всегда 10 кОм или более
      B110-7 (DL) или B31-81 (D) - масса и другие контакты Всегда 10 кОм или более
      B110-4 (B) или B31-63 (NSW) - масса и другие контакты Всегда 10 кОм или более
    4. Подсоедините разъем B31 ECM.

    5. Подсоедините разъем B110 датчика положения паркинга/нейтрали.

      Результат
      Перейти К
      OK
      NG

    NG
    OK
  11. ЗАМЕНИТЕ ECM


    1. Замените ECM.


      • Для моделей с 1ZR-FAE: Нажмите здесь Click here

      • Для моделей с 1ZR-FE: Нажмите здесь Click here

      • Для моделей с 2ZR-FE: Нажмите здесь Click here

      Результат
      Перейти К
      ДАЛЕЕ

    ДАЛЕЕ
  12. ВЫПОЛНИТЕ ИНИЦИАЛИЗАЦИЮ

    Note


    • Выполнение сброса памяти приводит к удалению значений параметров настройки для датчика замедления и рысканья (значение калибровки "нуля" датчика замедления) и давления масла CVT (значение калибровки давления масла CVT). В случае замены каких-либо деталей и узлов из таблицы ниже обязательно произведите сброс памяти, калибровку "нуля" датчика замедления и рысканья и калибровку давления масла CVT.

      Замененный узел

      • Бесступенчатая трансмиссия в сборе

      • ECM

      • Датчик давления масла

      • Центральный блок управления системы SRS (датчик замедления и рысканья)

    • После выполнения сброса памяти всегда производите сначала калибровку датчика замедления и рысканья ("нуля" датчика замедления), а затем калибровку давления масла CVT.

    • Калибровка должна выполняться в автомобиле, находящемся на ровной поверхности.

    • Не допускайте, чтобы автомобиль раскачивался или подвергался вибрации во время калибровки.


    1. Выполните сброс памяти, калибровку "нуля" датчика замедления и калибровку давления масла CVT, используя GTS.

      Нажмите здесь Click here

    2. Вновь проверьте коды DTC.

      Нажмите здесь Click here

      Результат
      Перейти К
      ДАЛЕЕ

    ДАЛЕЕ