СИСТЕМА ПОСАДКИ И ЗАПУСКА (для функции запуска), Diagnostic DTC:B2286, P0335

Код DTC Наименование DTC
B2286 Сбой работоспособного сигнала
P0335 Неисправность цепи датчика положения коленчатого вала (сигнал NE)

ОПИСАНИЕ

ЭБУ распределения питания и ECM соединены кабелем и шиной CAN. Данные коды DTC регистрируются, если не согласованы сигналы датчика положения коленчатого вала, передаваемые по кабелю и по шине CAN.

Tech Tips

Когда ЭБУ распределения питания заменяется новым, и к отрицательному (-) выводу аккумуляторной батареи подсоединяется провод, источник питания переходит в режим ON (ВКЛ) (IG). При снятии и последующей установке аккумуляторной батареи восстанавливается режим источника питания, выбранный на момент снятия аккумуляторной батареи.

Код DTC Условие обнаружения DTC Неисправный участок

B2286

P0335

Сигналы датчика положения коленчатого вала, передаваемые по кабелю и по шине CAN, не согласованы.
  • Предохранитель AM2

  • Система управления двигателем

  • ЭБУ распределения питания

  • Жгут или разъем

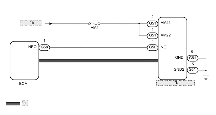
СХЕМА ЭЛЕКТРИЧЕСКИХ СОЕДИНЕНИЙ

A01XGRQE02
A01XGYEE01
для моделей с 2TR-FE
*a от аккумуляторной батареи
*b ЭБУ распределения питания
*c Линия передачи данных CAN
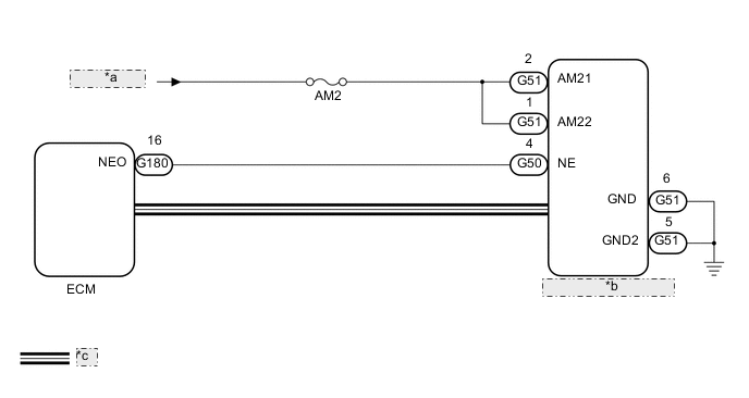
A01XGYEE02
Для моделей с 1KD-FTV
*a от аккумуляторной батареи
*b ЭБУ распределения питания
*c Линия передачи данных CAN
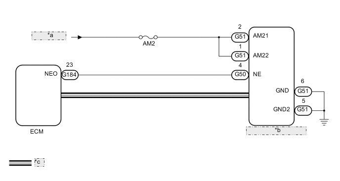
A01XGYEE03
для моделей с 1GD-FTV
*a от аккумуляторной батареи
*b ЭБУ распределения питания
*c Линия передачи данных CAN

ПРЕДОСТЕРЕЖЕНИЕ / ПРИМЕЧАНИЕ / УКАЗАНИЕ

Note


  • При использовании портативного диагностического прибора для диагностики с выключенным зажиганием: Подключите портативный диагностический прибор к автомобилю и с интервалом в 1,5 секунды включайте и выключайте освещение дверного проема до тех пор, пока не установится связь между диагностическим прибором и автомобилем.

  • Перед началом проверки убедитесь в отсутствии неисправностей в системах передачи данных CAN и LIN.

  • Перед выполнением следующей процедуры проверки проверьте предохранители цепей, относящихся к данной системе.

ПОРЯДОК ВЫПОЛНЕНИЯ


  1. ПРОВЕРЬТЕ ЖГУТ ПРОВОДОВ И РАЗЪЕМ (АККУМУЛЯТОРНАЯ БАТАРЕЯ – ЭБУ РАСПРЕДЕЛЕНИЯ ПИТАНИЯ)


    1. A01XDNOE02
      Обозначения на рисунке
      *a

      Вид сзади разъема со стороны жгута проводов

      (к ЭБУ распределения питания)

      Отсоедините разъем G51 ЭБУ распределения питания.

    2. Измерьте напряжение в соответствии со значениями, приведенными в таблице.

      Номинальное напряжение
      Подключение диагностического прибора Условие Заданные условия
      G51-2 (AM21) - масса Всегда 9,5-14 В
      G51-1 (AM22) - масса

    NG
    OK
  2. ПРОВЕРЬТЕ ЖГУТ ПРОВОДОВ И РАЗЪЕМ (ЭБУ РАСПРЕДЕЛЕНИЯ ПИТАНИЯ – МАССА)


    1. Отсоедините разъем G51 ЭБУ распределения питания.

    2. A01XFLWE02
      Обозначения на рисунке
      *a

      Вид сзади разъема со стороны жгута проводов

      (к ЭБУ распределения питания)

      Измерьте сопротивление в соответствии со значениями, приведенными в таблице ниже.

      Номинальное сопротивление
      Подключение диагностического прибора Условие Заданные условия
      G51-6 (GND) - масса Всегда Менее 1 Ом
      G51-5 (GND2) - масса

    NG
    OK
  3. ПРОВЕРЬТЕ ЖГУТ ПРОВОДОВ И РАЗЪЕМ (ЭБУ РАСПРЕДЕЛЕНИЯ ПИТАНИЯ – ЕСМ)


    1. Отсоедините разъем G50 ЭБУ распределения питания.

    2. Отсоедините разъем G56*1, C35*2, G180*3, G58*4 или G184*5 ECM.


      • *1: для моделей с 1GR-FE (автоматическая трансмиссия)

      • *2: для моделей с 1GR-FE (механическая трансмиссия)

      • *3: для моделей с 2TR-FE

      • *4: для моделей с 1KD-FTV

      • *5: для моделей с 1GD-FTV

    3. Измерьте сопротивление в соответствии со значениями, приведенными в таблице ниже.

      Номинальное сопротивление
      для моделей с 1GR-FE (автоматическая трансмиссия)
      Подключение диагностического прибора Условие Заданные условия
      G50-4 (NE) - G56-13 (NEO) Всегда Менее 1 Ом
      G50-4 (NE) - масса Всегда 10 кОм или более
      для моделей с 1GR-FE (механическая трансмиссия)
      Подключение диагностического прибора Условие Заданные условия
      G50-4 (NE) - C35-29 (NEO) Всегда Менее 1 Ом
      G50-4 (NE) - масса Всегда 10 кОм или более
      для моделей с 2TR-FE
      Подключение диагностического прибора Условие Заданные условия
      G50-4 (NE) - G180-16 (NEO) Всегда Менее 1 Ом
      G50-4 (NE) - масса Всегда 10 кОм или более
      для моделей с 1KD-FTV
      Подключение диагностического прибора Условие Заданные условия
      G50-4 (NE) - G58-1 (NEO) Всегда Менее 1 Ом
      G50-4 (NE) - масса Всегда 10 кОм или более
      для моделей с 1GD-FTV
      Подключение диагностического прибора Условие Заданные условия
      G50-4 (NE) - G184-23 (NEO) Всегда Менее 1 Ом
      G50-4 (NE) - масса Всегда 10 кОм или более

    NG
    OK
  4. СНИМИТЕ ПОКАЗАНИЯ С ПОМОЩЬЮ ПОРТАТИВНОГО ДИАГНОСТИЧЕСКОГО ПРИБОРА (СОСТОЯНИЕ ДВИГАТЕЛЯ)


    1. Подсоедините портативный диагностический прибор к DLC3.

    2. Включите зажигание (IG).

    3. Включите портативный диагностический прибор.

    4. Войдите в следующие меню: Body / Power Source Control / Data List.

    5. В соответствии с указаниями на дисплее портативного диагностического прибора считайте данные в режиме Data List.

      Power Source Control
      Информация на дисплее прибора Измеряемая величина / диапазон измерения Нормальное состояние Замечание по диагностике
      Engine Condition Состояние двигателя / Stop или Run

      Stop: Двигатель остановлен

      Run: Двигатель работает

      -
      OK
      В соответствии с состоянием двигателя на экране отображается Stop (двигатель остановлен) или Run (двигатель работает).
      Результат
      Результат Перейти к
      OK (для моделей с 1GR-FE и 2TR-FE) А
      OK (для моделей с 1KD-FTV и 1GD-FTV) B
      NG C

      Tech Tips


      • Для моделей с 1GR-FE:

        Если возникает необходимость в использовании системы SFI, обратитесь к следующим процедурам (см. стр. Click here).

      • Для моделей с 2TR-FE:

        Если возникает необходимость в использовании системы SFI, обратитесь к следующим процедурам (см. стр. Click here).

      • Для моделей с 1KD-FTV:

        Если возникает необходимость в использовании системы ECD, обратитесь к следующим процедурам (см. стр. Click here).

      • Для моделей с 1GD-FTV:

        Если возникает необходимость в использовании системы ECD, обратитесь к следующим процедурам (см. стр. Click here).

      • Для моделей с 1GD-FTV (для моделей с системой SCR на мочевине):

        Если возникает необходимость в использовании системы ECD, обратитесь к следующим процедурам (см. стр. Click here).


    А
    B
    C
  5. ПРОВЕРЬТЕ ЭБУ РАСПРЕДЕЛЕНИЯ ПИТАНИЯ


    1. Подсоедините разъемы ЭБУ распределения питания.

      A01XGT3E01
      Обозначения на рисунке
      *a

      Устройство с подсоединенным жгутом проводов

      (ЭБУ распределения питания)

      - -
    2. С помощью осциллографа проверьте форму входного сигнала частоты вращения коленчатого вала двигателя на контакте ЭБУ распределения питания.

      Номинальная частота
      Подключение диагностического прибора Условие Заданные условия
      G50-4 (NE) - масса Двигатель остановлен Импульсы не формируются
      Двигатель работает

      Импульсы формируются

      (1000 об/мин: 200 Гц)

      Результат
      Результат Перейти к
      OK А
      NG (для моделей с 1GR-FE и 2TR-FE) B
      NG (для моделей с 1KD-FTV и 1GD-FTV) C

      Tech Tips


      • Для моделей с 1GR-FE:

        Если возникает необходимость в использовании системы SFI, обратитесь к следующим процедурам (см. стр. Click here).

      • Для моделей с 2TR-FE:

        Если возникает необходимость в использовании системы SFI, обратитесь к следующим процедурам (см. стр. Click here).

      • Для моделей с 1KD-FTV:

        Если возникает необходимость в использовании системы ECD, обратитесь к следующим процедурам (см. стр. Click here).

      • Для моделей с 1GD-FTV:

        Если возникает необходимость в использовании системы ECD, обратитесь к следующим процедурам (см. стр. Click here).

      • Для моделей с 1GD-FTV (для моделей с системой SCR на мочевине):

        Если возникает необходимость в использовании системы ECD, обратитесь к следующим процедурам (см. стр. Click here).


    А
    B
    C