СИСТЕМА ПОСАДКИ И ЗАПУСКА (для функции запуска) Не изменяется режим работы источника питания– питание не включается (IG)

ОПИСАНИЕ

При нажатии выключателя зажигания, когда передатчик электронного ключа находится в салоне, ЭБУ сертификации (ЭБУ электронного ключа зажигания в сборе) получает сигнал и изменяет режим источника питания.

Связанные параметры режимов Data List и Active Test
Признаки неисправностей Режимы Data List и Active Test
Режим работы источника питания ON (ВКЛ) (IG) не устанавливается, но режим ON (ВКЛ) (ACC) устанавливается

    Power Source Control

  • Power Supply Condition

  • IG Relay Monitor (Inside)

  • IG Relay Monitor (Outside)

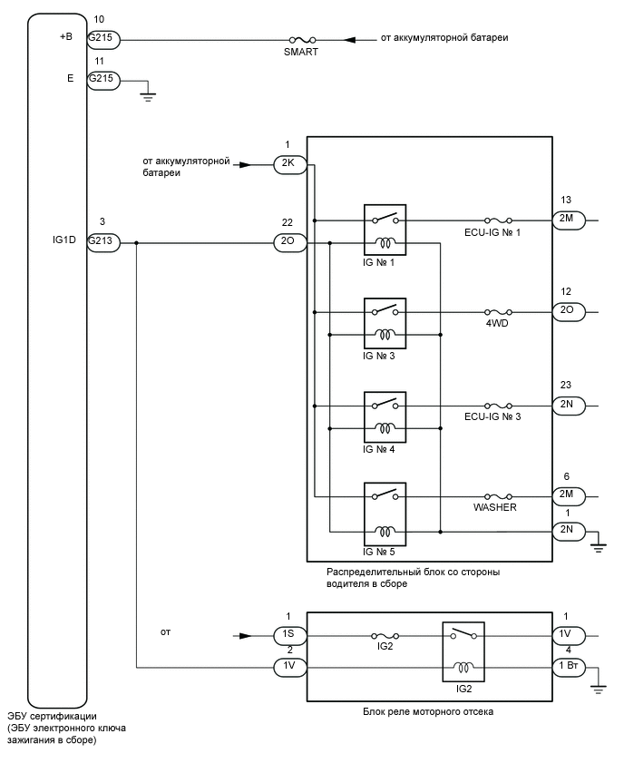
СХЕМА ЭЛЕКТРИЧЕСКИХ СОЕДИНЕНИЙ

B001G99E01

ПРЕДОСТЕРЕЖЕНИЕ / ПРИМЕЧАНИЕ / УКАЗАНИЕ

Note


  • При использовании GTS с выключенным зажиганием двигателя, подсоедините GTS к DLC3 и включайте и выключайте освещение проема двери с интервалами 1,5 секунды или менее до тех пор, пока не начнется обмен данными между GTS и автомобилем. Затем выберите код модели "KEY REGIST" в ручном режиме и войдите в следующие пункты меню: Body Electrical / Entry&Start(CAN). При использовании GTS периодически включайте и выключайте выключатель освещения дверного проема с интервалом не более 1,5 с, чтобы поддерживать связь между GTS и автомобилем.

  • Убедитесь в том, что коды DTC не выводятся. Если выводятся какие-либо DTC, обратитесь к таблице диагностических кодов неисправностей.

  • Если система посадки и запуска (для функции запуска) отключена, то перед началом диагностики включите систему.

    Нажмите здесь Click here

  • Перед выполнением последующей процедуры проверки проверьте плавкие предохранители цепей, относящихся к данной системе.

  • Перед заменой ЭБУ сертификации (ЭБУ электронного ключа зажигания) изучите бюллетень технического обслуживания.

  • По окончании ремонта убедитесь, что неисправность не проявляется вновь.

  • После ремонта выполните операцию "Подтверждение вывода кода DTC" и убедитесь, что коды DTC не выводятся.

ПОРЯДОК ВЫПОЛНЕНИЯ


  1. ПРОВЕРЬТЕ DTC


    1. Подключите GTS к DLC3.

    2. Включите зажигание (IG).

    3. Включите GTS.

    4. Войдите в следующие меню: Body Electrical / Entry&Start, Power Source Control / Trouble Codes.

    5. Проверьте наличие кодов DTC.

      Нажмите здесь Click here

      Результат
      Результат Следующий шаг
      DTC не выводятся. А
      Выводятся DTC системы посадки и запуска (функции запуска) B

    B
    А
  2. ПРОВЕРЬТЕ ЭБУ СЕРТИФИКАЦИИ (ЭБУ ЭЛЕКТРОННОГО КЛЮЧА)


    1. B001I4CC01
      *a

      Устройство с подсоединенным жгутом проводов

      (ЭБУ сертификации (ЭБУ электронного ключа зажигания в сборе))

      Измерьте напряжение в соответствии со значениями, приведенными в таблице.

      Номинальное напряжение
      Подключение диагностического прибора Положение переключателя Заданные условия
      G213-3 (IG1D) - масса Выключатель зажигания в состоянии ON (ВКЛ) (ACC) → в состоянии ON (ВКЛ) (IG) 1 В или менее → 8,5 В или более
      Результат
      Перейти к
      OK
      NG

    NG
    OK
  3. ПРОВЕРЬТЕ ЖГУТ ПРОВОДОВ И РАЗЪЕМ (РАСПРЕДЕЛИТЕЛЬНЫЙ БЛОК СО СТОРОНЫ ВОДИТЕЛЯ В СБОРЕ — ЭБУ СЕРТИФИКАЦИИ (ЭБУ ЭЛЕКТРОННОГО КЛЮЧА ЗАЖИГАНИЯ В СБОРЕ), ИСТОЧНИК ПИТАНИЯ И МАССА)


    1. Отсоедините разъем G213 ЭБУ сертификации (ЭБУ электронного ключа зажигания в сборе).

    2. Отсоедините разъемы 2K, 2O и 2N распределительного блока со стороны водителя.

    3. Измерьте сопротивление в соответствии со значениями, приведенными в таблице ниже.

      Номинальное сопротивление
      Подключение диагностического прибора Условие Заданные условия
      G213-3 (IG1D) - 2O-22 Всегда Менее 1 Ом
      2N-1 - масса Всегда Менее 1 Ом
      G213-3 (IG1D) или 2O-22 - масса Всегда 10 кОм или более
    4. Измерьте напряжение в соответствии со значениями, приведенными в таблице.

      Номинальное напряжение
      Подключение диагностического прибора Условие Заданные условия
      2K-1 - масса Всегда 11-14 В
    5. Подсоедините разъем G213 ЭБУ сертификации (ЭБУ электронного ключа зажигания в сборе).

      Результат
      Перейти к
      OK
      NG

    NG
    OK
  4. ПРОВЕРЬТЕ РАСПРЕДЕЛИТЕЛЬНЫЙ БЛОК СО СТОРОНЫ ВОДИТЕЛЯ В СБОРЕ (РЕЛЕ IG № 1, IG № 3, IG № 4 И IG № 5)


    1. Снимите распределительный блок со стороны водителя в сборе.

      Нажмите здесь Click here

    2. Подсоедините все разъемы распределительного блока со стороны водителя в сборе.

      B001GIDC01
      *a

      Устройство с подсоединенным жгутом проводов

      (распределительный блок со стороны водителя в сборе)

      - -
    3. Измерьте напряжение в соответствии со значениями, приведенными в таблице.

      Номинальное напряжение
      Подключение диагностического прибора Положение переключателя Заданные условия
      2M-13 - масса Зажигание включено (IG) 9-14 В
      2O-12 - масса Зажигание включено (IG) 9-14 В
      2N-23 - масса Зажигание включено (IG) 9-14 В
      2M-6 - масса Зажигание включено (IG) 9-14 В
      Результат
      Следующий шаг
      OK
      NG

    NG
    OK
  5. ПРОВЕРЬТЕ ЖГУТ ПРОВОДОВ И РАЗЪЕМ (БЛОК РЕЛЕ МОТОРНОГО ОТСЕКА — ЭБУ СЕРТИФИКАЦИИ (ЭБУ ЭЛЕКТРОННОГО КЛЮЧА ЗАЖИГАНИЯ В СБОРЕ), ИСТОЧНИК ПИТАНИЯ И МАССА)


    1. Отсоедините разъем G213 ЭБУ сертификации (ЭБУ электронного ключа зажигания в сборе).

    2. Отсоедините разъемы 1V, 1W и 1S распределительного блока моторного отсека.

    3. Отсоедините разъем 2O распределительного блока со стороны водителя в сборе.

    4. Измерьте сопротивление в соответствии со значениями, приведенными в таблице ниже.

      Номинальное сопротивление
      Подключение диагностического прибора Условие Заданные условия
      G213-3 (IG1D) - 1V-2 Всегда Менее 1 Ом
      1W-4 - масса Всегда Менее 1 Ом
      G213-3 (IG1D) или 1V-2 - масса Всегда 10 кОм или более
    5. Измерьте напряжение в соответствии со значениями, приведенными в таблице.

      Номинальное напряжение
      Подключение диагностического прибора Условие Заданные условия
      1S-1 - масса Всегда 11-14 В
    6. Подсоедините разъем G213 ЭБУ сертификации (ЭБУ электронного ключа зажигания в сборе).

      Результат
      Следующий шаг
      OK
      NG

    NG
    OK
  6. ПРОВЕРЬТЕ БЛОК РЕЛЕ МОТОРНОГО ОТСЕКА (РЕЛЕ IG2)


    1. Подсоедините все разъемы блока реле моторного отсека.

      B001E08C01
      *a

      Устройство с подсоединенным жгутом проводов

      (блок реле моторного отсека)

      - -
    2. Измерьте напряжение в соответствии со значениями, приведенными в таблице.

      Номинальное напряжение
      Подключение диагностического прибора Положение переключателя Заданные условия
      1V-1 - масса Зажигание включено (IG) 9-14 В
      Результат
      Перейти к
      OK
      NG

    OK
    NG