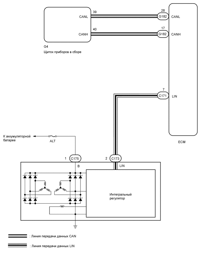
СИСТЕМА ЗАРЯДКИ АККУМУЛЯТОРНОЙ БАТАРЕИ СХЕМА СИСТЕМЫ

A01XGY6E02