СИСТЕМА БЛОКИРОВКИ РУЛЕВОГО УПРАВЛЕНИЯ СХЕМА СИСТЕМЫ

B001GXDE02
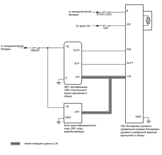
Описание цепи
Устройство Описание
ЭБУ блокировки рулевого управления (привод блокировки рулевого управления верхний кронштейн в сборе)
  • Рулевое управление блокируется и разблокируется посредством обмена данными с ЭБУ сертификации (ЭБУ электронного ключа зажигания) и блоком идентификационного кода (ЭБУ кода иммобилайзера) по шине LIN.


  • Разблокировка рулевого управления возможна при выполнении следующих условий.


    • Согласованы коды (L) блока идентификационного кода (ЭБУ кода иммобилайзера) и блокировки рулевого управления.

    • Согласованы коды (S) блока идентификационного кода (ЭБУ кода иммобилайзера) и ЭБУ сертификации (ЭБУ электронного ключа зажигания).

    • Согласованы коды ЭБУ сертификации (ЭБУ электронного ключа зажигания) и идентификатора ключа.

ЭБУ сертификации (ЭБУ электронного ключа зажигания в сборе)
  • Идентификационный код ключа, который имеет при себе пользователь, передается в приемник системы блокировки дверей.

  • ЭБУ сертификации (ЭБУ электронного ключа зажигания) сравнивает идентификационный код ключа, полученный от приемника системы управления замками дверей, с собственным идентификационным кодом. Если они совпадают, ЭБУ сертификации (ЭБУ электронного ключа зажигания) разрешает ЭБУ блокировки рулевого управления (приводу блокировки рулевого управления или верхнему кронштейну в сборе) включать питание, запускать двигатель и разблокировать/блокировать рулевое управление.

  • Формирует команду подачи питания на электродвигатель блокировки рулевого управления в соответствии с режимом источника питания, положением рычага переключения передач и сигналом скорости автомобиля.

Блок идентификационного кода (ЭБУ кода иммобилайзера) Принимает команды на включение и выключение иммобилайзера от ЭБУ сертификации (ЭБУ электронного ключа зажигания в сборе) по шине LIN.