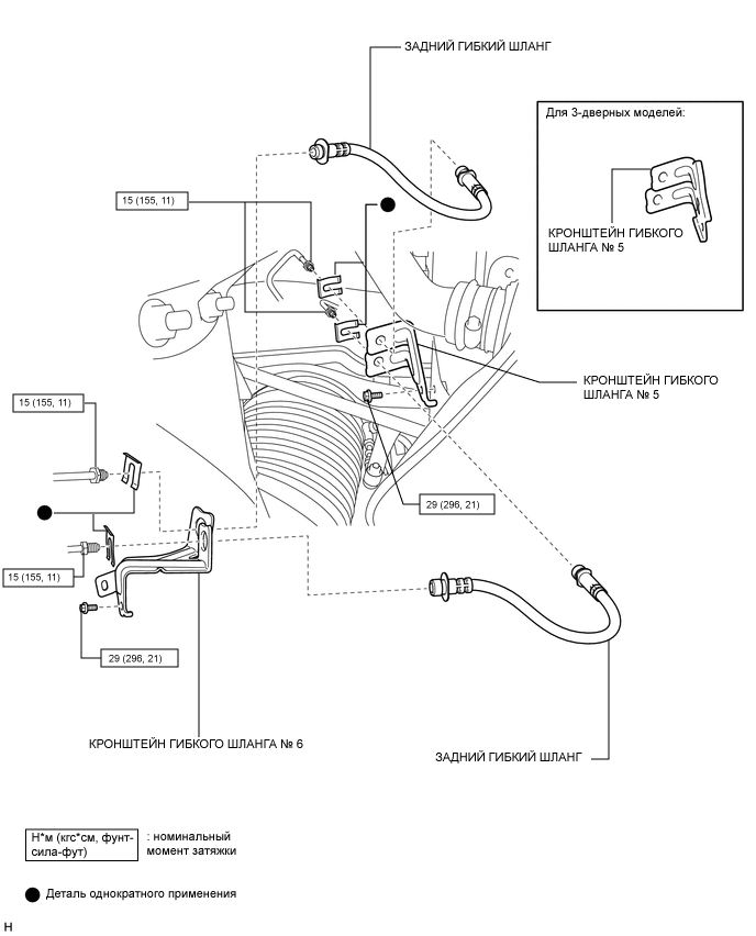
ГИБКИЙ ШЛАНГ ЗАДНЕГО ТОРМОЗА УЗЛЫ И ДЕТАЛИ

ИЛЛЮСТРАЦИЯ

A01XGJ5E02

ИЛЛЮСТРАЦИЯ

A01XJ9SE02