СИСТЕМА МЕХАНИЗМА ОТКРЫВАНИЯ ЗАДНЕГО СТЕКЛА Механизм открывания заднего стекла не работает

ОПИСАНИЕ

Механизм открывания заднего стекла позволяет открывать стекло двери багажного отделения при нажатии выключателя механизма открывания заднего стекла.

СХЕМА СОЕДИНЕНИЙ

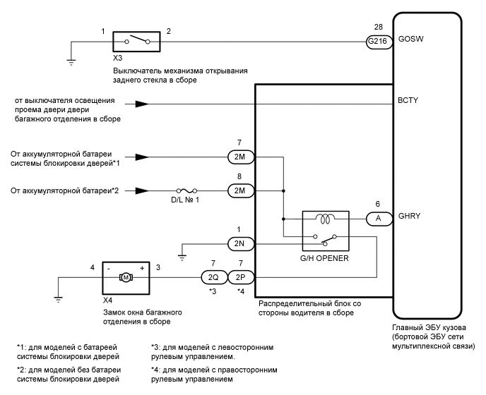
Figure 1. Кроме моделей с 5L-E:

B001CM4E01

Figure 2. Для моделей с 5L-E:

B001DL9E01

ПРЕДОСТЕРЕЖЕНИЕ / ПРИМЕЧАНИЕ / УКАЗАНИЕ

Note


  • Перед выполнением следующей процедуры проверки проверьте предохранители цепей, относящихся к данной системе.

  • В случае замены главного ЭБУ кузова (бортового ЭБУ сети мультиплексной связи) обратитесь к бюллетеню технического обслуживания.*


    • *: для моделей с системой посадки и запуска

ПОРЯДОК ВЫПОЛНЕНИЯ


  1. ПРОВЕРЬТЕ ТИП АВТОМОБИЛЯ


    1. Проверьте тип автомобиля.

      Результат
      Результат Перейти к
      кроме моделей с 5L-E А
      для моделей с 5L-E B

    B
    А
  2. СНИМИТЕ ПОКАЗАНИЯ GTS (BACK DOOR COURTESY SW)


    1. Проверьте в режиме Data List, что выключатель освещения дверного проема исправен.

      Нажмите здесь Click here

      Main Body (Кузов)
      Информация на дисплее прибора Измеряемая величина / диапазон измерения Нормальное состояние Замечание по диагностике
      Back Door Courtesy SW Сигнал выключателя освещения проема двери багажного отделения / ON (ВКЛ) или OFF (ВЫКЛ)

      ON (ВКЛ): Открывание двери багажного отделения

      OFF (ВЫКЛ): Дверь багажного отделения закрыта

      -
      OK
      Параметр на экране портативного диагностического прибора имеет значение ON (ВКЛ) или OFF(ВЫКЛ) в соответствии с данными таблицы.
      Результат
      Следующий шаг
      OK
      NG

    NG
    OK
  3. ПРОВЕРКА СИСТЕМЫ


    1. Убедитесь, что автомобиль оснащен системой посадки и запуска.

      Результат
      Результат Следующий шаг
      для моделей с системой посадки и запуска А
      для моделей без системы посадки и запуска B

    B
    А
  4. ПРОВЕРЬТЕ СИСТЕМУ ПОСАДКИ И ЗАПУСКА (для функции посадки)


    1. Убедитесь, что заднее стекло открывается при управлении выключателем блокировки системы посадки двери багажного отделения.

      OK
      Функция блокировки системы посадки для двери багажного отделения работает нормально.
      Результат
      Следующий шаг
      OK
      NG

    NG
    OK
  5. СНИМИТЕ ПОКАЗАНИЯ GTS (GLASS HATCH OPENER SWITCH)


    1. Проверьте в режиме DATA LIST, что выключатель механизма открывания стеклянного люка исправен.

      Нажмите здесь Click here

      Main Body (Кузов)
      Информация на дисплее прибора Измеряемая величина / диапазон измерения Нормальное состояние Замечание по диагностике
      Glass Hatch Opener Switch Сигнал выключателя механизма открывания заднего стекла / ON (ВКЛ) или OFF (ВЫКЛ)

      ON (ВКЛ): Выключатель механизма открывания заднего стекла включен

      OFF (ВЫКЛ): Выключатель механизма открывания заднего стекла не включен

      -
      OK
      Выключатель механизма открывания заднего стекла работает.
      Результат
      Следующий шаг
      OK
      NG

    NG
    OK
  6. ВЫПОЛНИТЕ АКТИВНУЮ ДИАГНОСТИКУ С ПОМОЩЬЮ GTS (GLASS HATCH OPEN)


    1. При помощи GTS выполните активную диагностику.

      Нажмите здесь Click here

      Main Body (Кузов)
      Информация на дисплее прибора Испытываемое устройство Диапазон регулирования Замечание по диагностике
      Glass Hatch Open Управление задним стеклом ON (ВКЛ) / OFF (ВЫКЛ) -
      OK
      Заднее стекло открыто.
      Результат
      Следующий шаг
      OK
      NG

    OK
    NG
  7. ПРОВЕРЬТЕ ЗАМОК ЗАДНЕГО ОКНА В СБОРЕ


    1. Снимите замок окна двери багажного отделения в сборе.

      Нажмите здесь Click here

    2. Проверьте замок окна двери багажного отделения в сборе.

      Нажмите здесь Click here

      Результат
      Следующий шаг
      OK
      NG

    NG
    OK
  8. ПРОВЕРЬТЕ ЖГУТ ПРОВОДОВ И РАЗЪЕМ (ЗАМОК ЗАДНЕГО ОКНА В СБОРЕ — РАСПРЕДЕЛИТЕЛЬНЫЙ БЛОК СО СТОРОНЫ ВОДИТЕЛЯ В СБОРЕ И МАССА)


    1. Отсоедините разъем X4 замка заднего окна.

    2. Отсоедините разъем 2Q*1 или 2P*2 распределительного блока со стороны водителя в сборе.


      • *1: для моделей с левосторонним рулевым управлением

      • *2: для моделей с правосторонним рулевым управлением

    3. Измерьте сопротивление в соответствии со значениями, приведенными в таблице ниже.

      Номинальное сопротивление
      Для моделей с левосторонним рулевым управлением
      Подключение диагностического прибора Условие Заданные условия
      X4-3 (+) - 2Q-7 Всегда Менее 1 Ом
      X4-4 (-) - масса Всегда Менее 1 Ом
      X4-3 (+) - масса Всегда 10 кОм или более
      Для моделей с правосторонним рулевым управлением
      Подключение диагностического прибора Условие Заданные условия
      X4-3 (+) - 2P-7 Всегда Менее 1 Ом
      X4-4 (-) - масса Всегда Менее 1 Ом
      X4-3 (+) - масса Всегда 10 кОм или более
      Результат
      Следующий шаг
      OK
      NG

    NG
    OK
  9. ПРОВЕРЬТЕ РАСПРЕДЕЛИТЕЛЬНЫЙ БЛОК СО СТОРОНЫ ВОДИТЕЛЯ В СБОРЕ


    1. Извлеките главный ЭБУ кузова (бортовой ЭБУ сети мультиплексной связи) из распределительного блока со стороны водителя в сборе.

      Нажмите здесь Click here

    2. Измерьте напряжение в соответствии со значениями, приведенными в таблице.

      B001DDAC01
      *A Для моделей с левосторонним рулевым управлением *B Для моделей с правосторонним рулевым управлением
      Номинальное напряжение
      для моделей с батареей системы блокировки дверей
      Подключение диагностического прибора Условие Заданные условия

      2Q-7 - отрицательный вывод аккумуляторной батареи (-)*1

      2P-7 - отрицательный вывод аккумуляторной батареи (-)*2

      Аккумуляторная батарея не подсоединена к контактам 2M-7 и A-6 (GHRY) Менее 1 В

      Положительный (+) вывод аккумуляторной батареи → 2M-7

      Отрицательный вывод аккумуляторной батареи (-) → A-6 (GHRY)

      11–14 В
      *1: для моделей с левосторонним рулевым управлением
      *2: для моделей с правосторонним рулевым управлением
      для моделей без батареи системы блокировки дверей
      Подключение диагностического прибора Условие Заданные условия

      2Q-7 - отрицательный вывод аккумуляторной батареи (-)*1

      2P-7 - отрицательный вывод аккумуляторной батареи (-)*2

      Аккумуляторная батарея не подсоединена к контактам 2M-8 и A-6 (GHRY) Менее 1 В

      Положительный (+) вывод аккумуляторной батареи → 2M-8

      Отрицательный вывод аккумуляторной батареи (-) → A-6 (GHRY)

      11–14 В
      *1: для моделей с левосторонним рулевым управлением
      *2: для моделей с правосторонним рулевым управлением
      Результат
      Следующий шаг
      OK
      NG

    OK
    NG
  10. ПРОВЕРЬТЕ ВЫКЛЮЧАТЕЛЬ МЕХАНИЗМА ОТКРЫВАНИЯ ЗАДНЕГО СТЕКЛА


    1. Снимите выключатель механизма открывания заднего стекла в сборе.

      Нажмите здесь Click here

    2. Проверьте выключатель механизма открывания заднего стекла в сборе.

      Нажмите здесь Click here

      Результат
      Следующий шаг
      OK
      NG

    NG
    OK
  11. ПРОВЕРЬТЕ ЖГУТ ПРОВОДОВ И РАЗЪЕМ (ВЫКЛЮЧАТЕЛЬ МЕХАНИЗМА ОТКРЫВАНИЯ ЗАДНЕГО СТЕКЛА В СБОРЕ - ГЛАВНЫЙ ЭБУ КУЗОВА (БОРТОВОЙ ЭБУ СЕТИ МУЛЬТИПЛЕКСНОЙ СВЯЗИ) И МАССА)


    1. Отсоедините разъем X3 выключателя механизма открывания заднего стекла.

    2. Отсоедините разъем G216 главного ЭБУ кузова (бортового ЭБУ сети мультиплексной связи).

    3. Измерьте сопротивление в соответствии со значениями, приведенными в таблице ниже.

      Номинальное сопротивление
      Контакты для подключения диагностического прибора Условие Номинальное значение
      X3-2 - G216-28 (GOSW) Всегда Менее 1 Ом
      X3-1 - масса Всегда Менее 1 Ом
      X3-2 - масса Всегда 10 кОм или более
      Результат
      Следующий шаг
      OK
      NG

    OK
    NG
  12. СНИМИТЕ ПОКАЗАНИЯ GTS (BACK DOOR COURTESY SW)


    1. Проверьте в режиме Data List, что выключатель освещения дверного проема исправен.

      Нажмите здесь Click here

      Main Body (Кузов)
      Информация на дисплее прибора Измеряемая величина / диапазон измерения Нормальное состояние Замечание по диагностике
      Back Door Courtesy SW Сигнал выключателя освещения проема двери багажного отделения / ON (ВКЛ) или OFF (ВЫКЛ)

      ON (ВКЛ): дверь багажного отделения открыта

      OFF (ВЫКЛ): дверь багажного отделения закрыта

      -
      OK
      Параметр на экране портативного диагностического прибора имеет значение ON (ВКЛ) или OFF(ВЫКЛ) в соответствии с данными таблицы.
      Результат
      Следующий шаг
      OK
      NG

    NG
    OK
  13. СНИМИТЕ ПОКАЗАНИЯ GTS (GLASS HATCH OPENER SWITCH)


    1. Проверьте в режиме DATA LIST, что выключатель механизма открывания стеклянного люка исправен.

      Нажмите здесь Click here

      Main Body (Кузов)
      Информация на дисплее прибора Измеряемая величина / диапазон измерения Нормальное состояние Замечание по диагностике
      Glass Hatch Opener Switch Сигнал выключателя механизма открывания заднего стекла / ON (ВКЛ) или OFF (ВЫКЛ)

      ON (ВКЛ): Выключатель механизма открывания заднего стекла включен

      OFF (ВЫКЛ): Выключатель механизма открывания заднего стекла не включен

      -
      Результат
      Результат Следующий шаг
      Выключатель механизма открывания заднего стекла не работает А
      Выключатель механизма открывания заднего стекла работает B

    B
    А
  14. ПРОВЕРЬТЕ ВЫКЛЮЧАТЕЛЬ МЕХАНИЗМА ОТКРЫВАНИЯ ЗАДНЕГО СТЕКЛА


    1. Снимите выключатель механизма открывания заднего стекла в сборе.

      Нажмите здесь Click here

    2. Проверьте выключатель механизма открывания заднего стекла в сборе.

      Нажмите здесь Click here

      Результат
      Перейти к
      OK
      NG

    NG
    OK
  15. ПРОВЕРЬТЕ ЖГУТ ПРОВОДОВ И РАЗЪЕМ (ВЫКЛЮЧАТЕЛЬ МЕХАНИЗМА ОТКРЫВАНИЯ ЗАДНЕГО СТЕКЛА В СБОРЕ - ГЛАВНЫЙ ЭБУ КУЗОВА (БОРТОВОЙ ЭБУ СЕТИ МУЛЬТИПЛЕКСНОЙ СВЯЗИ) И МАССА)


    1. Отсоедините разъем X3 выключателя механизма открывания заднего стекла.

    2. Отсоедините разъем G63 главного ЭБУ кузова (бортового ЭБУ сети мультиплексной связи).

    3. Измерьте сопротивление в соответствии со значениями, приведенными в таблице ниже.

      Номинальное сопротивление
      Подключение диагностического прибора Условие Заданные условия
      X3-2 - G63-17 (GOSW) Всегда Менее 1 Ом
      X3-1 - масса Всегда Менее 1 Ом
      X3-2 - масса Всегда 10 кОм или более
      Результат
      Следующий шаг
      OK
      NG

    OK
    NG
  16. ВЫПОЛНИТЕ АКТИВНУЮ ДИАГНОСТИКУ С ПОМОЩЬЮ GTS (GLASS HATCH OPEN)


    1. При помощи GTS выполните активную диагностику.

      Нажмите здесь Click here

      Main Body (Кузов)
      Информация на дисплее прибора Испытываемое устройство Диапазон регулирования Замечание по диагностике
      Glass Hatch Open Управление задним стеклом ON (ВКЛ) / OFF (ВЫКЛ) -
      OK
      Заднее стекло открыто.
      Результат
      Перейти к
      OK
      NG

    OK
    NG
  17. ПРОВЕРЬТЕ ЗАМОК ЗАДНЕГО ОКНА В СБОРЕ


    1. Снимите замок окна двери багажного отделения в сборе.

      Нажмите здесь Click here

    2. Проверьте замок окна двери багажного отделения в сборе.

      Нажмите здесь Click here

      Результат
      Перейти к
      OK
      NG

    NG
    OK
  18. ПРОВЕРЬТЕ ЖГУТ ПРОВОДОВ И РАЗЪЕМ (ЗАМОК ЗАДНЕГО ОКНА В СБОРЕ — РАСПРЕДЕЛИТЕЛЬНЫЙ БЛОК СО СТОРОНЫ ВОДИТЕЛЯ В СБОРЕ И МАССА)


    1. Отсоедините разъем X4 замка заднего окна.

    2. Отсоедините разъем 2I*1 или 2H*2 распределительного блока со стороны водителя в сборе.


      • *1: для моделей с левосторонним рулевым управлением

      • *2: для моделей с правосторонним рулевым управлением

    3. Измерьте сопротивление в соответствии со значениями, приведенными в таблице ниже.

      Номинальное сопротивление
      Для моделей с левосторонним рулевым управлением
      Подключение диагностического прибора Условие Заданные условия
      X4-3 (+) - 2I-9 Всегда Менее 1 Ом
      X4-4 (-) - масса Всегда Менее 1 Ом
      X4-3 (+) - масса Всегда 10 кОм или более
      Для моделей с правосторонним рулевым управлением
      Подключение диагностического прибора Условие Заданные условия
      X4-3 (+) - 2H-9 Всегда Менее 1 Ом
      X4-4 (-) - масса Всегда Менее 1 Ом
      X4-3 (+) - масса Всегда 10 кОм или более
      Результат
      Перейти к
      OK
      NG

    NG
    OK
  19. ПРОВЕРЬТЕ РАСПРЕДЕЛИТЕЛЬНЫЙ БЛОК СО СТОРОНЫ ВОДИТЕЛЯ В СБОРЕ


    1. Извлеките главный ЭБУ кузова (бортовой ЭБУ сети мультиплексной связи) из распределительного блока со стороны водителя в сборе.

      Нажмите здесь Click here

    2. Измерьте напряжение в соответствии со значениями, приведенными в таблице.

      B001DOSC01
      *A Для моделей с левосторонним рулевым управлением *B Для моделей с правосторонним рулевым управлением
      Номинальное напряжение
      Подключение диагностического прибора Условие Заданные условия

      2I-9 - отрицательный вывод аккумуляторной батареи (-)*1

      2H-9 - отрицательный вывод аккумуляторной батареи (-)*2

      Аккумуляторная батарея не подсоединена к контактам 2K-1 и A-6 (GHRY) Менее 1 В

      Положительный (+) вывод аккумуляторной батареи → 2K-1

      Отрицательный вывод аккумуляторной батареи (-) → A-6 (GHRY)

      11-14 В
      *1: для моделей с левосторонним рулевым управлением
      *2: для моделей с правосторонним рулевым управлением
      Результат
      Следующий шаг
      OK
      NG

    OK
    NG