СИСТЕМА АВТОМАТИЧЕСКОЙ ТРАНСМИССИИ (для моделей с 1KD-FTV), Diagnostic DTC:P0705

Код DTC Наименование DTC
P0705 Неисправность в цепи датчика диапазона трансмиссии (вход PRNDL)

ОПИСАНИЕ

Датчик положения паркинга/нейтрали (PNP) определяет положение рычага переключения передач и передает соответствующие сигналы в TCM.

Код DTC Условие обнаружения DTC Неисправный участок
P0705

Выполняется одно из следующих условий:

(A) Одновременно включены 2 или более сигналов из перечисленных ниже (логика диагностирования за 2 поездки):


  • Входной сигнал P

  • Входной сигнал N

  • Входной сигнал NSW

  • Входной сигнал R

  • Входной сигнал D

(B) Какой-либо из перечисленных ниже сигналов включен в течение не менее 2,0 с, когда рычаг переключения передач находится в положении S (логика диагностирования за 2 поездки):


  • Входной сигнал P

  • Входной сигнал N

  • Входной сигнал NSW

  • Входной сигнал R

(C) Одновременно выключены датчики P, R, N, D и NSW (логика диагностирования за 2 поездки).


  • Обрыв или короткое замыкание в цепи датчика положения паркинга/нейтрали

  • Датчик положения селектора передач (напольный механизм переключения передач в сборе)

  • Датчик положения паркинга/нейтрали

  • TCM

ОПИСАНИЕ РАБОТЫ СИСТЕМЫ КОНТРОЛЯ

Этот DTC указывает на неисправность датчика положения паркинга/нейтрали или жгута проводов цепи датчика положения паркинга/нейтрали.

Датчик положения паркинга/нейтрали определяет положение рычага переключения передач и передает соответствующий сигнал в TCM.

В целях безопасности датчик определяет положение рычага переключения передач таким образом, чтобы двигатель мог быть включен только при нахождении рычага переключения в положении P или N.

Сигнал, передаваемый датчиком положения паркинга/нейтрали в TCM, соответствует положению рычага переключения передач (P, R, N, D или S).

При одновременном поступлении более 1-го сигнала положения TCM регистрирует наличие неисправности в датчике или связанных с ним устройствах. TCM включает контрольную лампу неисправности и сохраняет код DTC.

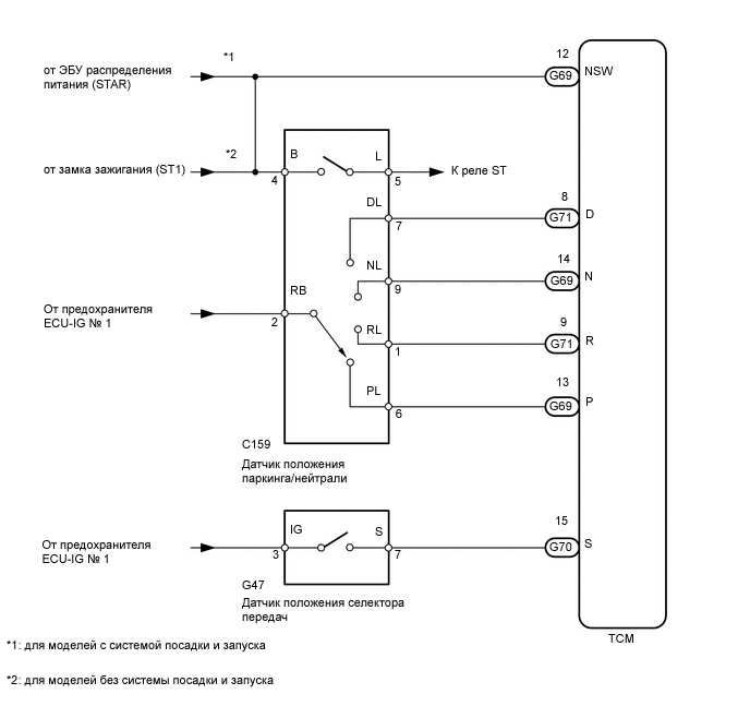
СХЕМА СОЕДИНЕНИЙ

B001HD1E03

ПРЕДОСТЕРЕЖЕНИЕ / ПРИМЕЧАНИЕ / УКАЗАНИЕ


  1. DATA LIST

    Tech Tips

    В режиме Data List на дисплей портативного диагностического прибора можно вывести данные о состоянии переключателей, датчиков, приводов и пр. без снятия деталей с автомобиля. Такая внешняя проверка может оказаться очень полезной, поскольку позволяет выявлять нерегулярно возникающие состояния и сигналы, не нарушая монтажа деталей и электропроводки. Считывание информации в режиме Data List на первом этапе поиска неисправностей позволяет сократить время, затрачиваемое на диагностику.

    Note

    Значения, указанные в колонке "Нормальное состояние" приведенной ниже таблицы, являются справочными. Принимая решение об исправности той или иной детали, не ориентируйтесь исключительно на них.


    1. Прогрейте двигатель.

    2. Выключите зажигание.

    3. Подсоедините портативный диагностический прибор к DLC3.

    4. Установите замок зажигания в положение ON (ВКЛ).

    5. Включите портативный диагностический прибор.

    6. Войдите в следующие меню: Powertrain / ECT / Data List.

    7. В соответствии с указаниями на дисплее портативного диагностического прибора считайте данные в режиме Data List.

      ECT
      Информация на дисплее прибора Измеряемая величина / диапазон измерения Нормальное состояние Замечание по диагностике
      Neutral Position SW Signal

      Состояние датчика PNP /

      ON (ВКЛ) или OFF (ВЫКЛ)


      • ON (ВКЛ): Рычаг переключения передач в положении P или N

      • OFF (ВЫКЛ): рычаг переключения передач не в положении P или N

      Если положение рычага переключения передач, указанное на дисплее портативного диагностического прибора, отличается от фактического, возможно, неправильно отрегулирован датчик PNP или трос управления переключением передач.
      Shift SW Status (P Range)

      Состояние датчика PNP /

      ON (ВКЛ) или OFF (ВЫКЛ)


      • ON (ВКЛ): Рычаг переключения передач в положении Р

      • OFF (ВЫКЛ): Рычаг переключения передач не в положении Р

      Если положение рычага переключения передач, указанное на дисплее портативного диагностического прибора, отличается от фактического, возможно, неправильно отрегулирован датчик PNP или трос управления переключением передач.
      Shift SW Status (R Range)

      Состояние датчика PNP /

      ON (ВКЛ) или OFF (ВЫКЛ)


      • ON (ВКЛ): Рычаг переключения передач в положении R

      • OFF (ВЫКЛ): рычаг переключения передач не в положении R

      Если положение рычага переключения передач, указанное на дисплее портативного диагностического прибора, отличается от фактического, возможно, неправильно отрегулирован датчик PNP или трос управления переключением передач.
      Shift SW Status (N Range)

      Состояние датчика PNP /

      ON (ВКЛ) или OFF (ВЫКЛ)


      • ON (ВКЛ): Рычаг переключения передач в положении N

      • OFF (ВЫКЛ): Рычаг переключения передач не в положении N

      Если положение рычага переключения передач, указанное на дисплее портативного диагностического прибора, отличается от фактического, возможно, неправильно отрегулирован датчик PNP или трос управления переключением передач.
      Sports Shift Up SW

      Состояние переключателя спортивного перехода на повышающую передачу /

      ON (ВКЛ) или OFF (ВЫКЛ)


      • ON (ВКЛ): рычаг переключения передач удерживается в положении "+" (переключение на более высокую передачу)

      • OFF (ВЫКЛ): рычаг переключения передач не удерживается в положении "+" (переключение на более высокую передачу)

      -
      Sports Shift Down SW

      Состояние переключателя спортивного перехода на понижающую передачу /

      ON (ВКЛ) или OFF (ВЫКЛ)


      • ON (ВКЛ): рычаг переключения передач удерживается в положении "-" (переключение на более низкую передачу)

      • OFF (ВЫКЛ): рычаг переключения передач не удерживается в положении "-" (переключение на более низкую передачу)

      -
      Sports Mode Selection SW

      Состояние переключателя выбора спортивного режима /

      ON (ВКЛ) или OFF (ВЫКЛ)


      • ON (ВКЛ): Рычаг переключения передач в положении "+" или "-" режима S

      • OFF (ВЫКЛ): Рычаг переключения передач не в положении "+" или "-" режима S

      -
      Shift SW Status (D Range)

      Состояние датчика PNP /

      ON (ВКЛ) или OFF (ВЫКЛ)


      • ON (ВКЛ): Рычаг переключения передач в положении D, S, "+" или "-"

      • OFF (ВЫКЛ): Рычаг переключения передач не в положении D, S, "+" или "-"

      Если положение рычага переключения передач, указанное на дисплее портативного диагностического прибора, отличается от фактического, возможно, неправильно отрегулирован датчик PNP или трос управления переключением передач.

ПОРЯДОК ВЫПОЛНЕНИЯ


  1. ПРОВЕРЬТЕ ЖГУТ ПРОВОДОВ И РАЗЪЕМ (ПРЕДОХРАНИТЕЛЬ ECU-IG № 1 – ДАТЧИК ПОЛОЖЕНИЯ ПАРКИНГА/НЕЙТРАЛИ)


    1. B001DEDE02
      Обозначения на рисунке
      *a

      Вид спереди разъема со стороны жгута проводов:

      (к датчику положения паркинга/нейтрали)

      Отсоедините разъем C159 датчика положения паркинга/нейтрали.

    2. Измерьте напряжение в соответствии со значениями, приведенными в таблице.

      Номинальное напряжение
      Подключение диагностического прибора Положение переключателя Заданные условия
      C159-2 (RB) - масса Зажигание включено 11-14 В
      C159-2 (RB) - масса Зажигание выключено Менее 1 В

    NG
    OK
  2. ПРОВЕРЬТЕ ЖГУТ ПРОВОДОВ И РАЗЪЕМ (НАПРЯЖЕНИЕ НА КОНТАКТЕ NSW)


    1. B001D29E02
      Обозначения на рисунке
      *a

      Вид спереди разъема со стороны жгута проводов:

      (к датчику положения паркинга/нейтрали)

      Отсоедините разъем C159 датчика положения паркинга/нейтрали.

    2. Отсоедините разъем C92 ЕСМ.

    3. Измерьте напряжение в соответствии со значениями, приведенными в таблице.

      Номинальное напряжение
      Подключение диагностического прибора Положение переключателя Заданные условия
      C159-4 (B) - масса Зажигание включено 11-14 В
      C159-4 (B) - масса Зажигание выключено Менее 1 В

    NG
    OK
  3. ПРОВЕРЬТЕ ДАТЧИК ПОЛОЖЕНИЯ ПАРКИНГА/НЕЙТРАЛИ В СБОРЕ


    1. B001EXLE94
      Обозначения на рисунке
      *a

      Устройство с неподсоединенным жгутом проводов

      (датчик положения паркинга/нейтрали)

      Отсоедините разъем C159 датчика положения паркинга/нейтрали.

    2. Измерьте сопротивление в соответствии со значениями, приведенными в таблице ниже.

      Номинальное сопротивление
      Подключение диагностического прибора Условие Заданные условия

      • 2 (RB) - 6 (PL)

      • 4 (B) - 5 (L)

      Рычаг переключения передач в положении Р Менее 1 Ом
      2 (RB) - 1 (RL) Рычаг переключения передач в положении R Менее 1 Ом

      • 2 (RB) - 9 (NL)

      • 4 (B) - 5 (L)

      Рычаг переключения передач в положении N Менее 1 Ом
      2 (RB) - 7 (DL) Рычаг переключения передач в положении D, S, "+" или "-" Менее 1 Ом

      • 2 (RB) - 6 (PL)

      • 4 (B) - 5 (L)

      Рычаг переключения передач не в положении Р 10 кОм или более
      2 (RB) - 1 (RL) Рычаг переключения передач не в положении R 10 кОм или более

      • 2 (RB) - 9 (NL)

      • 4 (B) - 5 (L)

      Рычаг переключения передач не в положении N 10 кОм или более
      2 (RB) - 7 (DL) Рычаг переключения передач не в положении D, S, "+" или "-" 10 кОм или более

    NG
    OK
  4. ПРОВЕРЬТЕ ЖГУТ ПРОВОДОВ И РАЗЪЕМ (ПРЕДОХРАНИТЕЛЬ ECU-IG № 1 – ДАТЧИК ПОЛОЖЕНИЯ СЕЛЕКТОРА ПЕРЕДАЧ)


    1. B001CM6E02
      Обозначения на рисунке
      *a

      Вид спереди разъема со стороны жгута проводов:

      (к датчику положения селектора передач)

      Отсоедините разъем G47 датчика положения селектора передач.

    2. Измерьте напряжение в соответствии со значениями, приведенными в таблице.

      Номинальное напряжение
      Подключение диагностического прибора Положение переключателя Заданные условия
      G47-3 (IG) - масса Зажигание включено 11-14 В
      G47-3 (IG) - масса Зажигание выключено Менее 1 В

    NG
    OK
  5. ПРОВЕРЬТЕ ДАТЧИК ПОЛОЖЕНИЯ СЕЛЕКТОРА ПЕРЕДАЧ


    1. B001DSSE14
      Обозначения на рисунке
      *a

      Устройство с неподсоединенным жгутом проводов

      (датчик положения селектора передач)

      Отсоедините разъем G47 датчика положения селектора передач.

    2. Измерьте сопротивление в соответствии со значениями, приведенными в таблице ниже.

      Номинальное сопротивление
      Подключение диагностического прибора Условие Заданные условия
      3 (IG) - 7 (S) Рычаг переключения передач в положении "+" или "-" режима S Менее 1 Ом
      3 (IG) - 7 (S) Рычаг переключения передач не в положении "+" или "-" режима S 10 кОм или более

    NG
    OK
  6. ПРОВЕРЬТЕ ЖГУТ ПРОВОДОВ И РАЗЪЕМ (ДАТЧИК ПОЛОЖЕНИЯ ПАРКИНГА/НЕЙТРАЛИ, ДАТЧИК ПОЛОЖЕНИЯ СЕЛЕКТОРА ПЕРЕДАЧ - TCM)


    1. B001H18E02
      Обозначения на рисунке
      *a

      Вид сзади разъема со стороны жгута проводов

      (к TCM)

      Отсоедините все разъемы от TCM.

    2. Измерьте напряжение в соответствии со значениями, приведенными в таблице.

      Номинальное напряжение
      Подключение диагностического прибора Условие Заданные условия
      G69-13 (P) - масса
      • Замок зажигания в положении ON (ВКЛ)

      • Рычаг переключения передач в положении Р

      11-14 В
      G71-9 (R) - масса
      • Замок зажигания в положении ON (ВКЛ)

      • Рычаг переключения передач в положении R

      11–14 В*
      G69-14 (N) - масса
      • Замок зажигания в положении ON (ВКЛ)

      • Рычаг переключения передач в положении N

      11-14 В
      G71-8 (D) - масса
      • Замок зажигания в положении ON (ВКЛ)

      • Рычаг переключения передач в положении D

      11-14 В
      G70-15 (S) - масса
      • Замок зажигания в положении ON (ВКЛ)

      • Рычаг переключения передач в положении "+" или "-" режима S

      11-14 В
      G69-13 (P) - масса
      • Замок зажигания в положении ON (ВКЛ)

      • Рычаг переключения передач не в положении Р

      Менее 1 В
      G71-9 (R) - масса
      • Замок зажигания в положении ON (ВКЛ)

      • Рычаг переключения передач не в положении R

      Менее 1 В
      G69-14 (N) - масса
      • Замок зажигания в положении ON (ВКЛ)

      • Рычаг переключения передач не в положении N

      Менее 1 В
      G71-8 (D) - масса
      • Замок зажигания в положении ON (ВКЛ)

      • Рычаг переключения передач не находится в положении D

      Менее 1 В
      G70-15 (S) - масса
      • Замок зажигания в положении ON (ВКЛ)

      • Рычаг переключения передач не в положении "+" или "-" режима S

      Менее 1 В

      Tech Tips

      *: напряжение незначительно падает из-за включения фонаря заднего хода.


    OK
    NG
  7. ПРОВЕРЬТЕ ЖГУТ ПРОВОДОВ И РАЗЪЕМ (ДАТЧИК ПОЛОЖЕНИЯ ПАРКИНГА/НЕЙТРАЛИ – TCM)


    1. Отсоедините разъем C159 датчика положения паркинга/нейтрали.

    2. Отсоедините разъем G69 TCM.

    3. Измерьте сопротивление в соответствии со значениями, приведенными в таблице ниже.

      Номинальное сопротивление
      Подключение диагностического прибора Условие Заданные условия
      C159-4 (B) - G69-12 (NSW) Всегда Менее 1 Ом
      C159-4 (B) - масса Всегда 10 кОм или более
      G69-12 (NSW) - масса Всегда 10 кОм или более

    OK
    NG