ТОПЛИВНАЯ СИСТЕМА СХЕМА СИСТЕМЫ


  1. СХЕМА ЦИРКУЛЯЦИИ ТОПЛИВА

    B001FVYE02
    Текст на рисунке (для моделей с одиночным баком)
    *1 Датчик давления топлива *2 Топливная система Common Rail
    *3 Клапан сброса давления *4 Нагнетающий топливный насос
    *5 Клапан регулирования всасывания *6 Электронный блок привода форсунок
    *7 ECM *8 Топливная форсунка
    *9 Охладитель топлива *10 Топливный фильтр
    *11 Топливный бак *12 Датчик температуры топлива
    B001E1P Топливо под высоким давлением B001FGK Возвратное топливо
    B001IGR Всасываемое топливо - -
    B001CI4E02
    Обозначения на рисунке (для моделей с двойным баком)
    *1 Датчик давления топлива *2 Топливная система Common Rail
    *3 Клапан сброса давления *4 Нагнетающий топливный насос
    *5 Топливный фильтр (со стороны моторного отсека) *6 Клапан регулирования всасывания
    *7 Электронный блок привода форсунок *8 ECM
    *9 Топливная форсунка *10 Топливный фильтр (со стороны топливного бака)
    *11 Охладитель топлива *12 Топливный насос
    *13 Основной топливный бак *14 Насос-эжектор
    *15 Расширительный топливный бачок *16 Датчик температуры топлива
    B001E1P Топливо под высоким давлением B001FGK Возвратное топливо
    B001IGR Всасываемое топливо - -
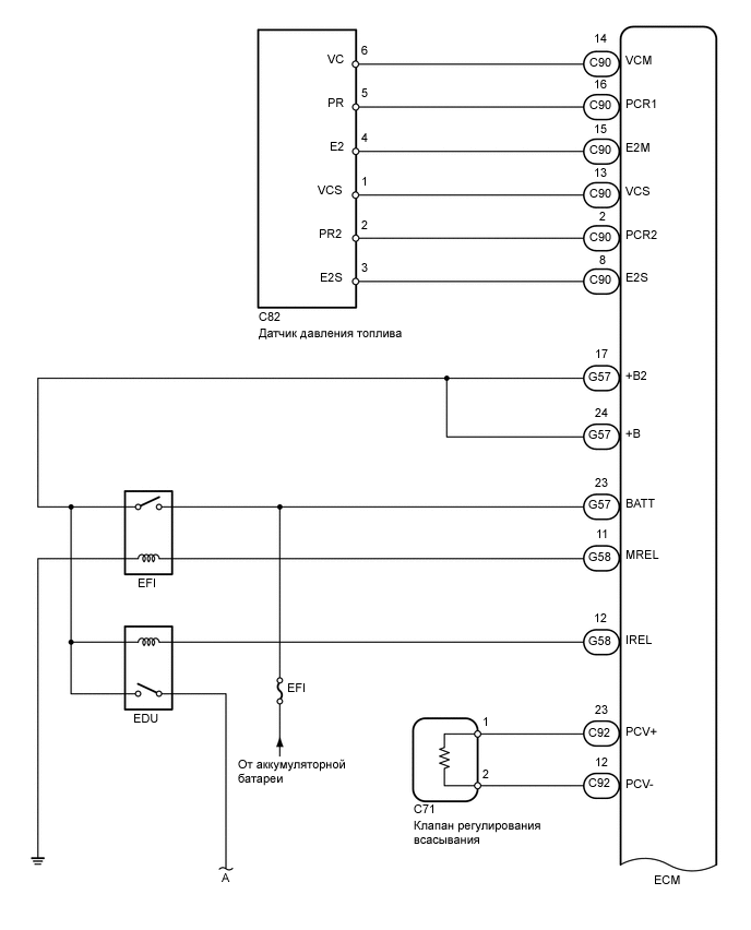
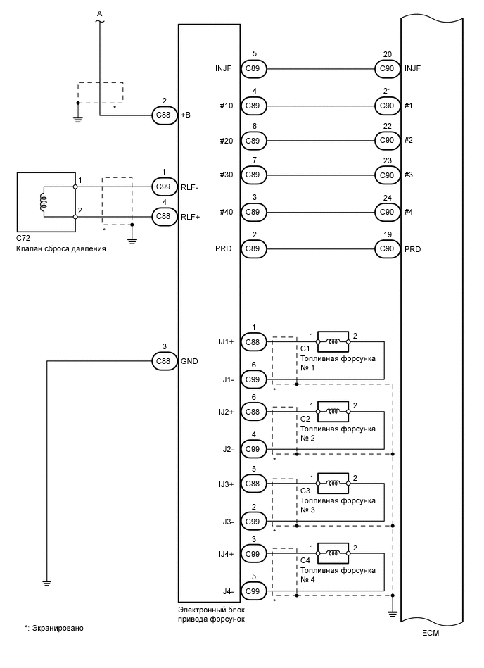
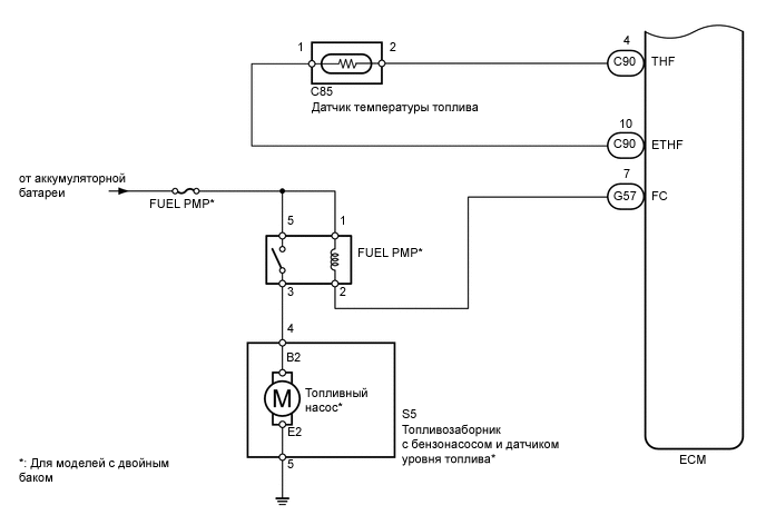
  2. СХЕМА СОЕДИНЕНИЙ ТОПЛИВНОЙ СИСТЕМЫ


    1. Так как топливная система Common Rail содержит топливо под высоким давлением, она обеспечивает высокое давление впрыска топлива.

      B001DMZE01
      B001CTVE01
      B001D7FE01