СИСТЕМА КУРСОВОЙ УСТОЙЧИВОСТИ (для моделей с вакуумным усилителем тормозной системы), Diagnostic DTC:C1282

Код DTC Наименование DTC
C1282 Датчик положения блокировки межосевого дифференциала

ОПИСАНИЕ

DTC C1282 сохраняется только в режиме активной диагностики.

Код DTC Условие обнаружения DTC Неисправный участок
C1282 Сохраняется в режиме активной диагностики.
  • Жгут или разъем

  • Система раздаточной коробки

  • ЭБУ системы противоскольжения (блок управления рабочими цилиндрами тормозов в сборе)

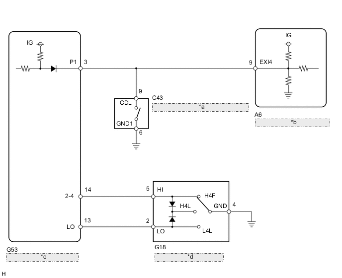
СХЕМА ЭЛЕКТРИЧЕСКИХ СОЕДИНЕНИЙ

B001EETE12
*a Датчик блокировки межосевого дифференциала (привод переключения раздаточной коробки в сборе)
*b ЭБУ системы противоскольжения (блок управления рабочими цилиндрами тормозов в сборе)
*c ЭБУ полного привода
*d Переключатель положения раздаточной коробки

ПРЕДОСТЕРЕЖЕНИЕ / ПРИМЕЧАНИЕ / УКАЗАНИЕ

Note

При замене ЭБУ системы противоскольжения (блока управления рабочими цилиндрами тормозов) выполните калибровку (см. стр. Click here).

ПОРЯДОК ВЫПОЛНЕНИЯ


  1. ПРОВЕРЬТЕ ПЕРЕКЛЮЧЕНИЕ БЛОКИРОВКИ МЕЖОСЕВОГО ДИФФЕРЕНЦИАЛА


    1. Убедитесь, что межосевой дифференциал блокируется и разблокируется.

      OK
      Межосевой дифференциал блокируется и разблокируется.

    NG
    OK
  2. ПРОВЕРЬТЕ DTC В РЕЖИМЕ АКТИВНОЙ ДИАГНОСТИКИ


    1. Переведите автомобиль в режим активной диагностики, выполните проверку сигнала блокировки межосевого дифференциала, а затем убедитесь, что DTC C1282 удален (см. стр. Click here).

      Результат
      Результат Перейти к
      DTC не удален А
      DTC удален B

    А
    B
  3. ПРОВЕРЬТЕ НАПРЯЖЕНИЕ НА КОНТАКТЕ (EXI4)


    1. Установите автомобиль в состояние блокировки межосевого дифференциала с помощью переключателя блокировки межосевого дифференциала.

    2. Отсоедините разъем A6 ЭБУ системы противоскольжения (блока управления рабочими цилиндрами тормозов в сборе).

    3. Установите замок зажигания в положение ON (ВКЛ).

    4. B001FOFE03
      Обозначения на рисунке
      *a

      Вид спереди разъема со стороны жгута проводов:

      (к ЭБУ системы противоскольжения (блоку управления рабочими цилиндрами тормозов))

      Измерьте напряжение в соответствии со значениями, приведенными в таблице.

      Номинальное напряжение
      Подключение диагностического прибора Условие Заданные условия
      A6-9 (EXI4) - масса

      Межосевой дифференциал заблокирован

      (переключатель блокировки межосевого дифференциала включен)

      Менее 1,5 В
    5. Подсоедините разъем A6 ЭБУ системы противоскольжения (блока управления рабочими цилиндрами тормозов в сборе).

    6. Установите автомобиль в состояние разблокировки межосевого дифференциала с помощью переключателя блокировки межосевого дифференциала.

    7. Отсоедините разъем A6 ЭБУ системы противоскольжения (блока управления рабочими цилиндрами тормозов в сборе).

    8. Установите замок зажигания в положение ON (ВКЛ).

    9. Измерьте напряжение в соответствии со значениями, приведенными в таблице.

      Номинальное напряжение
      Подключение диагностического прибора Условие Заданные условия
      A6-9 (EXI4) - масса

      Межосевой дифференциал разблокирован

      (переключатель блокировки межосевого дифференциала в положении OFF (ВЫКЛ))

      11-14 В

    NG
    OK
  4. ПРОВЕРЬТЕ DTC В РЕЖИМЕ АКТИВНОЙ ДИАГНОСТИКИ


    1. Переведите автомобиль в режим активной диагностики, выполните проверку сигнала блокировки межосевого дифференциала, а затем убедитесь, что DTC C1282 удален (см. стр. Click here).

      Результат
      Результат Перейти к
      DTC не удален А
      DTC удален B

    А
    B
  5. ПРОВЕРЬТЕ ЖГУТ ПРОВОДОВ И РАЗЪЕМ (ЭБУ СИСТЕМЫ ПРОТИВОСКОЛЬЖЕНИЯ – ЭБУ ПОЛНОГО ПРИВОДА / ПРИВОД ПЕРЕКЛЮЧЕНИЯ РАЗДАТОЧНОЙ КОРОБКИ)


    1. Отсоедините разъем A6 ЭБУ системы противоскольжения (блока управления рабочими цилиндрами тормозов в сборе).

    2. Отсоедините разъем G53 ЭБУ полного привода.

    3. Отсоедините разъем C43 привода переключения раздаточной коробки в сборе.

    4. Измерьте сопротивление в соответствии со значениями, приведенными в таблице ниже.

      Номинальное сопротивление
      Подключение диагностического прибора Условие Заданные условия
      A6-9 (EXI4) - G53-3 (P1) Всегда Менее 1 Ом
      A6-9 (EXI4) - C43-9 (CDL) Всегда Менее 1 Ом
      A6-9 (EXI4) - масса Всегда 10 кОм или более

    OK
    NG