СИСТЕМА КУРСОВОЙ УСТОЙЧИВОСТИ (для моделей с вакуумным усилителем тормозной системы), Diagnostic DTC:C1429

Код DTC Наименование DTC
C1429 Обрыв или короткое замыкание в реле нагрузки на педаль тормоза

ОПИСАНИЕ

Реле нагрузки на педаль тормоза срабатывает, когда усилие, с которым нажимается педаль тормоза, превышает заданный уровень.

С помощью этой цепи ЭБУ системы противоскольжения определяет, нажата или нет педаль тормоза.

Код DTC Условие обнаружения DTC Неисправный участок
C1429 Обрыв или короткое замыкание в цепи реле нагрузки на педаль тормоза наблюдаются в течение 0,3 с и более.
  • Реле нагрузки на педаль тормоза (педаль тормоза с датчиком в сборе)

  • Цепь реле нагрузки на педаль тормоза

  • Блок управления рабочими цилиндрами тормозов в сборе (ЭБУ системы противоскольжения)

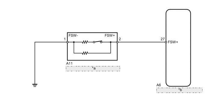
СХЕМА ЭЛЕКТРИЧЕСКИХ СОЕДИНЕНИЙ

B001CZXE03
*a Реле нагрузки на педаль тормоза
*b Блок управления рабочими цилиндрами тормозов (ЭБУ системы противоскольжения)

ПРЕДОСТЕРЕЖЕНИЕ / ПРИМЕЧАНИЕ / УКАЗАНИЕ

Note

При замене блока управления рабочими цилиндрами тормозов выполните калибровку (см. стр. Click here).

Tech Tips

Если совместно с DTC C1425 выводится DTC C1429, сначала следует проверить и отремонтировать неисправные узлы, на которые указывает DTC C1425 (см. стр. Click here).

ПОРЯДОК ВЫПОЛНЕНИЯ


  1. СНИМИТЕ ПОКАЗАНИЯ ПОРТАТИВНОГО ДИАГНОСТИЧЕСКОГО ПРИБОРА (BRAKE PEDAL LOAD SENSING SW)


    1. Выключите зажигание.

    2. Подсоедините портативный диагностический прибор к DLC3.

    3. Установите замок зажигания в положение ON (ВКЛ).

    4. Включите портативный диагностический прибор.

    5. Войдите в следующие меню: Chassis / ABS/VSC/TRC / Data List.

      ABS / VSC / TRC
      Информация на дисплее прибора Измеряемая величина / диапазон измерения Нормальное состояние Замечание по диагностике
      Brake Pedal Load Sensing SW Реле нагрузки на педаль тормоза / ON (ВКЛ) или OFF (ВЫКЛ)

      ON (ВКЛ): педаль тормоза нажата далее заданной точки

      OFF (ВЫКЛ): педаль тормоза не нажата далее заданной точки

      -
    6. Убедитесь, что состояние реле нагрузки на педаль тормоза на дисплее портативного диагностического прибора изменяется в соответствии с состоянием педали тормоза.

      OK
      На экране портативного диагностического прибора отображается ON (ВКЛ) или OFF (ВЫКЛ) в соответствии с нажатием педали тормоза.

    NG
    OK
  2. СНОВА ПРОВЕРЬТЕ DTC


    1. Выключите зажигание.

    2. Сбросьте коды DTC (см. стр. Click here).

    3. Запустите двигатель.

    4. Проведите дорожные испытания и испытания тормозной системы.

    5. Проверьте, выводится ли тот же DTC (см. стр. Click here).

      Результат
      Результат Перейти к
      DTC не выводится А
      DTC выводится B

    А
    B
  3. ПРОВЕРЬТЕ РЕЛЕ НАГРУЗКИ НА ПЕДАЛЬ ТОРМОЗА

    B001ER7E03
    Обозначения на рисунке
    *1 Реле нагрузки на педаль тормоза *2 Педаль тормоза с реле в сборе
    *a

    Устройство с неподсоединенным жгутом проводов

    (Датчик нагрузки на педаль тормоза)

    *b Педаль тормоза отпущена (вкл)
    *c Педаль тормоза нажата (выкл) - -

    Note


    • Не снимайте реле нагрузки на педаль тормоза с педали тормоза с реле в сборе.

    • При неисправности реле нагрузки на педаль тормоза замените педаль тормоза с реле в сборе.


    1. Выключите зажигание.

    2. Убедитесь, что фиксирующая и соединительная части разъема не ослаблены.

    3. Отсоедините разъем A11 реле нагрузки на педаль тормоза.

    4. Измерьте сопротивление в соответствии со значениями, приведенными в таблице ниже.

      Номинальное сопротивление
      Подключение диагностического прибора Условие Заданные условия
      2 (FSW+) - 1 (FSW-) Педаль тормоза нажата 0,9 - 1,1 кОм
      Педаль тормоза отпущена 192-234 Ом

    NG
    OK
  4. ПРОВЕРЬТЕ ЖГУТ ПРОВОДОВ И РАЗЪЕМ (ЭБУ СИСТЕМЫ ПРОТИВОСКОЛЬЖЕНИЯ – РЕЛЕ НАГРУЗКИ НА ПЕДАЛЬ ТОРМОЗА).


    1. Убедитесь, что фиксирующая и соединительная части разъема не ослаблены.

    2. Отсоедините разъем A6 ЭБУ системы противоскольжения.

    3. Отсоедините разъем A11 реле нагрузки на педаль тормоза.

    4. Измерьте сопротивление в соответствии со значениями, приведенными в таблице ниже.

      Номинальное сопротивление
      Подключение диагностического прибора Условие Заданные условия
      A6-27 (FSW+) - A11-2 (FSW+) Всегда Менее 1 Ом
      A6-27 (FSW+) - масса Всегда 10 кОм или более
      A11-1 (FSW-) - масса Всегда Менее 1 Ом

    OK
    NG