СИСТЕМА КУРСОВОЙ УСТОЙЧИВОСТИ (для моделей с гидравлическим усилителем тормозной системы), Diagnostic DTC:C1381

Код DTC Наименование DTC
C1381 Сбой напряжения источника питания датчика замедления

ОПИСАНИЕ

ЭБУ системы противоскольжения получает сигналы от датчика замедления и рысканья (центрального блока управления системы SRS) по шине CAN.

Датчик рысканья имеет встроенный датчик замедления и определяет состояние автомобиля с помощью 2 цепей (GL1, GL2).

Когда в линиях шины между датчиком замедления и рысканья (блоком управления системы SRS) и мультиплексной шиной CAN возникает неисправность, регистрируются коды DTC U0123 (нарушение обмена данными с датчиком замедления по шине CAN) и U0124 (нарушение обмена данными с датчиком замедления по шине CAN).

Эти коды DTC сохраняются также в случае, если не завершена калибровка.

Код DTC Условие обнаружения DTC Неисправный участок
C1381 При скорости автомобиля 3 км/час (2 мили в час) или более сигнал неправильного питания датчика ускорения принимался в течение не менее 10 с.
  • Предохранитель A/BAG-IG2

  • Датчик замедления и рысканья (блок управления системы SRS в сборе)

  • Цепь питания датчика замедления и рысканья (блока управления системы SRS)

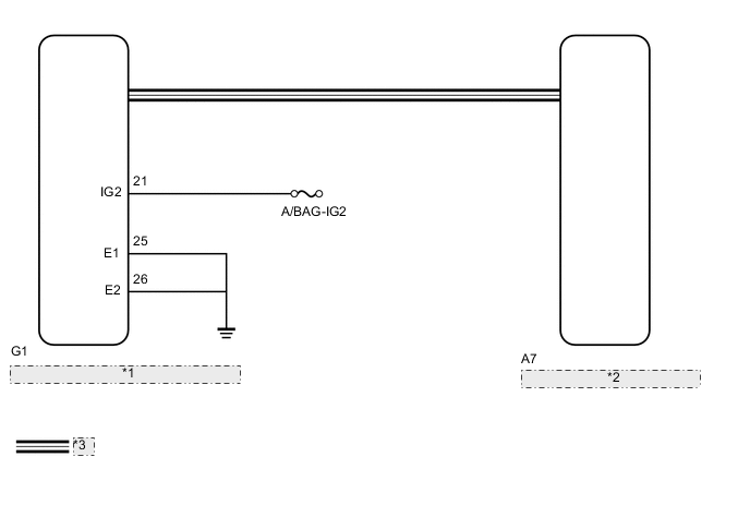
СХЕМА ЭЛЕКТРИЧЕСКИХ СОЕДИНЕНИЙ

B001CP9E23
*1 Датчик замедления и рысканья (центральный блок управления системы SRS)
*2 ЭБУ системы противоскольжения (электромагнитный клапан главного цилиндра)
*3 Линия связи CAN

ПРЕДОСТЕРЕЖЕНИЕ / ПРИМЕЧАНИЕ / УКАЗАНИЕ

Note


  • При замене датчика замедления и рысканья (блока управления системы SRS) выполните калибровку (см. стр. Click here).

  • Перед выполнением следующей процедуры проверки проверьте предохранители цепей, относящихся к данной системе.

ПОРЯДОК ВЫПОЛНЕНИЯ


  1. ПРОВЕРЬТЕ DTC (СИСТЕМА ПЕРЕДАЧИ ДАННЫХ CAN)


    1. Для моделей с ЭБУ центрального сетевого шлюза:

      Проверьте коды DTC (см. стр. Click here).

    2. Для моделей без ЭБУ центрального сетевого шлюза:

      Проверьте коды DTC (см. стр. Click here).

      Результат
      Результат Перейти к
      DTC для CAN не выводится А
      Выводится DTC системы передачи данных CAN (для моделей с ЭБУ центрального сетевого шлюза) B
      Выводится DTC системы передачи данных CAN (для моделей без ЭБУ центрального сетевого шлюза) C

    B
    C
    А
  2. ПРОВЕРЬТЕ НАПРЯЖЕНИЕ НА КОНТАКТЕ (IG2)

    Note


    • После выключения зажигания следует подождать некоторое время, прежде чем отсоединять провод от вывода аккумуляторной батареи. Поэтому, прежде чем приступать к этой работе, обязательно ознакомьтесь с примечанием относительно отсоединения провода от вывода аккумуляторной батареи (см. стр. Click here).

    • После подсоединения провода необходимо инициализировать некоторые системы (см. стр. Click here).


    1. Выключите зажигание.

    2. Отсоедините провод от отрицательного (-) вывода аккумуляторной батареи и подождите не менее 90 секунд.

    3. Отсоедините разъем G1 датчика замедления и рысканья (центрального блока управления системы SRS в сборе).

    4. Подсоедините провод к отрицательному (-) выводу аккумуляторной батареи и подождите не менее 2 секунд.

    5. Включите зажигание.

    6. Включите все электрооборудование (обогреватель стекла, стеклоочистители, фары, отопитель, вентилятор и т. д.)

    7. B001DZWE05
      Обозначения на рисунке
      *a

      Вид спереди разъема со стороны жгута проводов:

      (к датчику замедления и рысканья (центральному блоку управления системы SRS))

      Измерьте напряжение в соответствии со значениями, приведенными в таблице.

      Номинальное напряжение
      Подключение диагностического прибора Положение переключателя Заданные условия
      G1-21 (IG2) - масса Зажигание включено 11-14 В

    NG
    OK
  3. ПРОВЕРЬТЕ ЖГУТ ПРОВОДОВ И РАЗЪЕМ (ВЫВОД GND)


    1. Отсоедините разъем G1 датчика замедления и рысканья (центрального блока управления системы SRS в сборе).

    2. Измерьте сопротивление в соответствии со значениями, приведенными в таблице ниже.

      Номинальное сопротивление
      Подключение диагностического прибора Условие Заданные условия
      G1-25 (Е1) - масса Всегда Менее 1 Ом
      G1-26 (E2) - масса Всегда Менее 1 Ом

    NG
    OK
  4. СНОВА ПРОВЕРЬТЕ DTC


    1. Подсоедините разъем датчика замедления и рысканья (центрального блока управления системы SRS в сборе).

    2. Удалите коды DTC (см. стр. Click here).

    3. Запустите двигатель.

    4. Проведите дорожные испытания.

    5. Проверьте, выводится ли тот же DTC (см. стр. Click here).

      Результат
      Результат Следующий шаг
      DTC C1381 не выводится А
      Выводится DTC C1381 B

    А
    B