ОПИСАНИЕ
Контрольная лампа ABS включается при регистрации любого из описанных ниже событий:
Если разъем ЭБУ системы противоскольжения отсоединен от ЭБУ системы противоскольжения.
Во внутренней цепи ЭБУ системы противоскольжения имеется неисправность.
Существует обрыв в жгуте проводов между щитком приборов и ЭБУ системы противоскольжения.
Антиблокировочная система тормозов неисправна.
Высокое напряжение на контакте IG1.
Задний дифференциал заблокирован.*
*: Для моделей с блокировкой заднего дифференциала
Tech Tips
При неисправном ЭБУ системы противоскольжения использование портативного диагностического прибора может быть невозможно.
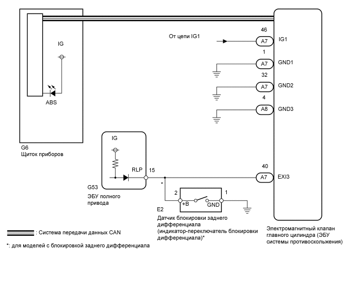
СХЕМА ЭЛЕКТРИЧЕСКИХ СОЕДИНЕНИЙ
ПРЕДОСТЕРЕЖЕНИЕ / ПРИМЕЧАНИЕ / УКАЗАНИЕ
Note
При замене электромагнитного клапана главного цилиндра выполните калибровку (см. стр. Click here).
ПОРЯДОК ВЫПОЛНЕНИЯ
УБЕДИТЕСЬ, ЧТО ЭБУ СИСТЕМЫ ПРОТИВОСКОЛЬЖЕНИЯ ПОДСОЕДИНЕН НАДЕЖНО
Проверьте соединение разъема ЭБУ системы противоскольжения.
| OK |
|---|
| 2 разъема подсоединены надежно. |
| NG |
|
ПРАВИЛЬНО ПОДСОЕДИНИТЕ РАЗЪЕМ К ЭБУ |
| OK |
|
ПРОВЕРЬТЕ DTC
Проверьте коды DTC (см. стр. Click here).
| Результат | Перейти к |
|---|---|
| DTC не выводится | А |
| DTC выводится | B |
| B |
|
ВЫПОЛНИТЕ РЕМОНТ ЦЕПЕЙ В СООТВЕТСТВИИ С ВЫВЕДЕННЫМИ КОДАМИ DTC (см. стр. Click here) |
| А |
|
ПРОВЕРЬТЕ ЛИНИЮ ПЕРЕДАЧИ ДАННЫХ CAN
Выключите зажигание.
Подсоедините портативный диагностический прибор к DLC3.
Установите замок зажигания в положение ON (ВКЛ).
Включите портативный диагностический прибор.
Выберите "CAN Bus Check" (проверка шины CAN) в меню "System Selection" и следуйте подсказкам на экране, чтобы проверить шину CAN (для моделей с левосторонним рулевым управлением: см. стр. , для моделей с правосторонним рулевым управлением: см. стр. Click here).
| OK |
|---|
| "CAN Bus Check" показывает, что неисправности CAN отсутствуют. |
| Результат | Перейти К |
|---|---|
| OK | А |
| NG (для моделей с левосторонним рулевым управлением) | B |
| NG (для моделей с правосторонним рулевым управлением) | C |
| B |
|
ПЕРЕЙДИТЕ К РАЗДЕЛУ "СИСТЕМА ПЕРЕДАЧИ ДАННЫХ CAN" (ПРОЦЕДУРА ПОИСКА НЕИСПРАВНОСТЕЙ) (см. стр. Click here) |
| C |
|
ПЕРЕЙДИТЕ К РАЗДЕЛУ "СИСТЕМА ПЕРЕДАЧИ ДАННЫХ CAN" (ПРОЦЕДУРА ПОИСКА НЕИСПРАВНОСТЕЙ) (см. стр. Click here) |
| А |
|
СНИМИТЕ ПОКАЗАНИЯ ПОРТАТИВНОГО ДИАГНОСТИЧЕСКОГО ПРИБОРА (ЗНАЧЕНИЕ НАПРЯЖЕНИЯ НА КОНТАКТЕ IG1)
Подсоедините портативный диагностический прибор к DLC3.
Установите замок зажигания в положение ON (ВКЛ).
Включите портативный диагностический прибор.
Запустите двигатель.
Войдите в следующие меню: Chassis / ABS/VSC/TRC / Data List.
| Информация на дисплее прибора | Измеряемая величина / диапазон измерения | Нормальное состояние | Замечание по диагностике |
|---|---|---|---|
| IG1 Voltage Value | Напряжение IG1 / мин.: 0,00 В, макс.: 20,00 В | Замок зажигания в положении ON (ВКЛ): 11 – 14 В | - |
Проверьте выходное напряжение ЭБУ системы противоскольжения, отображаемое на портативном диагностическом приборе.
| OK |
|---|
| Выходное напряжение на портативном диагностическом приборе находится в диапазоне 11-14 В. |
| NG |
|
ПРОВЕРЬТЕ НАПРЯЖЕНИЕ НА КОНТАКТЕ (IG1) Click here |
| OK |
|
ПРОВЕРЬТЕ НАПРЯЖЕНИЕ НА КОНТАКТЕ (EXI3)
Отсоедините разъем A7 ЭБУ системы противоскольжения.
| *a | Вид спереди разъема со стороны жгута проводов: (к ЭБУ системы противоскольжения) |
Измерьте напряжение в соответствии со значениями, приведенными в таблице.
| Номинальное напряжение | ||||||
|---|---|---|---|---|---|---|
|
| NG |
|
ПРОВЕРЬТЕ ЖГУТ ПРОВОДОВ И РАЗЪЕМ (ЦЕПЬ EXI3 ЭБУ СИСТЕМЫ ПРОТИВОСКОЛЬЖЕНИЯ) Click here |
| OK |
|
СНИМИТЕ ПОКАЗАНИЯ ПОРТАТИВНОГО ДИАГНОСТИЧЕСКОГО ПРИБОРА (КОНТРОЛЬНАЯ ЛАМПА ABS)
Выключите зажигание.
Подсоедините портативный диагностический прибор к DLC3.
Установите замок зажигания в положение ON (ВКЛ).
Включите программируемый диагностический прибор.
Войдите в следующие меню: Chassis / ABS/VSC/TRC / Data List.
| Информация на дисплее прибора | Измеряемая величина / диапазон измерения | Нормальное состояние | Замечание по диагностике |
|---|---|---|---|
| ABS Warning Light | Состояние контрольной лампы ABS / ON (ВКЛ) или OFF (ВЫКЛ) | OFF (ВЫКЛ) | - |
Выполняя испытание ABS Warning Light в режиме Active Test, следите за параметром ABS Warning Light в списке Data List (см. стр. Click here).
| Информация на дисплее прибора | Испытываемое устройство | Диапазон регулирования | Замечание по диагностике |
|---|---|---|---|
| ABS Warning Light | Контрольная лампа ABS | Включение / выключение контрольной лампы аварийного состояния | Следите за индикацией на щитке приборов. |
| Результат | Следующий шаг | |
|---|---|---|
| Экран Data List | Показания Data List при изменении установки ON/OFF (ВКЛ/ВЫКЛ) в режиме Active Test | |
| ON (ВКЛ) | Изменяется между ON (ВКЛ) и OFF (ВЫКЛ) | А |
| Не изменяется между ON (ВКЛ) и OFF (ВЫКЛ) (для моделей с левосторонним рулевым управлением) | B | |
| Не изменяется между ON (ВКЛ) и OFF (ВЫКЛ) (для моделей с правосторонним рулевым управлением) | C | |
| OFF (ВЫКЛ) | Изменяется между ON (ВКЛ) и OFF (ВЫКЛ) | А |
| Не изменяется между ON (ВКЛ) и OFF (ВЫКЛ) (для моделей с левосторонним рулевым управлением) | B | |
| Не изменяется между ON (ВКЛ) и OFF (ВЫКЛ) (для моделей с правосторонним рулевым управлением) | C | |
| А |
|
ПЕРЕЙДИТЕ К РАЗДЕЛУ "СИСТЕМА ИЗМЕРИТЕЛЬНЫХ ПРИБОРОВ И ИНДИКАТОРОВ" (ПРОЦЕДУРА ПОИСКА НЕИСПРАВНОСТЕЙ) (см. стр. Click here) |
| B |
|
ЗАМЕНИТЕ ЭЛЕКТРОМАГНИТНЫЙ КЛАПАН ГЛАВНОГО ЦИЛИНДРА (см. стр. Click here) |
| C |
|
ЗАМЕНИТЕ ЭЛЕКТРОМАГНИТНЫЙ КЛАПАН ГЛАВНОГО ЦИЛИНДРА (см. стр. Click here) |
ПРОВЕРЬТЕ НАПРЯЖЕНИЕ НА КОНТАКТЕ (IG1)
Отсоедините разъем A7 ЭБУ системы противоскольжения.
| *a | Вид спереди разъема со стороны жгута проводов: (к ЭБУ системы противоскольжения) |
Измерьте напряжение в соответствии со значениями, приведенными в таблице.
| Номинальное напряжение | ||||||
|---|---|---|---|---|---|---|
|
| NG |
|
ОТРЕМОНТИРУЙТЕ ИЛИ ЗАМЕНИТЕ ЖГУТ ПРОВОДОВ ИЛИ РАЗЪЕМ |
| OK |
|
ПРОВЕРЬТЕ ЖГУТ ПРОВОДОВ И РАЗЪЕМ (КОНТАКТЫ GND1, GND2 И GND3)
Отсоедините разъемы A7 и A8 ЭБУ системы противоскольжения.
Измерьте сопротивление в соответствии со значениями, приведенными в таблице ниже.
| Номинальное сопротивление | ||||||||||||
|---|---|---|---|---|---|---|---|---|---|---|---|---|
|
| Результат | Следующий шаг |
|---|---|
| NG | А |
| OK (для моделей с левосторонним рулевым управлением) | B |
| OK (для моделей с правосторонним рулевым управлением) | C |
| А |
|
ОТРЕМОНТИРУЙТЕ ИЛИ ЗАМЕНИТЕ ЖГУТ ПРОВОДОВ ИЛИ РАЗЪЕМ |
| B |
|
ЗАМЕНИТЕ ЭЛЕКТРОМАГНИТНЫЙ КЛАПАН ГЛАВНОГО ЦИЛИНДРА (см. стр. Click here) |
| C |
|
ЗАМЕНИТЕ ЭЛЕКТРОМАГНИТНЫЙ КЛАПАН ГЛАВНОГО ЦИЛИНДРА (см. стр. Click here) |
ПРОВЕРЬТЕ ЖГУТ ПРОВОДОВ И РАЗЪЕМ (ЦЕПЬ EXI3 ЭБУ СИСТЕМЫ ПРОТИВОСКОЛЬЖЕНИЯ)
Отсоедините разъем A7 ЭБУ системы противоскольжения.
Отсоедините разъем G53 ЭБУ полного привода.
Для моделей с блокировкой заднего дифференциала:
Отсоедините разъем E2 датчика блокировки заднего дифференциала.
Измерьте сопротивление в соответствии со значениями, приведенными в таблице ниже.
| Номинальное сопротивление | ||||||
|---|---|---|---|---|---|---|
|
| Результат | Следующий шаг |
|---|---|
| OK (для моделей без блокировки заднего дифференциала) | А |
| OK (для моделей с блокировкой заднего дифференциала) | B |
| NG | C |
| B |
|
ПРОВЕРЬТЕ ДАТЧИК БЛОКИРОВКИ ЗАДНЕГО ДИФФЕРЕНЦИАЛА (ИНДИКАТОР-ПЕРЕКЛЮЧАТЕЛЬ БЛОКИРОВКИ ДИФФЕРЕНЦИАЛА) Click here |
| C |
|
ОТРЕМОНТИРУЙТЕ ИЛИ ЗАМЕНИТЕ ЖГУТ ПРОВОДОВ ИЛИ РАЗЪЕМ |
| А |
|
ПРОВЕРЬТЕ НАПРЯЖЕНИЕ НА КОНТАКТЕ (EXI3)
Отсоедините разъем A7 ЭБУ системы противоскольжения.
Подсоедините разъем G53 ЭБУ полного привода.
| *a | Вид спереди разъема со стороны жгута проводов: (к ЭБУ системы противоскольжения) |
Измерьте напряжение в соответствии со значениями, приведенными в таблице.
| Номинальное напряжение | ||||||
|---|---|---|---|---|---|---|
|
| Результат | Следующий шаг |
|---|---|
| NG | А |
| OK (для моделей с левосторонним рулевым управлением) | B |
| OK (для моделей с правосторонним рулевым управлением) | C |
| А |
|
ЗАМЕНИТЕ ЭБУ ПОЛНОГО ПРИВОДА (см. стр. Click here) |
| B |
|
ЗАМЕНИТЕ ЭЛЕКТРОМАГНИТНЫЙ КЛАПАН ГЛАВНОГО ЦИЛИНДРА (см. стр. Click here) |
| C |
|
ЗАМЕНИТЕ ЭЛЕКТРОМАГНИТНЫЙ КЛАПАН ГЛАВНОГО ЦИЛИНДРА (см. стр. Click here) |
ПРОВЕРЬТЕ ДАТЧИК БЛОКИРОВКИ ЗАДНЕГО ДИФФЕРЕНЦИАЛА (ИНДИКАТОР-ПЕРЕКЛЮЧАТЕЛЬ БЛОКИРОВКИ ДИФФЕРЕНЦИАЛА)
Снимите датчик блокировки заднего дифференциала (см. стр. Click here).
| *a | Устройство с неподсоединенным жгутом проводов (датчик блокировки заднего дифференциала) |
Измерьте сопротивление в соответствии со значениями, приведенными в таблице ниже.
| Номинальное сопротивление | ||||||||
|---|---|---|---|---|---|---|---|---|
|
| NG |
|
ЗАМЕНИТЕ ДАТЧИК БЛОКИРОВКИ ЗАДНЕГО ДИФФЕРЕНЦИАЛА (ИНДИКАТОР-ПЕРЕКЛЮЧАТЕЛЬ БЛОКИРОВКИ ДИФФЕРЕНЦИАЛА) (см. стр. Click here) |
| OK |
|
ПРОВЕРЬТЕ НАПРЯЖЕНИЕ НА КОНТАКТЕ (EXI3)
Отсоедините разъем A7 ЭБУ системы противоскольжения.
Подсоедините разъем G53 ЭБУ полного привода.
| *a | Вид спереди разъема со стороны жгута проводов: (к ЭБУ системы противоскольжения) |
Измерьте напряжение в соответствии со значениями, приведенными в таблице.
| Номинальное напряжение | ||||||
|---|---|---|---|---|---|---|
|
| Результат | Следующий шаг |
|---|---|
| NG | A |
| OK (для моделей с левосторонним рулевым управлением) | B |
| OK (для моделей с правосторонним рулевым управлением) | C |
| A |
|
ЗАМЕНИТЕ ЭБУ ПОЛНОГО ПРИВОДА (см. стр. Click here) |
| B |
|
ЗАМЕНИТЕ ЭЛЕКТРОМАГНИТНЫЙ КЛАПАН ГЛАВНОГО ЦИЛИНДРА (см. стр. Click here) |
| C |
|
ЗАМЕНИТЕ ЭЛЕКТРОМАГНИТНЫЙ КЛАПАН ГЛАВНОГО ЦИЛИНДРА (см. стр. Click here) |