АНТИБЛОКИРОВОЧНАЯ СИСТЕМА ТОРМОЗОВ, Diagnostic DTC:C1282

Код DTC Наименование DTC
C1282 Датчик положения блокировки межосевого дифференциала

ОПИСАНИЕ

DTC C1282 сохраняется только в режиме активной диагностики.

Код DTC Условие обнаружения DTC Неисправный участок
C1282 Сохраняется в режиме активной диагностики.
  • Жгут или разъем

  • Система раздаточной коробки

  • Блок управления рабочими цилиндрами тормозов в сборе (ЭБУ системы противоскольжения)

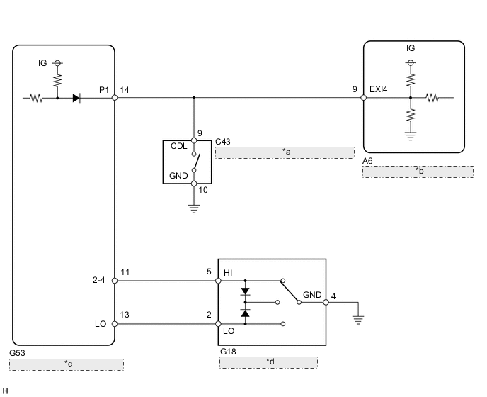
СХЕМА ЭЛЕКТРИЧЕСКИХ СОЕДИНЕНИЙ

B001EETE09
*a Переключатель блокировки межосевого дифференциала (привод переключения раздаточной коробки)
*b Блок управления рабочими цилиндрами тормозов (ЭБУ системы противоскольжения)
*c ЭБУ полного привода
*d Переключатель положения раздаточной коробки

ПРЕДОСТЕРЕЖЕНИЕ / ПРИМЕЧАНИЕ / УКАЗАНИЕ

Note

При замене блока управления рабочими цилиндрами тормозов выполните калибровку (см. стр. Click here).

ПОРЯДОК ВЫПОЛНЕНИЯ


  1. ПРОВЕРЬТЕ ПЕРЕКЛЮЧЕНИЕ БЛОКИРОВКИ МЕЖОСЕВОГО ДИФФЕРЕНЦИАЛА


    1. Убедитесь, что межосевой дифференциал блокируется и разблокируется.

      OK
      Межосевой дифференциал блокируется и разблокируется.

    NG
    OK
  2. ПРОВЕРЬТЕ DTC В РЕЖИМЕ АКТИВНОЙ ДИАГНОСТИКИ


    1. Переведите автомобиль в режим активной диагностики, выполните проверку сигнала блокировки межосевого дифференциала, а затем убедитесь, что DTC C1282 удален (см. стр. Click here).

      Результат
      Результат Перейти к
      DTC не удален А
      DTC удален B

    А
    B
  3. ПРОВЕРЬТЕ НАПРЯЖЕНИЕ НА КОНТАКТЕ (EXI4)


    1. Установите автомобиль в состояние блокировки межосевого дифференциала с помощью переключателя блокировки межосевого дифференциала.

    2. Отсоедините разъем A6 ЭБУ системы противоскольжения.

    3. Установите замок зажигания в положение ON (ВКЛ).

    4. A01XI0BE01
      Обозначения на рисунке
      *a

      Вид спереди разъема со стороны жгута проводов:

      (к ЭБУ системы противоскольжения)

      Измерьте напряжение в соответствии со значениями, приведенными в таблице.

      Номинальное напряжение
      Подключение диагностического прибора Условие Заданные условия
      A6-9 (EXI4) - масса

      Межосевой дифференциал заблокирован

      (переключатель блокировки межосевого дифференциала включен)

      Менее 1,5 В
    5. Подсоедините разъем A6 ЭБУ системы противоскольжения.

    6. Установите автомобиль в состояние разблокировки межосевого дифференциала с помощью переключателя блокировки межосевого дифференциала.

    7. Отсоедините разъем A6 ЭБУ системы противоскольжения.

    8. Установите замок зажигания в положение ON (ВКЛ).

    9. Измерьте напряжение в соответствии со значениями, приведенными в таблице.

      Номинальное напряжение
      Подключение диагностического прибора Условие Заданные условия
      A6-9 (EXI4) - масса

      Межосевой дифференциал разблокирован

      (переключатель блокировки межосевого дифференциала в положении OFF (ВЫКЛ))

      11-14 В

    NG
    OK
  4. ПРОВЕРЬТЕ DTC В РЕЖИМЕ АКТИВНОЙ ДИАГНОСТИКИ


    1. Переведите автомобиль в режим активной диагностики, выполните проверку сигнала блокировки межосевого дифференциала, а затем убедитесь, что DTC C1282 удален (см. стр. Click here).

      Результат
      Результат Перейти к
      DTC не удален А
      DTC удален B

    А
    B
  5. ПРОВЕРЬТЕ ЖГУТ ПРОВОДОВ И РАЗЪЕМ (ЭБУ СИСТЕМЫ ПРОТИВОСКОЛЬЖЕНИЯ – ЭБУ ПОЛНОГО ПРИВОДА / ПРИВОД ПЕРЕКЛЮЧЕНИЯ РАЗДАТОЧНОЙ КОРОБКИ)


    1. Отсоедините разъем A6 ЭБУ системы противоскольжения.

    2. Отсоедините разъем G53 ЭБУ полного привода.

    3. Отсоедините разъем C43 привода переключения раздаточной коробки.

    4. Измерьте сопротивление в соответствии со значениями, приведенными в таблице ниже.

      Номинальное сопротивление
      Подключение диагностического прибора Условие Заданные условия
      A6-9 (EXI4) - G53-14 (P1) Всегда Менее 1 Ом
      A6-9 (EXI4) - C43-9 (CDL) Всегда Менее 1 Ом
      A6-9 (EXI4) - масса Всегда 10 кОм или более

    OK
    NG