CAN COMMUNICATION SYSTEM Open in CAN Main Bus Line (LHD Models)

DESCRIPTION

There may be an open circuit in one of the V bus main lines and/or a DLC3 branch line when the resistance between terminals 6 (CANH) and 14 (CANL) of the DLC3 is 70 Ω or higher.

Symptom Trouble Area
Resistance between terminals 6 (CANH) and 14 (CANL) of DLC3 is 70 Ω or higher.
  • DLC3 branch line or connector

  • CAN main bus line or connector

  • ECM

  • Combination meter assembly

  • CAN No. 1 junction connector

  • CAN No. 2 junction connector

This malfunction is not related to the lines of a CAN main bus branch or to ECUs or sensors connected a CAN main bus branch.

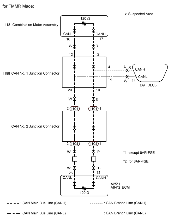
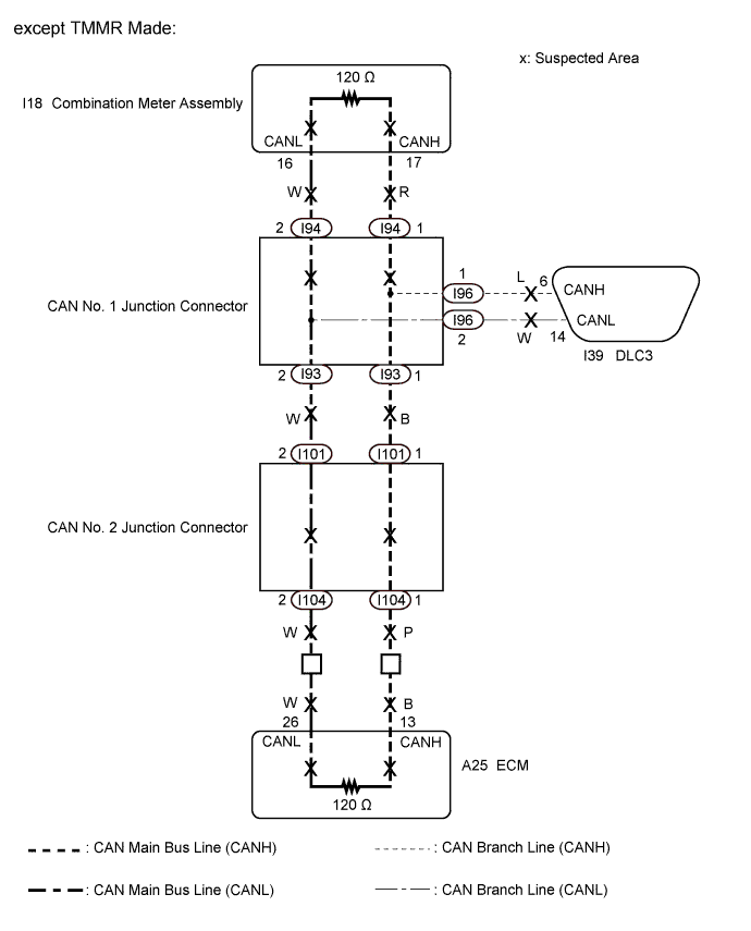
WIRING DIAGRAM

B000KMFE04
B000KL8E02

INSPECTION PROCEDURE

Note


  • Before measuring the resistance of the CAN bus, turn the ignition switch off and leave the vehicle for 1 minute or more without operating the key or any switches, or opening or closing the doors. After that, disconnect the cable from the negative (-) battery terminal and leave the vehicle for 1 minute or more before measuring the resistance.

  • After turning the ignition switch off, waiting time may be required before disconnecting the cable from the negative (-) battery terminal. Therefore, make sure to read the disconnecting the cable from the negative (-) battery terminal notices before proceeding with work Click here.

  • Because the order of diagnosis is important to allow correct diagnosis, make sure to begin troubleshooting using How to Proceed with Troubleshooting when CAN communication system related DTCs are output Click here.

  • After performing repairs, perform the DTC check procedure and confirm that the DTCs are not output again.

  • DTC check procedure: Turn the ignition switch to ON, wait at least 31 seconds, and then drive the vehicle at a speed of 20 km/h (12 mph) or more for at least 5 minutes. Check that the warning light remains off after turning off following the initial light check.

  • After the repair, perform CAN bus check and check that all the ECUs and sensors connected to the CAN communication system are displayed Click here.

Tech Tips


  • Operating the ignition switch, any other switches or a door triggers related ECU and sensor communication on the CAN. This communication will cause the resistance value to change.

  • Even after DTCs are cleared, if a DTC is stored again after driving the vehicle for a while, the malfunction may be occurring due to vibration of the vehicle. In such a case, wiggling the ECUs or wire harness while performing the inspection below may help determine the cause of the malfunction.

  • Connectors that connect to the CAN junction connector can be distinguished by the color of their CAN bus lines. When the connectors have been disconnected from the CAN junction connector, reconnecting the connectors to non-original positions on the CAN junction connector does not affect system performance. However, it is preferred to reconnect the connectors to their original positions to avoid negative effects on the wiring such as tension on the wire harnesses, and to make future maintenance easier.

PROCEDURE


  1. CHECK FOR OPEN IN CAN BUS LINES (DLC3 BRANCH LINE)


    1. Disconnect the cable from the negative (-) battery terminal.

    2. B000J27E01
      Text in Illustration
      *1 DLC3

      Measure the resistance according to the value(s) in the table below.

      Standard Resistance
      Tester Connection Condition Specified Condition
      I39-6 (CANH) - I39-14 (CANL) Cable disconnected from negative (-) battery terminal 108 to 132 Ω

      Note

      When the measured value is 133 Ω or higher and a CAN communication system DTC is output, there may be a fault besides disconnection of the DLC3 branch line. For that reason, troubleshooting should be performed again from How to Proceed with Troubleshooting after repairing the trouble area Click here.


    NG
    OK
  2. CHECK FOR OPEN IN CAN BUS LINES (ECM - CAN NO. 2 J/C)


    1. B000MXUE01
      Text in Illustration
      *A except 6AR-FSE
      *B for 6AR-FSE
      *a

      Front view of wire harness connector

      (to ECM)

      Disconnect the A25 or A84 ECM connector.

    2. Measure the resistance according to the value(s) in the table below.

      Standard Resistance (except 6AR-FSE)
      Tester Connection Condition Specified Condition
      A25-13 (CANH) - A25-26 (CANL) Cable disconnected from negative (-) battery terminal 108 to 132 Ω
      Standard Resistance (for 6AR-FSE)
      Tester Connection Condition Specified Condition
      A84-13 (CANH) - A84-26 (CANL) Cable disconnected from negative (-) battery terminal 108 to 132 Ω
      Result
      Result Proceed to
      OK (for 2GR-FE) A
      OK (for 2AR-FE) B
      OK (for 6AR-FSE) C
      NG D

    B
    C
    D
    A
  3. CHECK FOR OPEN IN CAN BUS LINES (COMBINATION METER ASSEMBLY - CAN NO. 1 J/C)


    1. Reconnect the A25 or A84 ECM connector.

    2. B000I88E35
      Text in Illustration
      *a

      Front view of wire harness connector

      (to Combination Meter Assembly)

      Disconnect the I18 combination meter assembly connector.

    3. Measure the resistance according to the value(s) in the table below.

      Standard Resistance
      Tester Connection Condition Specified Condition
      I18-17 (CANH) - I18-16 (CANL) Cable disconnected from negative (-) battery terminal 108 to 132 Ω
      Result
      Result Proceed to
      OK A
      NG (except TMMR Made) B
      NG (for TMMR Made) C

    B
    C
    A
  4. CHECK FOR OPEN IN CAN BUS LINES (CAN NO. 1 J/C)


    1. Reconnect the I18 combination meter assembly connector.

    2. B000NEXE06
      Text in Illustration
      *a

      Rear view of wire harness connector

      (to CAN No. 1 Junction Connector)

      *b to Combination Meter Assembly
      *c to CAN No. 2 Junction Connector

      Disconnect the CAN No. 1 junction connectors (I93 and I94).

    3. Measure the resistance according to the value(s) in the table below.

      Standard Resistance
      Tester Connection Condition Specified Condition Connected to
      I93-1 (CANH) - I93-2 (CANL) Cable disconnected from negative (-) battery terminal 108 to 132 Ω CAN No. 2 junction connector
      I94-1 (CANH) - I94-2 (CANL) Cable disconnected from negative (-) battery terminal 108 to 132 Ω Combination meter assembly
      Wiring Color
      Code Color (CANH Side) Color (CANL Side) Connected to
      I93 B W CAN No. 2 junction connector
      I94 R W Combination meter assembly

      Note


      • Before disconnecting the connectors, make a note of where they are connected.

      • Reconnect each connector to its original position.

      Result
      Result Proceed to
      OK A
      NG (Combination meter assembly main line) B
      NG (CAN No. 2 junction connector main line) C

    B
    C
    A
  5. CHECK FOR OPEN IN CAN BUS LINES (CAN NO. 2 J/C)


    1. Reconnect the CAN No. 1 junction connectors (I93 and I94).

    2. B000GWRE01
      Text in Illustration
      *a

      Rear view of wire harness connector

      (to CAN No. 2 Junction Connector)

      *b to CAN No. 1 Junction Connector
      *c to ECM

      Disconnect the CAN No. 2 junction connectors (I101 and I104).

    3. Measure the resistance according to the value(s) in the table below.

      Standard Resistance
      Tester Connection Condition Specified Condition Connected to
      I101-1 (CANH) - I101-2 (CANL) Cable disconnected from negative (-) battery terminal 108 to 132 Ω CAN No. 1 junction connector
      I104-1 (CANH) - I104-2 (CANL) Cable disconnected from negative (-) battery terminal 108 to 132 Ω ECM
      Wiring Color
      Code Color (CANH Side) Color (CANL Side) Connected to
      I101 B W CAN No. 1 junction connector
      I104 P W ECM

      Note


      • Before disconnecting the connectors, make a note of where they are connected.

      • Reconnect each connector to its original position.

      Result
      Result Proceed to
      OK A
      NG (CAN No. 1 junction connector main line) B
      NG (ECM main line) C

    B
    C
    A
  6. CHECK FOR OPEN IN CAN BUS LINES (CAN NO. 1 J/C)


    1. Reconnect the I18 combination meter assembly connector.

    2. B000IHIE01
      Text in Illustration
      *a

      Front view of wire harness connector

      (to CAN No. 1 Junction Connector)

      *b to Combination Meter Assembly
      *c to CAN No. 2 Junction Connector

      Disconnect the I198 CAN No. 1 junction connector.

    3. Measure the resistance according to the value(s) in the table below.

      Standard Resistance
      Tester Connection Condition Specified Condition
      I198-2 (CANH) - I198-12 (CANL) Cable disconnected from negative (-) battery terminal 108 to 132 Ω
      I198-10 (CANH) - I198-20 (CANL) Cable disconnected from negative (-) battery terminal 108 to 132 Ω
      Result
      Result Proceed to
      OK A
      NG (Combination meter assembly main line) B
      NG (CAN No. 2 junction connector main line) C

    B
    C
    A
  7. CHECK OPEN IN CAN BUS LINES (CAN NO. 2 J/C)


    1. Reconnect the I198 CAN No. 1 junction connector.

    2. B000GWRE03
      Text in Illustration
      *a

      Rear view of wire harness connector

      (to CAN No. 2 Junction Connector)

      *b to CAN No. 1 Junction Connector
      *c to ECM

      Disconnect the CAN No. 2 junction connectors (I101 and I104).

    3. Measure the resistance according to the value(s) in the table below.

      Standard Resistance
      Tester Connection Condition Specified Condition Connected to
      I101-1 (CANH) - I101-2 (CANL) Cable disconnected from negative (-) battery terminal 108 to 132 Ω CAN No. 1 junction connector
      I104-1 (CANH) - I104-2 (CANL) Cable disconnected from negative (-) battery terminal 108 to 132 Ω ECM
      Wiring Color
      Code Color (CANH Side) Color (CANL Side) Connected to
      I101 B W CAN No. 1 junction connector
      I104 P W ECM

      Note


      • Before disconnecting the connectors, make a note of where they are connected.

      • Reconnect each connector to its original position.

      Result
      Result Proceed to
      OK A
      NG (CAN No. 1 junction connector main line) B
      NG (ECM main line) C

    B
    C
    A