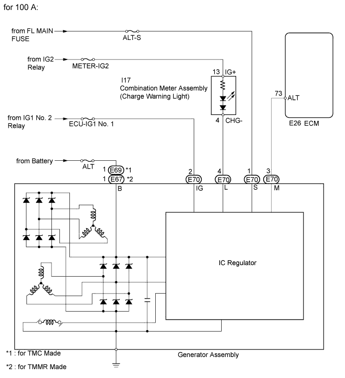
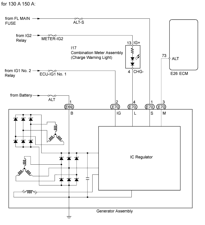
CHARGING SYSTEM SYSTEM DIAGRAM

B000M29E01
B000IXYE01