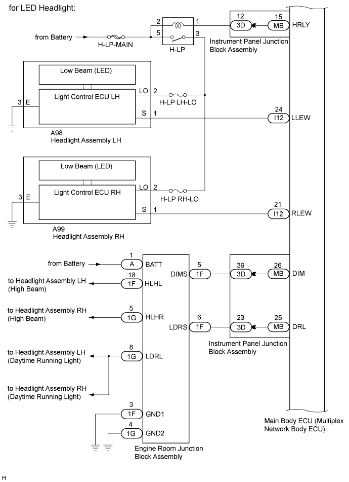
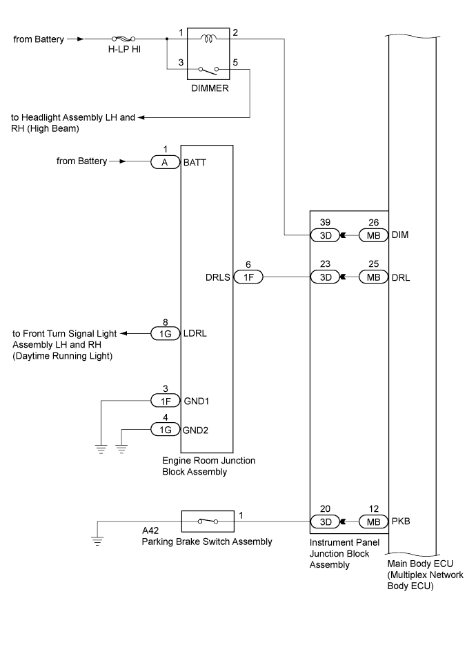
LIGHTING SYSTEM SYSTEM DIAGRAM


  1. for TMC, TMMR Made:

    B000MC4E04
    B000IV2E01 B000KXBE01
    B000JBME01
    B000GXAE02
  2. for TMMK Made:

    B000KNDE01
    B000JYJE01
    B000JMGE01
    B000M8UE04
    B000GXAE03