AUTOMATIC TRANSAXLE SYSTEM, Diagnostic DTC:P0705

DTC Code DTC Name
P0705 Transmission Range Sensor Circuit Malfunction (PRNDL Input)

DESCRIPTION

The park/neutral position switch assembly detects the shift lever position and sends signals to the ECM.

DTC No. DTC Detection Condition Trouble Area
P0705

One of the following conditions (A) through (C) is met (2-trip detection logic)

(A) Either of the following conditions 1, 2 or 3 is met:

1. Any 2 or more signals of the following are ON simultaneously:


  • P input signal is ON.

  • R input signal is ON.

  • D input signal is ON.

2. Any 2 or more signals of the following are ON simultaneously:


  • N input signal is ON.

  • R input signal is ON.

  • D input signal is ON.

3. Any 2 or more signals of the following are ON simultaneously:


  • NSW input signal is ON.

  • R input signal is ON.

  • D input signal is ON.

(B) All switches are OFF simultaneously for P, N, NSW, R and D.

(C) When any of following conditions is met for 2.0 sec. or more in the S position:


  • P input signal is ON.

  • N input signal is ON.

  • NSW input signal is ON.

  • R input signal is ON.


  • Open or short in park/neutral position switch assembly circuit

  • Park/neutral position switch assembly

  • ECM

MONITOR DESCRIPTION

These DTCs indicate a problem with the park/neutral position switch assembly and the wire harness in the park/neutral position switch assembly circuit.

The park/neutral position switch assembly detects the shift lever position and sends signals to the ECM.

For safety, the park/neutral position switch assembly detects the shift lever position so that the engine can be started only when the shift lever is in P or N.

The park/neutral position switch assembly sends a signal to the ECM according to the shift lever position (P, N, NSW, R or D). The ECM determines that there is a problem with the switch or related parts if it receives more than 1 position signal simultaneously. The ECM will turn on the MIL and store the DTC.

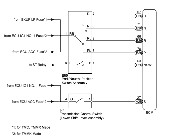
WIRING DIAGRAM

B000HFYE01

INSPECTION PROCEDURE

Tech Tips

Using the intelligent tester to read the Data List allows the values or states of switches, sensors, actuators and other items to be read without removing any parts. This non-intrusive inspection can be very useful because intermittent conditions or signals may be discovered before parts or wiring is disturbed. Reading the Data List information early in troubleshooting is one way to save diagnostic time.

Note

In the table below, the values listed under "Normal Condition" are reference values. Do not depend solely on these reference values when deciding whether a part is faulty or not.


  1. Warm up the engine.

  2. Turn the ignition switch off.

  3. Connect the intelligent tester to the DLC3.

  4. Turn the ignition switch to ON.

  5. Turn the intelligent tester on.

  6. Enter the following menus: Powertrain / Engine and ECT / Data List.

  7. According to the display on the intelligent tester, read the Data List.

    Tester Display Measurement Item / Range Normal Condition Diagnostic Note
    Neutral Position SW Signal PNP switch status / ON or OFF
    • ON: Shift lever is in P or N

    • OFF: Shift lever is not in P or N

    When the shift lever position displayed on the intelligent tester differs from the actual position, adjustment of the PNP switch or the shift cable may be incorrect.
    Shift SW Status (P Range) PNP switch status / ON or OFF
    • ON: Shift lever is in P

    • OFF: Shift lever is not in P

    When the shift lever position displayed on the intelligent tester differs from the actual position, adjustment of the PNP switch or the shift cable may be incorrect.
    Shift SW Status (R Range) PNP switch status / ON or OFF
    • ON: Shift lever is in R

    • OFF: Shift lever is not in R

    When the shift lever position displayed on the intelligent tester differs from the actual position, adjustment of the PNP switch or the shift cable may be incorrect.
    Shift SW Status (N Range) PNP switch status / ON or OFF
    • ON: Shift lever is in N

    • OFF: Shift lever is not in N

    When the shift lever position displayed on the intelligent tester differs from the actual position, adjustment of the PNP switch or the shift cable may be incorrect.
    Shift SW Status (D Range) PNP switch status / ON or OFF
    • ON: Shift lever is in D or S

    • OFF: Shift lever is not in D or S

    When the shift lever position displayed on the intelligent tester differs from the actual position, adjustment of the PNP switch or the shift cable may be incorrect.
    Sports Mode Selection SW Sport mode select switch status/ ON or OFF
    • ON: Shift lever is in S, "+" or "-"

    • OFF: Shift lever is not in S, "+" or "-"

    -

PROCEDURE


  1. CHECK HARNESS AND CONNECTOR (BATTERY - PARK/NEUTRAL POSITION SWITCH)


    1. B000KKOE34
      Text in Illustration
      *a

      Front view of wire harness connector

      (to Park/Neutral Position Switch Assembly)

      Disconnect the park/neutral position switch assembly connector.

    2. Turn the ignition switch to ON.

    3. Measure the voltage according to the value(s) in the table below.

      Standard Voltage
      Tester Connection Switch Condition Specified Condition
      E85-1 (RB) - Body ground Ignition switch ON 11 to 14 V

    NG
    OK
  2. CHECK HARNESS AND CONNECTOR (OUTPUT SIGNAL)


    1. B000KKOE35
      Text in Illustration
      *a

      Front view of wire harness connector

      (to Park/Neutral Position Switch Assembly)

      Turn the ignition switch to ON.

    2. Measure the voltage according to the value(s) in the table below.

      Standard Voltage
      Tester Connection Switch Condition Specified Condition
      E85-4 (B) - Body ground Ignition switch ON 11 to 14 V

    NG
    OK
  3. INSPECT PARK/NEUTRAL POSITION SWITCH ASSEMBLY


    1. B000ICME31
      Text in Illustration
      *a

      Component without harness connected

      (Park/Neutral Position Switch Assembly)

      Disconnect the park/neutral position switch assembly connector.

    2. Measure the resistance according to the value(s) in the table below when the shift lever is moved to each position.

      Standard Resistance
      Tester Connection Shift Lever Position Specified Condition
      E85-4 (B) - E85-9 (L) P or N Below 1 Ω
      Except P and N 10 kΩ or higher
      E85-1 (RB) - E85-3 (PL) P Below 1 Ω
      Except P 10 kΩ or higher
      E85-1 (RB) - E85-8 (NL) N Below 1 Ω
      Except N 10 kΩ or higher
      E85-1 (RB) - E85-2 (RL) R Below 1 Ω
      Except R 10 kΩ or higher
      E85-1 (RB) - E85-7 (DL) D, S, "+" or "-" Below 1 Ω
      Except D, S, "+" and "-" 10 kΩ or higher

    NG
    OK
  4. INSPECT LOWER SHIFT LEVER ASSEMBLY (TRANSMISSION CONTROL SWITCH)


    1. B000MMOE04
      Text in Illustration
      *a

      Component without harness connected

      (Transmission Control Switch)

      Connect the park/neutral position switch assembly connector.

    2. Disconnect the transmission control switch connector from lower shift lever assembly.

    3. Measure resistance according to the value(s) in the table below when the shift lever is moved to each position.

      Standard Resistance
      Tester Connection Shift Position Specified Condition
      I44-4 (IG) - I44-5 (S) S, "+" and "-" Below 1 Ω
      Except S, "+" and "-" 10 kΩ or higher
      Result
      Result Proceed to
      OK A
      NG (for TMC, TMMR Made) B
      NG (for TMMK Made) C

    B
    C
    A
  5. CHECK HARNESS AND CONNECTOR (BATTERY - ECM)


    1. B000L5QE02
      Text in Illustration
      *a

      Front view of wire harness connector

      (to ECM)

      Connect the transmission control switch connector.

    2. Disconnect the ECM connectors.

    3. Turn the ignition switch to ON, and measure the voltage according to the value(s) in the table below when the shift lever is moved to each position.

      Standard Voltage
      Tester Connection Shift Lever Position Specified Condition
      A25-27 (S) - Body ground S, "+" or "-" 11 to 14 V
      Except S, "+" and "-" Below 1 V

    NG
    OK
  6. CHECK HARNESS AND CONNECTOR (PARK/NEUTRAL POSITION SWITCH - ECM)


    1. B000HDPE02
      Text in Illustration
      *a

      Front view of wire harness connector

      (to ECM)

      Disconnect the ECM connectors.

    2. Turn the ignition switch to ON, and measure the voltage according to the value(s) in the table below when the shift lever is moved to each position.

      Standard Voltage
      Tester Connection Shift Lever Position Specified Condition
      E26-70 (P) - Body ground P 11 to 14 V
      Except P Below 1 V
      E26-71 (N) - Body ground N 11 to 14 V
      Except N Below 1 V
      E26-66 (R) - Body ground R 11 to 14 V*
      Except R Below 1 V
      E26-67 (D) - Body ground D, S, "+" or "-" 11 to 14 V
      Except D, S, "+" and "-" Below 1 V

      Tech Tips

      *: The voltage will drop slightly due to lighting up of the back up light.


    NG
    OK
  7. CHECK HARNESS AND CONNECTOR (PARK/NEUTRAL POSITION SWITCH - ECM)


    1. Turn the ignition switch off.

    2. Disconnect the ECM connector.

    3. Disconnect the park/neutral position switch assembly connector.

    4. Measure the resistance according to the value(s) in the table below.

      Standard Resistance (Check for Open)
      Tester Connection Condition Specified Condition
      E85-4 (B) - E26-63 (NSW) Always Below 1 Ω
      Standard Resistance (Check for Short)
      Tester Connection Condition Specified Condition
      E85-4 (B) or E26-63 (NSW) - Body ground and other terminals Always 10 kΩ or higher

    NG
    OK