NAVIGATION SYSTEM Steering Pad Switch Circuit

DESCRIPTION

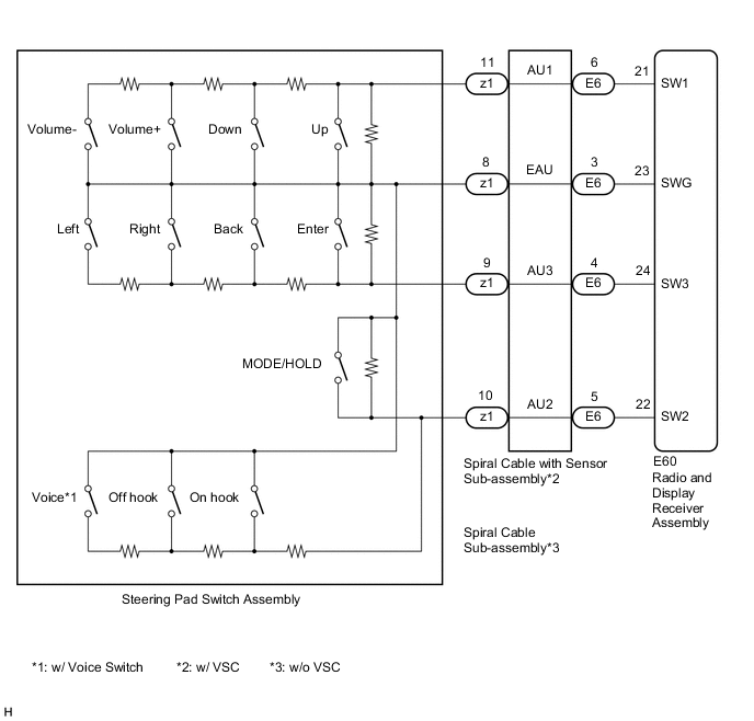
This circuit sends an operation signal from the steering pad switch assembly to the radio and display receiver assembly.

If there is an open in the circuit, the audio system cannot be operated using the steering pad switch assembly.

If there is a short in the circuit, the same condition as when a switch is continuously depressed occurs.

Therefore, the radio and display receiver assembly cannot be operated using the steering pad switch assembly, and also the radio and display receiver assembly itself cannot function.

WIRING DIAGRAM

A01D41KE47

CAUTION / NOTICE / HINT

Note

The vehicle is equipped with a Supplemental Restraint System (SRS) which includes components such as airbags. Before servicing (including removal or installation of parts), be sure to read the precaution for Supplemental Restraint System.

Click here

PROCEDURE


  1. CHECK HARNESS AND CONNECTOR (STEERING PAD SWITCH SIGNAL)


    1. Disconnect the E60 radio and display receiver assembly connector.

    2. Measure the resistance according to the value(s) in the table below.

      Standard Resistance
      Tester Connection Condition Specified Condition
      E60-21 (SW1) - E60-23 (SWG) No switch pushed 95 to 105 kΩ
      Up switch pushed Below 2.5 Ω
      Down switch pushed 313 to 345 Ω
      Volume+ switch pushed 950 to 1050 Ω
      Volume- switch pushed 2955 to 3265 Ω
      E60-22 (SW2) - E60-23 (SWG) No switch pushed 95 to 105 kΩ
      MODE/HOLD switch pushed Below 2.5 Ω
      On hook switch pushed 313 to 345 Ω
      Off hook switch pushed 950 to 1050 Ω
      Voice switch pushed* 2955 to 3265 Ω
      E60-24 (SW3) - E60-23 (SWG) No switch pushed 95 to 105 kΩ
      Enter switch pushed Below 2.5 Ω
      Back switch pushed 313 to 345 Ω
      Right switch pushed 950 to 1050 Ω
      Left switch pushed 2955 to 3265 Ω

      • *: w/ Voice Switch

      Result
      Proceed to
      OK
      NG

    OK
    NG
  2. INSPECT STEERING PAD SWITCH ASSEMBLY


    1. Remove the steering pad switch assembly.

      Click here

    2. Measure the resistance according to the value(s) in the table below.

      A01D5Y5C04
      *A w/ Voice Switch - -
      *a

      Component without harness connected

      (Steering Pad Switch Assembly)

      *b Volume+
      *c Volume- *d Back
      *e MODE/HOLD *f Up
      *g Down *h Left
      *i Right *j Enter
      *k Off hook *l On hook
      *m Voice - -
      Standard Resistance
      Tester Connection Condition Specified Condition
      11 (AU1) - 8 (EAU) No switch pushed 95 to 105 kΩ
      Up switch pushed Below 2.5 Ω
      Down switch pushed 313 to 345 Ω
      Volume+ switch pushed 950 to 1050 Ω
      Volume- switch pushed 2955 to 3265 Ω
      10 (AU2) - 8 (EAU) No switch pushed 95 to 105 kΩ
      MODE/HOLD switch pushed Below 2.5 Ω
      On hook switch pushed 313 to 345 Ω
      Off hook switch pushed 950 to 1050 Ω
      Voice switch pushed* 2955 to 3265 Ω
      9 (AU3) - 8 (EAU) No switch pushed 95 to 105 kΩ
      Enter switch pushed Below 2.5 Ω
      Back switch pushed 313 to 345 Ω
      Right switch pushed 950 to 1050 Ω
      Left switch pushed 2955 to 3265 Ω

      • *: w/ Voice Switch

      Result
      Result Proceed to
      OK (w/ VSC) A
      OK (w/o VSC) B
      NG C

    B
    C
    A
  3. INSPECT SPIRAL CABLE WITH SENSOR SUB-ASSEMBLY


    1. Remove the spiral cable with sensor sub-assembly.

      Click here

    2. A01D4ZOC07
      *a

      Component without harness connected

      (Spiral Cable with Sensor Sub-assembly)

      *b Steering Pad Switch Assembly Side
      *c Vehicle Side

      Measure the resistance according to the value(s) in the table below.

      Standard Resistance
      Tester Connection Condition Specified Condition
      z1-8 (EAU) - E6-3 (EAU) Center 3 Ω or less
      2.5 rotations to the left
      2.5 rotations to the right
      z1-11 (AU1) - E6-6 (AU1) Center 3 Ω or less
      2.5 rotations to the left
      2.5 rotations to the right
      z1-10 (AU2) - E6-5 (AU2) Center 3 Ω or less
      2.5 rotations to the left
      2.5 rotations to the right
      z1-9 (AU3) - E6-4 (AU3) Center 3 Ω or less
      2.5 rotations to the left
      2.5 rotations to the right
    3. After setting the spiral cable with sensor sub-assembly to the center position, rotate the spiral cable with sensor sub-assembly 2.5 times clockwise. Then while rotating the spiral cable with sensor sub-assembly 5 times counterclockwise, measure the resistance according to the table below.

      Standard Resistance
      Tester Connection Condition Specified Condition
      z1-8 (EAU) - E6-3 (EAU) Always 3 Ω or less
      z1-11 (AU1) - E6-6 (AU1) Always 3 Ω or less
      z1-10 (AU2) - E6-5 (AU2) Always 3 Ω or less
      z1-9 (AU3) - E6-4 (AU3) Always 3 Ω or less

      Note


      • Press and hold the lock located in the center of the spiral cable with sensor sub-assembly to rotate the spiral cable with sensor sub-assembly.

      • The spiral cable with sensor sub-assembly is an important part of the SRS airbag system. Incorrect removal or installation of the spiral cable with sensor sub-assembly may prevent the airbag from deploying.

      • As the spiral cable with sensor sub-assembly may break, do not rotate the spiral cable with sensor sub-assembly more than the specified amount.

      Result
      Proceed to
      OK
      NG

    OK
    NG
  4. INSPECT SPIRAL CABLE SUB-ASSEMBLY


    1. Remove the spiral cable sub-assembly.

      Click here

    2. A01D4ZOC07
      *a

      Component without harness connected

      (Spiral Cable Sub-assembly)

      *b Steering Pad Switch Assembly Side
      *c Vehicle Side

      Measure the resistance according to the value(s) in the table below.

      Standard Resistance
      Tester Connection Condition Specified Condition
      z1-8 (EAU) - E6-3 (EAU) Center 3 Ω or less
      2.5 rotations to the left
      2.5 rotations to the right
      z1-11 (AU1) - E6-6 (AU1) Center 3 Ω or less
      2.5 rotations to the left
      2.5 rotations to the right
      z1-10 (AU2) - E6-5 (AU2) Center 3 Ω or less
      2.5 rotations to the left
      2.5 rotations to the right
      z1-9 (AU3) - E6-4 (AU3) Center 3 Ω or less
      2.5 rotations to the left
      2.5 rotations to the right
    3. After setting the spiral cable sub-assembly to the center position, rotate the spiral cable sub-assembly 2.5 times clockwise. Then while rotating the spiral cable sub-assembly 5 times counterclockwise, measure the resistance according to the table below.

      Standard Resistance
      Tester Connection Condition Specified Condition
      z1-8 (EAU) - E6-3 (EAU) Always 3 Ω or less
      z1-11 (AU1) - E6-6 (AU1) Always 3 Ω or less
      z1-10 (AU2) - E6-5 (AU2) Always 3 Ω or less
      z1-9 (AU3) - E6-4 (AU3) Always 3 Ω or less

      Note


      • Press and hold the lock located in the center of the spiral cable sub-assembly to rotate the spiral cable sub-assembly.

      • The spiral cable sub-assembly is an important part of the SRS airbag system. Incorrect removal or installation of the spiral cable sub-assembly may prevent the airbag from deploying.

      • As the spiral cable sub-assembly may break, do not rotate the spiral cable sub-assembly more than the specified amount.

      Result
      Proceed to
      OK
      NG

    OK
    NG