NAVIGATION SYSTEM SYSTEM DIAGRAM

A01TA90E01

Figure 1. w/o Manual (SOS) Switch

A01TBCNE03
*1 Map Light Assembly (Telephone Microphone Assembly)
*2 Radio and Display Receiver Assembly

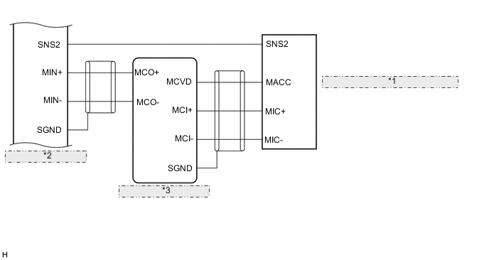
Figure 2. w/ Manual (SOS) Switch

A01T8HIE07
*1 Map Light Assembly (Telephone Microphone Assembly)
*2 Radio and Display Receiver Assembly
*3 Telematics Transceiver
A01TC09E07
A01TC95E01
A01TB24E02
A01TDRIE04
A01TA4BE02