AUDIO AND VISUAL SYSTEM(for Sedan Radio and Display Type) SYSTEM DIAGRAM

A01TDF7E01
A01TC53E01

Figure 1. w/ Manual (SOS) Switch

A01T8HIE04
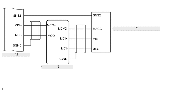
*1 Map Light Assembly (Telephone Microphone Assembly)
*2 Radio and Display Receiver Assembly
*3 Telematics Transceiver

Figure 2. w/o Manual (SOS) Switch

A01TBCNE02
*1 Map Light Assembly (Telephone Microphone Assembly)
*2 Radio and Display Receiver Assembly
A01TA4BE03