DESCRIPTION
for Automatic Sound Levelizer (ASL):
This circuit is necessary for the Automatic Sound Levelizer (ASL) built into the radio and display receiver assembly.
The Automatic Sound Levelizer (ASL) function automatically adjusts the audio system volume level in order to compensate for increased vehicle noise (vehicle noise tends to increase as vehicle speed increases). The ASL adjusts the volume level based upon vehicle speed signals sent from the combination meter assembly.
for "Bluetooth":
Vehicle speed signals are received from the combination meter assembly and used to cancel "Bluetooth" function operation.
The radio and display receiver assembly recognizes that the vehicle is being driven and makes it impossible to connect or register a "Bluetooth" device while driving.
Tech Tips
A voltage of 12 V or 5 V is output from each ECU and then input to the combination meter assembly. The signal is changed to a pulse signal at the transistor in the combination meter assembly. Each ECU controls its respective system based on this pulse signal.
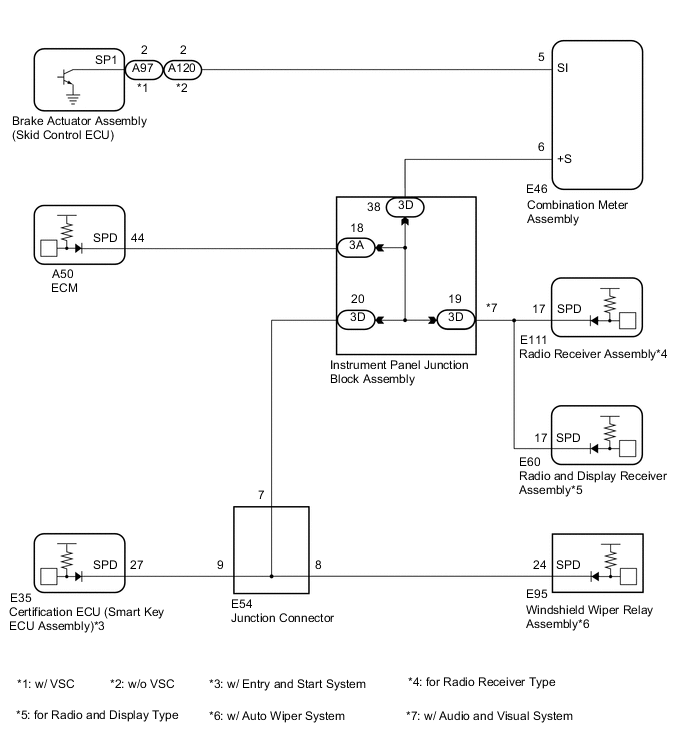
If a short occurs in any of the ECUs or in the wire harness connected to an ECU, all systems in the following diagram will not operate normally.
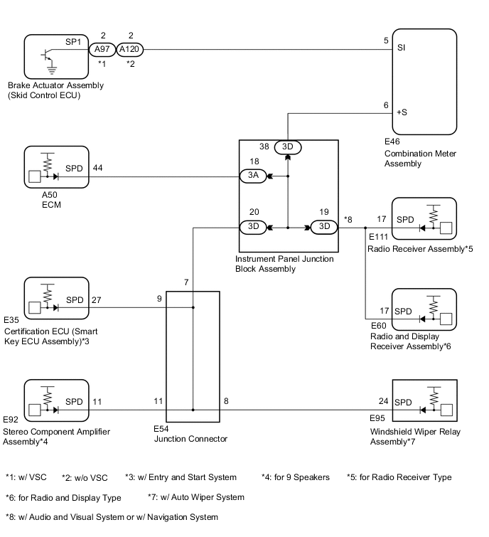
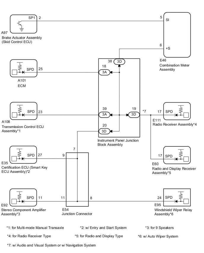
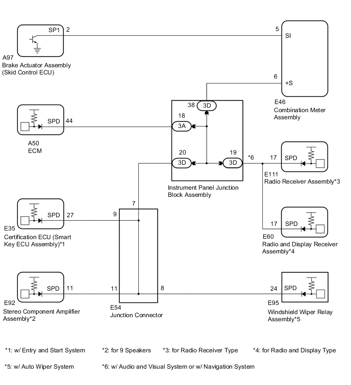
WIRING DIAGRAM
for 1ND-TV
for 1NR-FE
for 1ZR-FE, 2ZR-FE
for 1ZR-FAE
PROCEDURE
CHECK VEHICLE SIGNAL (OPERATION CHECK)
Enter the "Vehicle Signal Check Mode" screen. Refer to Check Vehicle Signal Check Mode in Operation Check.
While driving the vehicle, compare the value displayed for "SPEED" to the reading on the speedometer. Check if these readings are almost equal.
Tech Tips
The combination meter assembly receives the vehicle speed signal from the skid control ECU via CAN communication. Therefore, perform the following inspection referring to values on the Data List of the skid control ECU because it is the source of the vehicle speed signal.
| OK |
|---|
| Vehicle speed displayed on the "Vehicle Signal Check Mode" screen is almost the same as the actual vehicle speed measured using the GTS. |
| for Anti-lock Brake System (for Type A): Click here Click here |
| for Anti-lock Brake System (for Type B): Click here Click here |
| for Vehicle Stability Control System: Click here Click here |
| Result | |||
|---|---|---|---|
|
| OK |
|
PROCEED TO NEXT SUSPECTED AREA SHOWN IN PROBLEM SYMPTOMS TABLE Click here |
| NG |
|
INSPECT COMBINATION METER ASSEMBLY (OUTPUT WAVEFORM)
Check the output waveform.
| *a | Component with harness connected (Combination Meter Assembly) |
- | - |
Remove the combination meter assembly with the connector still connected.
Connect an oscilloscope to terminal E46-6 (+S) and body ground.
Turn the ignition switch to ON.
Turn a wheel slowly.
Check the signal waveform according to the condition(s) in the table below.
| Item | Condition |
|---|---|
| Measurement terminal | E46-6 (+S) - Body ground |
| Tool setting | 5 V/DIV., 20 ms./DIV. |
| Vehicle condition | Wheel being rotated |
| OK |
|---|
| The waveform is similar to that shown in the illustration. |
Tech Tips
When the system is functioning normally, one wheel revolution generates 4 pulses. As the vehicle speed increases, the width indicated by (A) in the illustration narrows.
| Result | |||
|---|---|---|---|
|
| NG |
|
GO TO METER / GAUGE SYSTEM Click here |
| OK |
|
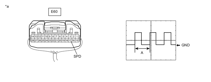
INSPECT RADIO AND DISPLAY RECEIVER ASSEMBLY (INPUT WAVEFORM)
Check the input waveform.
| *a | Component with harness connected (Radio and Display Receiver Assembly) |
- | - |
Remove the radio and display receiver assembly with the connector still connected.
Connect an oscilloscope to terminal E60-17 (SPD) and body ground.
Turn the ignition switch to ON.
Turn a wheel slowly.
Check the signal waveform according to the condition(s) in the table below.
| Item | Condition |
|---|---|
| Measurement terminal | E60-17 (SPD) - Body ground |
| Tool setting | 5 V/DIV., 20 ms./DIV. |
| Vehicle condition | Wheel being rotated |
| OK |
|---|
| The waveform is similar to that shown in the illustration. |
Tech Tips
When the system is functioning normally, one wheel revolution generates 4 pulses. As the vehicle speed increases, the width indicated by (A) in the illustration narrows.
| Result | |||
|---|---|---|---|
|
| OK |
|
REPLACE RADIO AND DISPLAY RECEIVER ASSEMBLY Click here |
| NG |
|
CHECK HARNESS AND CONNECTOR (RADIO AND DISPLAY RECEIVER ASSEMBLY - INSTRUMENT PANEL JUNCTION BLOCK ASSEMBLY)
Disconnect the E60 radio and display receiver assembly connector.
Disconnect the 3D instrument panel junction block assembly connector.
Measure the resistance according to the value(s) in the table below.
| Standard Resistance | ||||||
|---|---|---|---|---|---|---|
|
| Result | |||
|---|---|---|---|
|
| NG |
|
REPAIR OR REPLACE HARNESS OR CONNECTOR |
| OK |
|
INSPECT INSTRUMENT PANEL JUNCTION BLOCK ASSEMBLY
Remove the instrument panel junction block assembly.
for LHD: Click here
for RHD: Click here
| *a | Component without harness connected (Instrument Panel Junction Block Assembly) |
Measure the resistance according to the value(s) in the table below.
| Standard Resistance | ||||||
|---|---|---|---|---|---|---|
|
| Result | |||
|---|---|---|---|
|
| OK |
|
REPAIR OR REPLACE HARNESS OR CONNECTOR (COMBINATION METER ASSEMBLY - INSTRUMENT PANEL JUNCTION BLOCK ASSEMBLY) |
| NG |
|
REPLACE INSTRUMENT PANEL JUNCTION BLOCK ASSEMBLY for LHD: Click here |