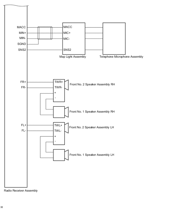
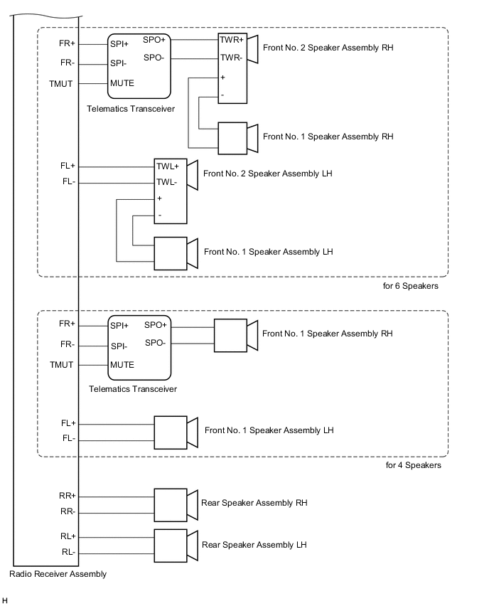
AUDIO AND VISUAL SYSTEM(for Radio Receiver Type) SYSTEM DIAGRAM


  1. w/ Manual (SOS) Switch for Sedan

    A01T9THE01
    A01T8HIE08
    *1 Map Light Assembly (Telephone Microphone Assembly)
    *2 Radio Receiver Assembly
    *3 Telematics Transceiver
    A01T8DBE03
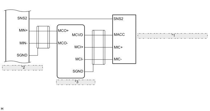
  2. w/o Manual (SOS) Switch for Sedan

    A01T9THE01
    A01TBYAE01
    *1 Map Light Assembly
    *2 Telephone Microphone Assembly
    *3 w/ Microphone
    *4 Radio Receiver Assembly
    A01TATCE01
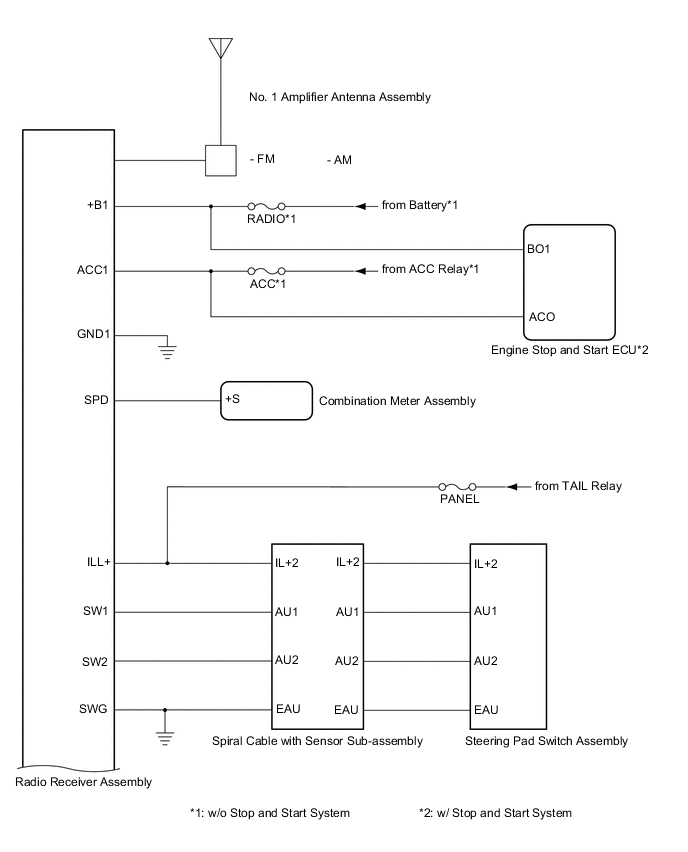
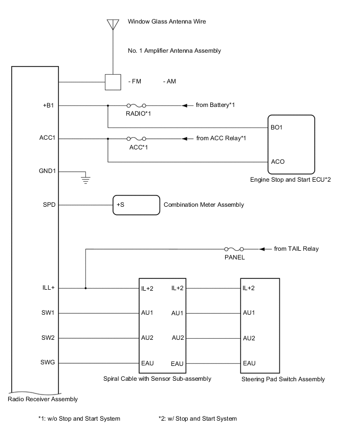
  3. except Sedan

    A01TDS4E03
    A01TC7XE01