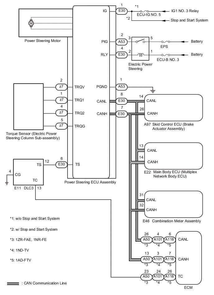
POWER STEERING SYSTEM SYSTEM DIAGRAM

A00Y8C3E01