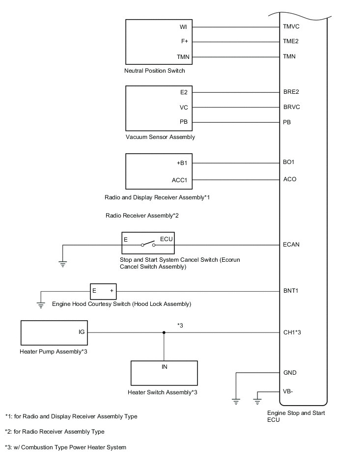
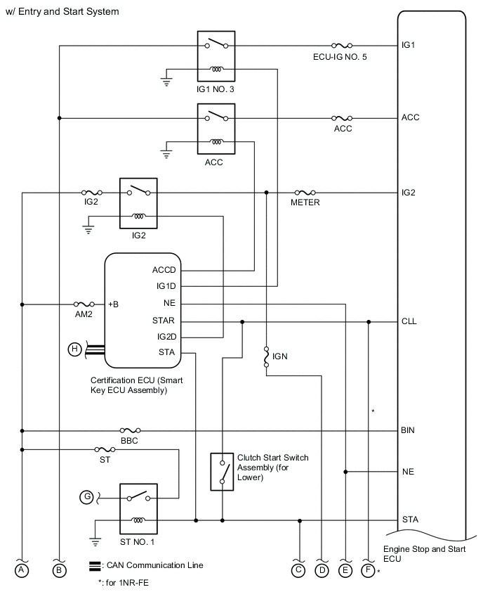
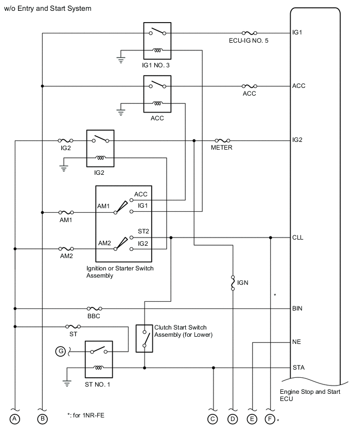
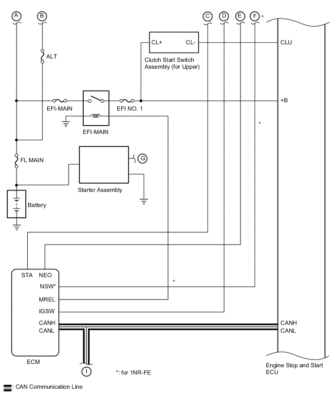
STOP AND START SYSTEM SYSTEM DIAGRAM

A00YA7DE01
A00YAS1E01
A00Y5L2E01
A00Y6G2E01
A00YAR2E01