CRUISE CONTROL SYSTEM(except 1ND-TV, 8NR-FTS) Cruise Control Switch Circuit

DESCRIPTION

The cruise control switch is used to turn the cruise control system on and off, as well as operate 7 functions: SET, - (COAST), TAP-DOWN, RES (RESUME), + (ACCEL), TAP-UP and CANCEL. The SET, TAP-DOWN and - (COAST) functions, and the RES (RESUME), TAP-UP and + (ACCEL) functions are operated with the same switch. The cruise control switch is an automatic return type switch which turns on only while operating it in the direction of each arrow and turns off after releasing it. The internal contact points of the cruise control switch turn on with switch operation. Then the ECM reads the voltage value that has been changed by the switch operation to control SET, - (COAST), RES (RESUME), + (ACCEL), and CANCEL.

WIRING DIAGRAM

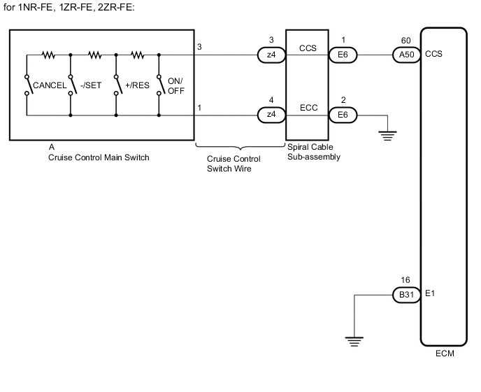
A01M0R4E01
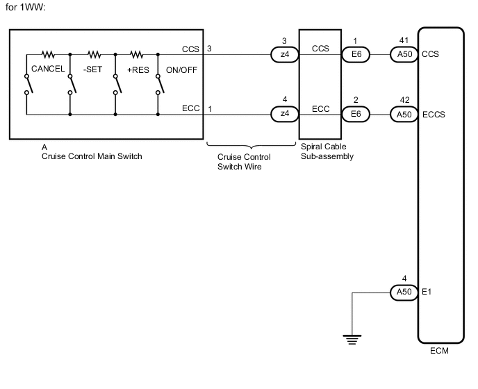
A01M0R4E02
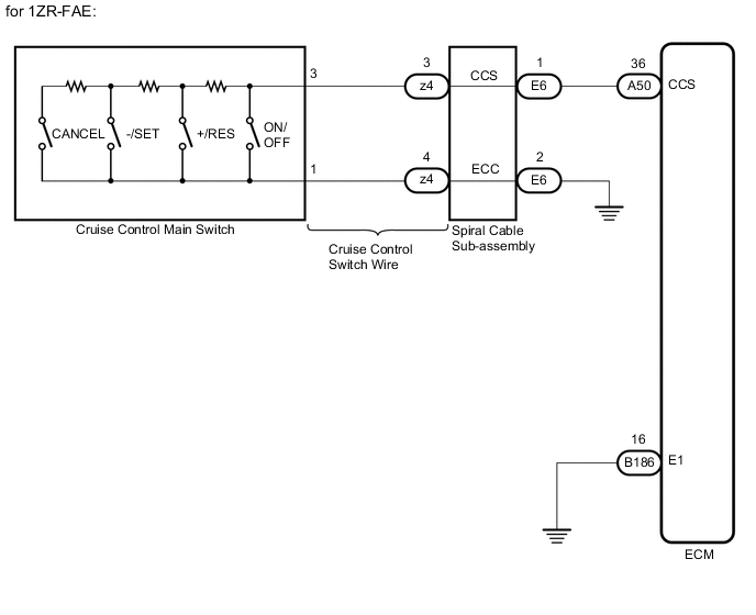
A01LXDLE03

CAUTION / NOTICE / HINT

Note

Before replacing the ECM, refer to Service Bulletin.

PROCEDURE


  1. READ VALUE ON GTS


    1. A01LX6DC01
      *a ON-OFF
      *b -/SET
      *c +/RES
      *d CANCEL

      Connect the GTS to the DLC3.

    2. Turn the ignition switch to ON.

    3. Turn the GTS on.

    4. Enter the following menus: Powertrain / Cruise Control / Data List.

    5. for 1NR-FE, 1ZR-FAE, 1ZR-FE, 2ZR-FE:

      Check the Data List to confirm proper functioning of the cruise control switch.


      Powertrain > Cruise Control > Data List
      Tester Display Measurement Item Range Normal Condition Diagnostic Note
      Main SW M-CPU Cruise control switch signal (Main CPU) ON or OFF

      ON: Cruise control switch (ON-OFF button) pushed

      OFF: Cruise control switch (ON-OFF button) released

      -
      Cancel Switch CANCEL switch signal ON or OFF

      ON: CANCEL switch on

      OFF: CANCEL switch off

      -
      SET/COAST Switch -/SET switch signal ON or OFF

      ON: -/SET switch on

      OFF: -/SET switch off

      -
      RES/ACC Switch +/RES switch signal ON or OFF

      ON: +/RES switch on

      OFF: +/RES switch off

      -

      Powertrain > Cruise Control > Data List
      Tester Display
      Main SW M-CPU
      Cancel Switch
      SET/COAST Switch
      RES/ACC Switch
    6. for 1WW:

      Check the Data List to confirm proper functioning of the cruise control switch.


      Powertrain > Cruise Control > Data List
      Tester Display Measurement Item Range Normal Condition Diagnostic Note
      CANCEL SW CANCEL switch signal ON or OFF

      ON: CANCEL switch on

      OFF: CANCEL switch off

      -
      -SET SW -SET switch signal ON or OFF

      ON: -SET switch on

      OFF: -SET switch off

      -
      +RES SW +RES switch signal ON or OFF

      ON: +RES switch on

      OFF: +RES switch off

      -
      Cruise Control Switch Cruise control switch signal ON or OFF

      ON: Cruise control switch (ON-OFF switch) pushed

      OFF: Cruise control switch (ON-OFF switch) released

      -

      Powertrain > Cruise Control > Data List
      Tester Display
      CANCEL SW
      -SET SW
      +RES SW
      Cruise Control Switch
      OK
      When the cruise control switch is operated, the display changes as shown above.
      Result
      Proceed to
      OK
      NG

    OK
    NG
  2. INSPECT CRUISE CONTROL SWITCH


    1. Remove the cruise control switch.

      Click here

    2. Measure the resistance according to the value(s) in the table below.

      A01M14CC01
      *1 Cruise Control Switch (ON-OFF button) - -
      *a

      Component without harness connected

      (Cruise Control Switch (Cruise Control Main Switch))

      *b ON-OFF
      *c +/RES *d -/SET
      *e CANCEL - -
      Standard Resistance
      Tester Connection Condition Specified Condition
      1 - 3 Cruise control switch (ON-OFF button) released 1 MΩ or higher
      Cruise control switch (ON-OFF button) pushed Below 2.5 Ω
      +/RES switch ON 235 to 245 Ω
      -/SET switch ON 617 to 643 Ω
      CANCEL switch ON 1509 to 1571 Ω
      Result
      Proceed to
      OK
      NG

    NG
    OK
  3. CHECK CRUISE CONTROL SWITCH WIRE


    1. A01LXHWC16
      *a

      Front view of wire harness connector

      (to Spiral Cable Sub-assembly)

      *b

      Front view of wire harness connector

      (to Cruise Control Main Switch)

      Remove the cruise control switch wire.

    2. Measure the resistance according to the value(s) in the table below.

      Standard Resistance (Check for Open)
      Tester Connection Condition Specified Condition
      A-3 - z4-3 Always Below 1 Ω
      A-1 - z4-4 Always Below 1 Ω
      Result
      Proceed to
      OK
      NG

    NG
    OK
  4. INSPECT SPIRAL CABLE SUB-ASSEMBLY


    1. Inspect the spiral cable sub-assembly.

      w/ VSC: Click here

      w/o VSC: Click here

      Result
      Result Proceed to
      OK A
      NG (w/ VSC) B
      NG (w/o VSC) C

    B
    C
    A
  5. CHECK HARNESS AND CONNECTOR (SPIRAL CABLE SUB-ASSEMBLY - ECM AND BODY GROUND)


    1. Disconnect the ECM connector.

    2. Disconnect the spiral cable sub-assembly connector.

    3. Measure the resistance according to the value(s) in the table below.

      Standard Resistance (Check for Open)
      for 1NR-FE, 1ZR-FE, 2ZR-FE
      Tester Connection Condition Specified Condition
      A50-60 (CCS) - E6-1 (CCS) Always Below 1 Ω
      for 1ZR-FAE
      Tester Connection Condition Specified Condition
      A50-36 (CCS) - E6-1 (CCS) Always Below 1 Ω
      for 1WW
      Tester Connection Condition Specified Condition
      A50-41 (CCS) - E6-1 (CCS) Always Below 1 Ω
      A50-42 (ECCS) - E6-2 (ECC) Always Below 1 Ω
      Standard Resistance (Check for Short)
      for 1NR-FE, 1ZR-FE, 2ZR-FE
      Tester Connection Condition Specified Condition
      A50-60 (CCS) or E6-1 (CCS) - Body ground Always 10 kΩ or higher
      for 1ZR-FAE
      Tester Connection Condition Specified Condition
      A50-36 (CCS) or E6-1 (CCS) - Body ground Always 10 kΩ or higher
      for 1WW
      Tester Connection Condition Specified Condition
      A50-41 (CCS) or E6-1 (CCS) - Body ground Always 10 kΩ or higher
      A50-42 (ECCS) or E6-2 (ECC) - Body ground Always 10 kΩ or higher
    4. Reconnect the spiral cable sub-assembly connector.

    5. Reconnect the ECM connector.

      Result
      Result Proceed to
      OK (for 1NR-FE, 1ZR-FAE, 1ZR-FE, 2ZR-FE) A
      OK (for 1WW) B
      NG C

    B
    C
    A
  6. CHECK HARNESS AND CONNECTOR (SPIRAL CABLE SUB-ASSEMBLY - BODY GROUND)


    1. Disconnect the spiral cable sub-assembly connector.

    2. Measure the resistance according to the value(s) in the table below.

      Standard Resistance (Check for Open)
      Tester Connection Condition Specified Condition
      E6-2 (ECC) - Body ground Always Below 1 Ω
      Result
      Proceed to
      OK
      NG
    3. Reconnect the spiral cable sub-assembly connector.


    OK
    NG
  7. CHECK HARNESS AND CONNECTOR (ECM - BODY GROUND)


    1. Disconnect the ECM connector.

    2. Measure the resistance according to the value(s) in the table below.

      Standard Resistance (Check for Open)
      Tester Connection Condition Specified Condition
      A50-4 (E1) - Body ground Always Below 1 Ω
    3. Reconnect the ECM connector.

      Result
      Proceed to
      OK
      NG

    OK
    NG