REAR VIEW MONITOR SYSTEM(except Sedan) Image from Camera for Rear View Monitor is Abnormal

DESCRIPTION

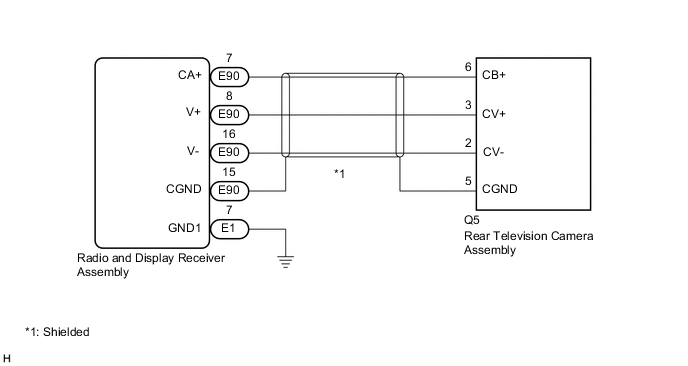
The display signal of the rear television camera assembly is transmitted to the radio and display receiver assembly.

WIRING DIAGRAM

A012MC3E01

PROCEDURE


  1. CHECK HARNESS AND CONNECTOR (RADIO AND DISPLAY RECEIVER ASSEMBLY - REAR TELEVISION CAMERA ASSEMBLY)


    1. Disconnect the E90 radio and display receiver assembly connector.

    2. Disconnect the Q5 rear television camera assembly connector.

    3. Measure the resistance according to the value(s) in the table below.

      Standard Resistance
      Tester Connection Condition Specified Condition
      E90-7 (CA+) - Q5-6 (CB+) Always Below 1 Ω
      E90-8 (V+) - Q5-3 (CV+) Always Below 1 Ω
      E90-16 (V-) - Q5-2 (CV-) Always Below 1 Ω
      E90-15 (CGND) - Q5-5 (CGND) Always Below 1 Ω
      E90-7 (CA+) - Body ground Always 10 kΩ or higher
      E90-8 (V+) - Body ground Always 10 kΩ or higher
      E90-16 (V-) - Body ground Always 10 kΩ or higher
      E90-15 (CGND) - Body ground Always 10 kΩ or higher
      Result
      Proceed to
      OK
      NG

    NG
    OK
  2. INSPECT RADIO AND DISPLAY RECEIVER ASSEMBLY


    1. Reconnect the E90 radio and display receiver assembly connector.

    2. A012H0CC01
      *a

      Component with harness connected

      (Radio and Display Receiver Assembly)

      Measure the resistance according to the value(s) in the table below.

      Standard Resistance
      Tester Connection Condition Specified Condition
      E90-16 (V-) - Body ground Always Below 1 Ω
      E90-15 (CGND) - Body ground Always Below 1 Ω
    3. Measure the voltage according to the value(s) in the table below.

      Standard Voltage
      Tester Connection Condition Specified Condition
      E90-7 (CA+) - E90-15 (CGND) Within 60 seconds of turning the ignition switch to ACC 5.5 to 7.05 V
      Result
      Proceed to
      OK
      NG

    NG
    OK
  3. INSPECT REAR TELEVISION CAMERA ASSEMBLY


    1. Reconnect the Q5 rear television camera assembly connector.

    2. A012H0CC02
      *a

      Component with harness connected

      (Radio and Display Receiver Assembly)

      A012L06C01
      *a

      Component with harness connected

      (Radio and Display Receiver Assembly)

      A012IW7C01
      *a Waveform 1 (camera lens is not covered, displaying an image)
      *b Waveform 2 (camera lens is covered, blacking out the screen)
      *c Synchronization Signal
      *d Video Waveform

      Check the waveform of the rear television camera assembly using an oscilloscope.

      Tech Tips

      A waterproof connector is used for the rear television camera assembly. Therefore, inspect the waveform at the radio and display receiver assembly with the connector connected.

      OK
      Waveform is similar to that shown in the illustration.
      Item Content
      Terminal No. (Symbol) E90-8 (V+) - E1-7 (GND1)
      Tool Setting 200 mV/DIV., 50 μsec./DIV.
      Condition Ignition switch ON, shift lever in R

      Tech Tips

      The video waveform changes according to the image sent by the rear television camera assembly.

      Result
      Proceed to
      OK
      NG

    OK
    NG