СИСТЕМА ПЕРЕДАЧИ ДАННЫХ CAN (для моделей с правосторонним рулевым управлением), Diagnostic DTC:U1002

Код DTC Наименование DTC
U1002 Нарушение обмена данными с блоком сетевого шлюза (шина датчика)

ОПИСАНИЕ


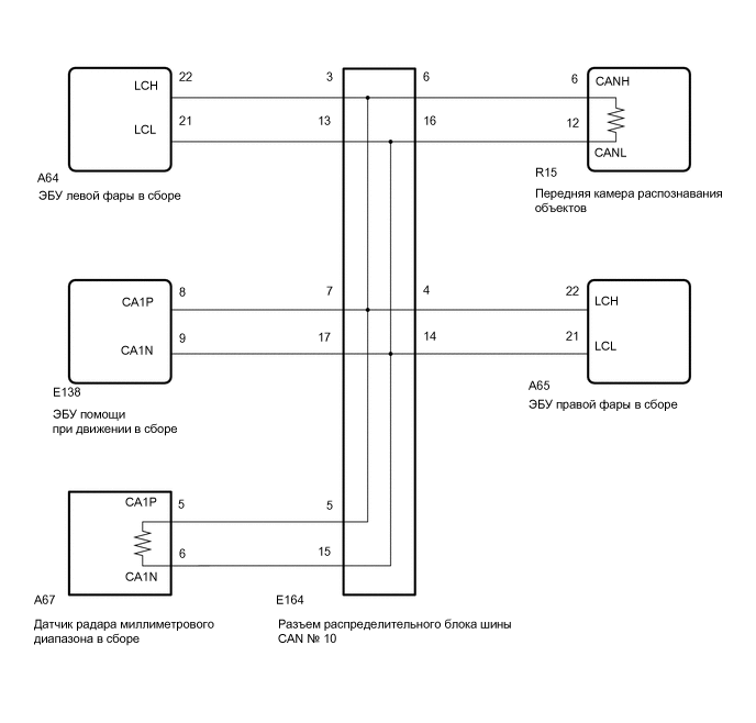
СХЕМА ЭЛЕКТРИЧЕСКИХ СОЕДИНЕНИЙ

B0019XHE07

ПРЕДОСТЕРЕЖЕНИЕ / ПРИМЕЧАНИЕ / УКАЗАНИЕ

Note


  • По причине того, что порядок диагностики важен для обеспечения правильной диагностики, начните с процедур поиска неисправностей в случае появления кодов DTC, относящихся к системе передачи данных CAN (см. стр. Click here).

  • Перед измерением сопротивления шины CAN, выключите зажигание и оставьте автомобиль в покое на 1 минуту или более, не приводя в действие ключ, другие переключатели и не открывая/закрывая двери. После этого, отсоедините провод от отрицательного (-) вывода аккумуляторной батареи и перед измерением сопротивления оставьте автомобиль в покое на 1 минуту или более.

  • После выключения двигателя следует подождать некоторое время, прежде чем отсоединять провод от вывода аккумуляторной батареи. Поэтому, прежде чем приступать к этой работе, обязательно ознакомьтесь с примечанием относительно отсоединения провода от вывода аккумуляторной батареи (см. стр. Click here).

  • Перед выполнением следующей процедуры проверки проверьте предохранители цепей, относящихся к данной системе.

  • После ремонта выполните процедуру проверки кодов DTC и убедитесь, что коды DTC не выводятся снова.

  • Процедура проверки кодов DTC: Включите зажигание (IG) и подождите не менее 6 с.

  • После ремонта выполните проверку шины CAN и убедитесь, что отображаются все ЭБУ и датчики, подсоединенные к системе передачи данных CAN (См. стр. Click here).

Tech Tips


  • Управление выключателем зажигания, любыми выключателями, связанными с дверными защелками ЭБУ и датчиками, обмен данными с которыми осуществляется посредством сети CAN, приводит к колебанию сопротивления.

  • Если DTC регистрируется при непродолжительном движении на автомобиле даже после удаления кодов DTC, неисправность может возникать вследствие вибрации автомобиля. В подобных случаях необходимо пошевелить разъемы ЭБУ или жгутов проводов во время проверки, чтобы установить причину неисправности.

ПОРЯДОК ВЫПОЛНЕНИЯ


  1. ПРОВЕРЬТЕ ЛОКАЛЬНУЮ ШИНУ


    1. B00189HE01
      Обозначения на рисунке
      *a

      Устройство с подсоединенным жгутом проводов

      (ЭБУ помощи при движении)

      *B Вид спереди разъема DLC3

      Отсоедините провод от отрицательного (-) вывода аккумуляторной батареи.

    2. Измерьте сопротивление в соответствии со значениями, приведенными в таблице ниже.

      Номинальное сопротивление
      Подключение диагностического прибора Условие Заданные условия Сопротивление: Неисправность
      E138-8 (CA1P) - E138-9 (CA1N) Провод отсоединен от отрицательного (-) вывода аккумуляторной батареи 54 - 69 Ом Менее 53 Ом: Короткое замыкание в шине
      E138-8 (CA1P) - E138-9 (CA1N) Провод отсоединен от отрицательного (-) вывода аккумуляторной батареи 54 - 69 Ом Более 70 Ом: Обрыв в главной шине CAN
      E138-8 (CA1P) - E22-16 (BAT) Провод отсоединен от отрицательного (-) вывода аккумуляторной батареи 6 кОм или более Менее 6 кОм: Замыкание на +B
      E138-9 (CA1N) - E22-16 (BAT) Провод отсоединен от отрицательного (-) вывода аккумуляторной батареи 6 кОм или более Менее 6 кОм: Замыкание на +B
      E138-8 (CA1P) - E22-4 (CG) Провод отсоединен от отрицательного (-) вывода аккумуляторной батареи 200 Ом или более Менее 200 Ом: Короткое замыкание на массу
      E138-9 (CA1N) - E22-4 (CG) Провод отсоединен от отрицательного (-) вывода аккумуляторной батареи 200 Ом или более Менее 200 Ом: Короткое замыкание на массу
      Результат
      Результат Перейти к
      OK А
      NG (обрыв в линии главной шины CAN) B
      NG (короткое замыкание между линиями шины) C

      NG


      • Короткое замыкание на массу

      • Замыкание на +B

      D

    B
    C
    D
    А
  2. ПРОВЕРЬТЕ, ВЫВОДЯТСЯ ЛИ DTC


    1. Сбросьте коды DTC (см. стр. Click here).

    2. Повторно проверьте наличие кодов DTC и убедитесь, что коды DTC не выводятся (см. стр. Click here).

      OK
      DTC U1002 не выводится.

    OK
    NG
  3. ПРОВЕРЬТЕ ГЛАВНУЮ ШИНУ CAN НА ОБРЫВ (ПЕРЕДНЯЯ КАМЕРА РАСПОЗНАВАНИЯ ОБЪЕКТОВ)


    1. B0018PUE01
      Обозначения на рисунке
      *a

      Вид спереди разъема со стороны жгута проводов:

      (к передней камере распознавания объектов)

      Отсоедините разъем передней камеры распознавания объектов.

    2. Измерьте сопротивление в соответствии со значениями, приведенными в таблице ниже.

      Номинальное сопротивление
      Подключение диагностического прибора Условие Заданные условия
      R15-6 (CANH) - R15-12 (CANL) Провод отсоединен от отрицательного (-) вывода аккумуляторной батареи 108 - 132 Ом

    OK
    NG
  4. ПОДСОЕДИНИТЕ РАЗЪЕМ


    1. Подсоедините разъем R15 передней камеры распознавания объектов.


    ДАЛЕЕ
  5. ПРОВЕРЬТЕ ГЛАВНУЮ ШИНУ CAN НА ОБРЫВ (ДАТЧИК РАДАРА МИЛЛИМЕТРОВОГО ДИАПАЗОНА)


    1. B001AK8E01
      Обозначения на рисунке
      *a

      Вид спереди разъема со стороны жгута проводов:

      (к датчику радара миллиметрового диапазона в сборе)

      Отсоедините разъем датчика радара миллиметрового диапазона в сборе.

    2. Измерьте сопротивление в соответствии со значениями, приведенными в таблице ниже.

      Номинальное сопротивление
      Подключение диагностического прибора Условие Заданные условия
      A67-5 (CA1P) - A67-6 (CA1N) Провод отсоединен от отрицательного (-) вывода аккумуляторной батареи 108 - 132 Ом

    OK
    NG
  6. ПОДСОЕДИНИТЕ РАЗЪЕМ


    1. Подсоедините разъем A67 датчика радара миллиметрового диапазона в сборе.


    ДАЛЕЕ
  7. ПРОВЕРЬТЕ ГЛАВНУЮ ШИНУ CAN НА ОБРЫВ (РАЗЪЕМ РАСПРЕДЕЛИТЕЛЬНОГО БЛОКА CAN № 10)


    1. Отсоедините разъем распределительного блока шины CAN № 10.

      B00186AE01
      Обозначения на рисунке
      *a

      Вид спереди разъема со стороны жгута проводов:

      (к разъему распределительного блока шины CAN № 10)

      *b К датчику радара миллиметрового диапазона в сборе
      *c к передней камере распознавания объектов - -
    2. Измерьте сопротивление в соответствии со значениями, приведенными в таблице ниже.

      Номинальное сопротивление
      Подключение диагностического прибора Условие Заданные условия Куда подсоединить
      E164-5 (CANH) - E164-15 (CANL) Провод отсоединен от отрицательного (-) вывода аккумуляторной батареи 108 - 132 Ом Датчик радара миллиметрового диапазона в сборе
      E164-6 (CANH) - E164-16 (CANL) Провод отсоединен от отрицательного (-) вывода аккумуляторной батареи 108 - 132 Ом Передняя камера распознавания объектов
      Результат
      Результат Следующий шаг
      OK А
      NG (линия главной шины CAN датчика радара миллиметрового диапазона) B
      NG (главная шина CAN передней камеры распознавания объектов) C

    А
    B
    C
  8. ПРОВЕРЬТЕ ЛИНИИ ШИНЫ CAN НА КОРОТКОЕ ЗАМЫКАНИЕ (ПЕРЕДНЯЯ КАМЕРА РАСПОЗНАВАНИЯ ОБЪЕКТОВ)


    1. B0018PUE01
      Обозначения на рисунке
      *a

      Вид спереди разъема со стороны жгута проводов:

      (к передней камере распознавания объектов)

      Отсоедините разъем передней камеры распознавания объектов.

    2. Измерьте сопротивление в соответствии со значениями, приведенными в таблице ниже.

      Номинальное сопротивление
      Подключение диагностического прибора Условие Заданные условия
      R15-6 (CANH) - R15-12 (CANL) Провод отсоединен от отрицательного (-) вывода аккумуляторной батареи 108 - 132 Ом

    OK
    NG
  9. ПОДСОЕДИНИТЕ РАЗЪЕМ


    1. Подсоедините разъем R15 передней камеры распознавания объектов.


    ДАЛЕЕ
  10. ПРОВЕРЬТЕ ШИНЫ CAN НА КОРОТКОЕ ЗАМЫКАНИЕ (ДАТЧИК РАДАРА МИЛЛИМЕТРОВОГО ДИАПАЗОНА)


    1. B00186EE01
      Обозначения на рисунке
      *a

      Вид спереди разъема со стороны жгута проводов:

      (к датчику радара миллиметрового диапазона в сборе)

      Отсоедините разъем датчика радара миллиметрового диапазона в сборе.

    2. Измерьте сопротивление в соответствии со значениями, приведенными в таблице ниже.

      Номинальное сопротивление
      Подключение диагностического прибора Условие Заданные условия
      A67-5 (CA1P) - A67-6 (CA1N) Провод отсоединен от отрицательного (-) вывода аккумуляторной батареи 108 - 132 Ом

    OK
    NG
  11. ПОДСОЕДИНИТЕ РАЗЪЕМ


    1. Подсоедините разъем A67 датчика радара миллиметрового диапазона в сборе.


    ДАЛЕЕ
  12. ПРОВЕРЬТЕ ШИНЫ CAN НА КОРОТКОЕ ЗАМЫКАНИЕ (РАЗЪЕМ РАСПРЕДЕЛИТЕЛЬНОГО БЛОКА ШИНЫ CAN № 10)


    1. Отсоедините разъем распределительного блока шины CAN № 10.

      B00199VE01
      Обозначения на рисунке
      *a

      Вид спереди разъема со стороны жгута проводов:

      (к разъему распределительного блока шины CAN № 10)

      *b к ЭБУ левой фары в сборе
      *c к ЭБУ правой фары в сборе *d К датчику радара миллиметрового диапазона в сборе
      *e к передней камере распознавания объектов *f К ЭБУ помощи при движении
    2. Измерьте сопротивление в соответствии со значениями, приведенными в таблице ниже.

      Номинальное сопротивление
      Подключение диагностического прибора Условие Заданные условия Куда подсоединить
      E164-3 (CANH) - E164-13 (CANL) Провод отсоединен от отрицательного (-) вывода аккумуляторной батареи 108 - 132 Ом ЭБУ левой фары в сборе
      E164-4 (CANH) - E164-14 (CANL) Провод отсоединен от отрицательного (-) вывода аккумуляторной батареи 108 - 132 Ом ЭБУ правой фары в сборе
      E164-5 (CANH) - E164-15 (CANL) Провод отсоединен от отрицательного (-) вывода аккумуляторной батареи 108 - 132 Ом Датчик радара миллиметрового диапазона в сборе
      E164-6 (CANH) - E164-16 (CANL) Провод отсоединен от отрицательного (-) вывода аккумуляторной батареи 108 - 132 Ом Передняя камера распознавания объектов
      E164-7 (CANH) - E164-17 (CANL) Провод отсоединен от отрицательного (-) вывода аккумуляторной батареи 200 Ом или более ЭБУ помощи при движении в сборе
      Результат
      Результат Следующий шаг
      OK A
      NG (линия главной шины CAN датчика радара миллиметрового диапазона) B
      NG (главная шина CAN передней камеры распознавания объектов) C
      NG (вспомогательная шина CAN ЭБУ помощи при движении в сборе) D
      NG (вспомогательные шины CAN ЭБУ или датчика) E

    A
    B
    C
    E
    D
  13. ПОДСОЕДИНИТЕ РАЗЪЕМ


    1. Подсоедините разъем E164 распределительного блока шины CAN № 10.


    ДАЛЕЕ
  14. ПРОВЕРЬТЕ ШИНЫ CAN НА КОРОТКОЕ ЗАМЫКАНИЕ (ЭБУ ПОМОЩИ ПРИ ДВИЖЕНИИ)


    1. B00191WE01
      Обозначения на рисунке
      *a

      Вид спереди разъема со стороны жгута проводов:

      (к ЭБУ помощи при движении)

      Отсоедините разъем ЭБУ помощи при движении.

    2. Измерьте сопротивление в соответствии со значениями, приведенными в таблице ниже.

      Номинальное сопротивление
      Подключение диагностического прибора Условие Заданные условия
      E138-8 (CA1P) - E138-9 (CA1N) Провод отсоединен от отрицательного (-) вывода аккумуляторной батареи 54 - 69 Ом

    OK
    NG
  15. ПРОВЕРЬТЕ ШИНЫ CAN НА КОРОТКОЕ ЗАМЫКАНИЕ (ЭБУ, ДАТЧИК)


    1. B00188JE01
      Обозначения на рисунке
      *a

      Устройство с подсоединенным жгутом проводов

      (ЭБУ помощи при движении)

      Подсоедините разъем распределительного блока шины CAN.

    2. Отсоедините разъем, содержащий контакты CANH и CANL, от ЭБУ (или датчика), к которому подсоединена замкнутая накоротко вспомогательная шина.

    3. Измерьте сопротивление в соответствии со значениями, приведенными в таблице ниже.

      Номинальное сопротивление
      Подключение диагностического прибора Условие Заданные условия
      E138-8 (CA1P) - E138-9 (CA1N) Провод отсоединен от отрицательного (-) вывода аккумуляторной батареи 54 - 69 Ом

    OK
    NG
  16. ПРОВЕРЬТЕ ЛИНИИ ШИНЫ CAN НА КОРОТКОЕ ЗАМЫКАНИЕ (ПЕРЕДНЯЯ КАМЕРА РАСПОЗНАВАНИЯ ОБЪЕКТОВ)


    1. B001AGWE01
      Обозначения на рисунке
      *a

      Вид спереди разъема со стороны жгута проводов:

      (к передней камере распознавания объектов)

      *b Вид спереди разъема DLC3

      Отсоедините разъем передней камеры распознавания объектов.

    2. Измерьте сопротивление в соответствии со значениями, приведенными в таблице ниже.

      Номинальное сопротивление
      Подключение диагностического прибора Условие Заданные условия
      R15-6 (CANH) - E22-16 (BAT) Провод отсоединен от отрицательного (-) вывода аккумуляторной батареи 6 кОм или более
      R15-12 (CANL) - E22-16 (BAT) Провод отсоединен от отрицательного (-) вывода аккумуляторной батареи 6 кОм или более
      R15-6 (CANH) - E22-4 (CG) Провод отсоединен от отрицательного (-) вывода аккумуляторной батареи 200 Ом или более
      R15-12 (CANL) - E22-4 (CG) Провод отсоединен от отрицательного (-) вывода аккумуляторной батареи 200 Ом или более

    OK
    NG
  17. ПОДСОЕДИНИТЕ РАЗЪЕМ


    1. Подсоедините разъем R15 передней камеры распознавания объектов.


    ДАЛЕЕ
  18. ПРОВЕРЬТЕ ШИНЫ CAN НА КОРОТКОЕ ЗАМЫКАНИЕ (ДАТЧИК РАДАРА МИЛЛИМЕТРОВОГО ДИАПАЗОНА)


    1. B001A7TE01
      Обозначения на рисунке
      *a

      Вид спереди разъема со стороны жгута проводов:

      (к датчику радара миллиметрового диапазона в сборе)

      *b Вид спереди разъема DLC3

      Отсоедините разъем датчика радара миллиметрового диапазона в сборе.

    2. Измерьте сопротивление в соответствии со значениями, приведенными в таблице ниже.

      Номинальное сопротивление
      Подключение диагностического прибора Условие Заданные условия
      A67-5 (CA1P) - E22-16 (BAT) Провод отсоединен от отрицательного (-) вывода аккумуляторной батареи 6 кОм или более
      A67-6 (CA1N) - E22-16 (BAT) Провод отсоединен от отрицательного (-) вывода аккумуляторной батареи 6 кОм или более
      A67-5 (CA1P) - E22-4 (CG) Провод отсоединен от отрицательного (-) вывода аккумуляторной батареи 200 Ом или более
      A67-6 (CA1N) - E22-4 (CG) Провод отсоединен от отрицательного (-) вывода аккумуляторной батареи 200 Ом или более

    OK
    NG
  19. ПОДСОЕДИНИТЕ РАЗЪЕМ


    1. Подсоедините разъем A67 датчика радара миллиметрового диапазона в сборе.


    ДАЛЕЕ
  20. ПРОВЕРЬТЕ ШИНЫ CAN НА КОРОТКОЕ ЗАМЫКАНИЕ (РАЗЪЕМ РАСПРЕДЕЛИТЕЛЬНОГО БЛОКА ШИНЫ CAN № 10)


    1. Отсоедините разъем распределительного блока шины CAN № 10.

      B001A6QE01
      Обозначения на рисунке
      *a

      Вид спереди разъема со стороны жгута проводов:

      (к разъему распределительного блока шины CAN № 10)

      *b Вид спереди разъема DLC3
      *c к ЭБУ левой фары в сборе *d к ЭБУ правой фары в сборе
      *e К датчику радара миллиметрового диапазона в сборе *f к передней камере распознавания объектов
      *g К ЭБУ помощи при движении - -
    2. Измерьте сопротивление в соответствии со значениями, приведенными в таблице ниже.

      Номинальное сопротивление
      Подключение диагностического прибора Условие Заданные условия Куда подсоединить
      E164-3 (CANH) - E22-16 (BAT) Провод отсоединен от отрицательного (-) вывода аккумуляторной батареи 6 кОм или более ЭБУ левой фары в сборе
      E164-13 (CANL) - E22-16 (BAT) Провод отсоединен от отрицательного (-) вывода аккумуляторной батареи 6 кОм или более
      E164-3 (CANH) - E22-4 (CG) Провод отсоединен от отрицательного (-) вывода аккумуляторной батареи 200 Ом или более
      E164-13 (CANL) - E22-4 (CG) Провод отсоединен от отрицательного (-) вывода аккумуляторной батареи 200 Ом или более
      E164-4 (CANH) - E22-16 (BAT) Провод отсоединен от отрицательного (-) вывода аккумуляторной батареи 6 кОм или более ЭБУ правой фары в сборе
      E164-14 (CANL) - E22-16 (BAT) Провод отсоединен от отрицательного (-) вывода аккумуляторной батареи 6 кОм или более
      E164-4 (CANH) - E22-4 (CG) Провод отсоединен от отрицательного (-) вывода аккумуляторной батареи 200 Ом или более
      E164-14 (CANL) - E22-4 (CG) Провод отсоединен от отрицательного (-) вывода аккумуляторной батареи 200 Ом или более
      E164-5 (CANH) - E22-16 (BAT) Провод отсоединен от отрицательного (-) вывода аккумуляторной батареи 6 кОм или более Датчик радара миллиметрового диапазона в сборе
      E164-15 (CANL) - E22-16 (BAT) Провод отсоединен от отрицательного (-) вывода аккумуляторной батареи 6 кОм или более
      E164-5 (CANH) - E22-4 (CG) Провод отсоединен от отрицательного (-) вывода аккумуляторной батареи 200 Ом или более
      E164-15 (CANL) - E22-4 (CG) Провод отсоединен от отрицательного (-) вывода аккумуляторной батареи 200 Ом или более
      E164-6 (CANH) - E22-16 (BAT) Провод отсоединен от отрицательного (-) вывода аккумуляторной батареи 6 кОм или более Передняя камера распознавания объектов
      E164-16 (CANL) - E22-16 (BAT) Провод отсоединен от отрицательного (-) вывода аккумуляторной батареи 6 кОм или более
      E164-6 (CANH) - E22-4 (CG) Провод отсоединен от отрицательного (-) вывода аккумуляторной батареи 200 Ом или более
      E164-16 (CANL) - E22-4 (CG) Провод отсоединен от отрицательного (-) вывода аккумуляторной батареи 200 Ом или более
      E164-7 (CANH) - E22-16 (BAT) Провод отсоединен от отрицательного (-) вывода аккумуляторной батареи 6 кОм или более ЭБУ помощи при движении в сборе
      E164-17 (CANL) - E22-16 (BAT) Провод отсоединен от отрицательного (-) вывода аккумуляторной батареи 6 кОм или более
      E164-7 (CANH) - E22-4 (CG) Провод отсоединен от отрицательного (-) вывода аккумуляторной батареи 200 Ом или более
      E164-17 (CANL) - E22-4 (CG) Провод отсоединен от отрицательного (-) вывода аккумуляторной батареи 200 Ом или более
      Результат
      Результат Перейти к
      OK А
      NG (линия главной шины CAN датчика радара миллиметрового диапазона) B
      NG (главная шина CAN передней камеры распознавания объектов) C
      NG (вспомогательная шина CAN ЭБУ помощи при движении в сборе) D
      NG (вспомогательные шины CAN ЭБУ или датчика) E

    А
    B
    C
    E
    D
  21. ПОДСОЕДИНИТЕ РАЗЪЕМ


    1. Подсоедините разъем E164 распределительного блока шины CAN № 10.


    ДАЛЕЕ
  22. ПРОВЕРЬТЕ ШИНЫ CAN НА КОРОТКОЕ ЗАМЫКАНИЕ (ЭБУ ПОМОЩИ ПРИ ДВИЖЕНИИ)


    1. B0018OYE01
      Обозначения на рисунке
      *a

      Вид спереди разъема со стороны жгута проводов:

      (к ЭБУ помощи при движении)

      *b Вид спереди разъема DLC3

      Отсоедините разъем ЭБУ помощи при движении.

    2. Измерьте сопротивление в соответствии со значениями, приведенными в таблице ниже.

      Номинальное сопротивление
      Подключение диагностического прибора Условие Заданные условия
      E138-8 (CA1P) - E22-16 (BAT) Провод отсоединен от отрицательного (-) вывода аккумуляторной батареи 6 кОм или более
      E138-9 (CA1N) - E22-16 (BAT) Провод отсоединен от отрицательного (-) вывода аккумуляторной батареи 6 кОм или более
      E138-8 (CA1P) - E22-4 (CG) Провод отсоединен от отрицательного (-) вывода аккумуляторной батареи 200 Ом или более
      E138-9 (CA1N) - E22-4 (CG) Провод отсоединен от отрицательного (-) вывода аккумуляторной батареи 200 Ом или более

    OK
    NG
  23. ПРОВЕРЬТЕ ШИНЫ CAN НА КОРОТКОЕ ЗАМЫКАНИЕ (ЭБУ, ДАТЧИК)


    1. B00189HE01
      Обозначения на рисунке
      *a

      Устройство с подсоединенным жгутом проводов

      (ЭБУ помощи при движении)

      *B Вид спереди разъема DLC3

      Подсоедините разъем распределительного блока шины CAN.

    2. Отсоедините разъем, содержащий контакты CANH и CANL, от ЭБУ (или датчика), к которому подсоединена шина, коротко замкнутая на +В, GND.

    3. Измерьте сопротивление в соответствии со значениями, приведенными в таблице ниже.

      Номинальное сопротивление
      Подключение диагностического прибора Условие Заданные условия
      E138-8 (CA1P) - E22-16 (BAT) Провод отсоединен от отрицательного (-) вывода аккумуляторной батареи 6 кОм или более
      E138-9 (CA1N) - E22-16 (BAT) Провод отсоединен от отрицательного (-) вывода аккумуляторной батареи 6 кОм или более
      E138-8 (CA1P) - E22-4 (CG) Провод отсоединен от отрицательного (-) вывода аккумуляторной батареи 200 Ом или более
      E138-9 (CA1N) - E22-4 (CG) Провод отсоединен от отрицательного (-) вывода аккумуляторной батареи 200 Ом или более

    OK
    NG