СИСТЕМА РАЗДАТОЧНОЙ КОРОБКИ, Diagnostic DTC:P17AC

Код DTC Наименование DTC
P17AC Электродвигатель переключения раздаточной коробки, концевой выключатель, цепь

ОПИСАНИЕ

Когда привод переключения раздаточной коробки в сборе переключается между верхним (Н4) и нижним (L4) диапазонами, состояние контактов HL1, HL2 и HL3 меняются на одну из следующих комбинаций ON/OFF, приведенных в таблице ниже.

Контакт Режим
ВЕРХНИЙ (H4) Переключение НИЖНИЙ (L4)
HL1 ON (ВКЛ) ON (ВКЛ) ←→ OFF (ВЫКЛ) ←→ OFF (ВЫКЛ) OFF (ВЫКЛ)
HL2 OFF (ВЫКЛ) OFF (ВЫКЛ) OFF (ВЫКЛ) ON (ВКЛ) ON (ВКЛ)
HL3 OFF (ВЫКЛ) ON (ВКЛ) ON (ВКЛ) ON (ВКЛ) OFF (ВЫКЛ)

Неисправность обнаруживается в зависимости от комбинации 3 цепей, формирующих концевой переключатель верхнего/нижнего диапазонов раздаточной коробки.

№ DTC

Условие обнаружения DTC


  1. Условие диагностики

  2. Состояние неисправности

  3. Момент регистрации неисправности

  4. Прочее

Неисправный участок
P17AC
  1. При переключении между верхним и нижним диапазонами (электродвигатель переключения верхнего/нижнего диапазонов раздаточной коробки работает) при включении зажигания (IG) или непосредственно после включения зажигания (IG)

  2. Комбинации контактов HL1, HL2 и HL3 не соответствуют схеме

  3. 0,05 с или более (сразу после включения зажигания (IG), 1 с или более)

  4. Логика диагностирования за 1 поездку


  • Жгут проводов и разъем

  • ЭБУ полного привода

  • Привод переключения раздаточной коробки в сборе

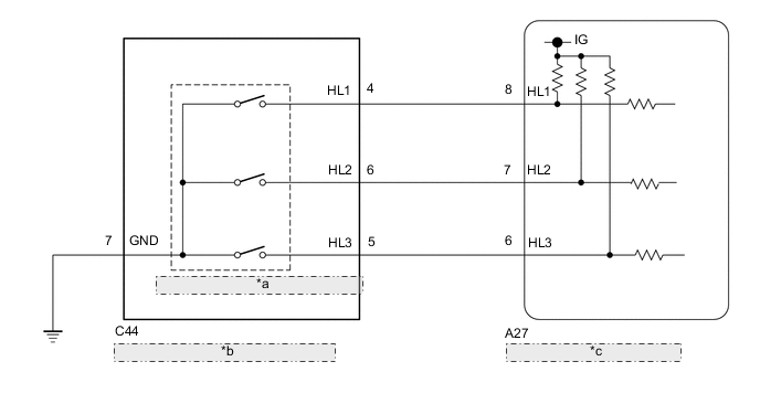
СХЕМА ЭЛЕКТРИЧЕСКИХ СОЕДИНЕНИЙ

A01WT5RE13
*a Концевой переключатель верхнего/нижнего диапазонов раздаточной коробки
*b Привод переключения раздаточной коробки в сборе
*c ЭБУ полного привода

ПОРЯДОК ВЫПОЛНЕНИЯ


  1. ПРОВЕРЬТЕ ЖГУТ ПРОВОДОВ И РАЗЪЕМ (ЭБУ ПОЛНОГО ПРИВОДА — ПРИВОД ПЕРЕКЛЮЧЕНИЯ РАЗДАТОЧНОЙ КОРОБКИ В СБОРЕ)


    1. Отсоедините разъем A27 ЭБУ полного привода.

    2. Отсоедините разъем C44 привода переключения раздаточной коробки в сборе.

    3. Измерьте сопротивление в соответствии со значениями, приведенными в таблице ниже.

      Номинальное сопротивление
      Подключение диагностического прибора Условие Заданные условия
      A27-8 (HL1) - C44-4 (HL1) Всегда Менее 1 Ом
      A27-7 (HL2) - C44-6 (HL2) Всегда Менее 1 Ом
      A27-6 (HL3) - C44-5 (HL3) Всегда Менее 1 Ом
      C44-7 (GND) - масса Всегда Менее 1 Ом
      A27-8 (HL1) или C44-4 (HL1) - масса Всегда 10 кОм или более
      A27-7 (HL2) или C44-6 (HL2) - масса Всегда 10 кОм или более
      A27-6 (HL3) или C44-5 (HL3) - масса Всегда 10 кОм или более

    NG
    OK
  2. ПРОВЕРЬТЕ ЭБУ ПОЛНОГО ПРИВОДА (ВЫХОДНОЕ НАПРЯЖЕНИЕ ЭБУ)

    A01WRG4E02
    Обозначения на рисунке
    *a

    Вид спереди разъема со стороны жгута проводов:

    (к приводу переключения раздаточной коробки в сборе)


    1. Отсоедините разъем C44 привода переключения раздаточной коробки в сборе.

    2. Измерьте напряжение в соответствии со значениями, приведенными в таблице.

      Номинальное напряжение
      Подключение диагностического прибора Положение переключателя Заданные условия
      C44-4 (HL1) - масса Выключатель зажигания в состоянии ON (ВКЛ) (IG) 10 - 14 В
      C44-6 (HL2) - масса Выключатель зажигания в состоянии ON (ВКЛ) (IG) 10 - 14 В
      C44-5 (HL3) - масса Выключатель зажигания в состоянии ON (ВКЛ) (IG) 10 - 14 В
      Результат
      Результат Перейти к
      OK А
      NG Для моделей с левосторонним рулевым управлением B
      Для моделей с правосторонним рулевым управлением C

    А
    B
    C