ГОЛОВКА БЛОКА ЦИЛИНДРОВ ЗАМЕНА

ПОРЯДОК ВЫПОЛНЕНИЯ


  1. ЗАМЕНИТЕ НАПРАВЛЯЮЩУЮ ВТУЛКУ ВПУСКНОГО КЛАПАНА

    Note

    Номинальное выступание (А) направляющей втулки клапана определяет тип (А или В) головки блока цилиндров. Измерьте стандартное выступание (А) перед извлечением направляющей втулки клапана.

    A01WTA0N01
    Номинальное выступание (А)
    Тип Заданные условия
    Головка блока цилиндров типа А 14,3 - 14,7 мм (0,563 - 0,579 дюйма)
    Головка блока цилиндров типа В 15,8 - 16,2 мм (0,622 - 0,638 дюйма)

    1. Нагрейте головку блока цилиндров до температуры порядка 80-100°C (176-212°F).

    2. Поместите головку блока цилиндров на деревянные бруски.

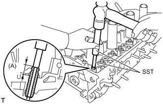
    3. A01WRF3E07

      С помощью SST и молотка выбейте направляющую втулку клапана.

      SST
      09201-10000   ( 09201-01050 )
      09950-70010   ( 09951-07100 )
    4. A01WVB6

      Нутромером измерьте диаметр гнезда направляющей втулки клапана в головке блока цилиндров.

      Номинальный диаметр отверстия втулки
      10,285-10,306 мм (0,405-0,406 дюйма)

      Если диаметр отверстия для втулки в головке блока цилиндров находится в диапазоне 10,285-10,306 мм (0,405-0,406 дюйма), перейдите к следующему шагу.

      Если диаметр отверстия для втулки в головке блока цилиндров превышает 10,356 мм (0,408 дюйма), замените головку блока цилиндров.

    5. Выберите новую направляющую втулку (STD или O/S 0,05) и измерьте ее диаметр.

    6. Расточите гнездо для втулки головки блока цилиндров в соответствии с диаметром выбранной направляющей втулки.

      Диаметр гнезда втулки
      Размер втулки Заданные условия
      Номинальный 10,333 - 10,344 мм (0,4068 - 0,4072 дюйма)
      Ремонтный 0,05 10,383 - 10,394 мм (0,4088 - 0,4092 дюйма)
      Номинальная длина втулки
      41,3 - 41,7 мм (1,63 - 1,64 дюйма)
    7. A01WUW7E15

      С помощью SST и молотка запрессуйте новую направляющую втулку, обеспечив номинальную высоту выступа (A).

      SST
      09201-10000   ( 09201-01050 )
      09950-70010   ( 09951-07100 )
      Номинальное выступание (А)
      Тип Заданные условия
      Головка блока цилиндров типа А 14,3 - 14,7 мм (0,563 - 0,579 дюйма)
      Головка блока цилиндров типа В 15,8 - 16,2 мм (0,622 - 0,638 дюйма)

      Note

      Устанавливайте направляющую втулку клапана после определения типа головки блока цилиндров (A или B).

    8. A01WTON

      С помощью острой развертки 5,5 мм разверните направляющую втулку до получения номинального масляного зазора между втулкой и штоком клапана.

      Номинальный масляный зазор
      0,025 – 0,060 мм (0,000984 – 0,00236 дюйма)
  2. ЗАМЕНИТЕ НАПРАВЛЯЮЩУЮ ВТУЛКУ ВЫПУСКНОГО КЛАПАНА

    Note

    Номинальное выступание (А) направляющей втулки клапана определяет тип (А или В) головки блока цилиндров. Измерьте стандартное выступание (А) перед извлечением направляющей втулки клапана.

    A01WTA0N01
    Номинальное выступание (А)
    Тип Номинальное значение
    Головка блока цилиндров типа А 14,3 - 14,7 мм (0,563 - 0,579 дюйма)
    Головка блока цилиндров типа В 15,8 - 16,2 мм (0,622 - 0,638 дюйма)

    1. Нагрейте головку блока цилиндров до температуры порядка 80-100°C (176-212°F).

    2. Поместите головку блока цилиндров на деревянные бруски.

    3. A01WPKHE08

      С помощью SST и молотка выбейте направляющую втулку клапана.

      SST
      09201-10000   ( 09201-01050 )
      09950-70010   ( 09951-07100 )
    4. A01WPAW

      С помощью индикатора часового типа для отверстий измерьте диаметр отверстия для втулки в головке блока цилиндров.

      Номинальный диаметр отверстия втулки
      10,285-10,306 мм (0,405-0,406 дюйма)

      Если диаметр отверстия для втулки в головке блока цилиндров находится в диапазоне 10,285-10,306 мм (0,405-0,406 дюйма), перейдите к следующему шагу.

      Если диаметр отверстия для втулки в головке блока цилиндров превышает 10,356 мм (0,408 дюйма), замените головку блока цилиндров.

    5. Выберите новую направляющую втулку (STD или O/S 0,05) и измерьте ее диаметр.

    6. Расточите гнездо для втулки головки блока цилиндров в соответствии с диаметром выбранной направляющей втулки.

      Диаметр гнезда втулки
      Размер втулки Номинальное значение
      Номинальный 10,333 - 10,344 мм (0,4068 - 0,4072 дюйма)
      Ремонтный 0,05 10,383 - 10,394 мм (0,4088 - 0,4092 дюйма)
      Номинальная длина втулки
      46,8 - 47,2 мм (1,84 - 1,86 дюйма)
    7. A01WQFZE15

      С помощью SST и молотка запрессуйте новую направляющую втулку, обеспечив номинальную высоту выступа.

      SST
      09201-10000   ( 09201-01050 )
      09950-70010   ( 09951-07100 )
      Номинальное выступание (А)
      Тип Номинальное значение
      Головка блока цилиндров типа А 14,3 - 14,7 мм (0,563 - 0,579 дюйма)
      Головка блока цилиндров типа В 15,8 - 16,2 мм (0,622 - 0,638 дюйма)

      Note

      Устанавливайте направляющую втулку клапана после определения типа головки блока цилиндров (A или B).

    8. A01WUWK

      С помощью острой развертки 5,5 мм разверните направляющую втулку до получения номинального масляного зазора между втулкой и штоком клапана.

      Номинальный масляный зазор
      0,030 – 0,065 мм (0,00118 – 0,00256 дюйма)
  3. ЗАМЕНИТЕ ТРУБКУ СВЕЧНОГО КОЛОДЦА

    A01WUU3E13
    *1 Фиксатор
    *2 15 мм

    Tech Tips

    Если устанавливается новая головка блока цилиндров, трубки свечных колодцев должны быть заменены.


    1. Снимите трубку свечного колодца.

    2. Нанесите герметик на конец новой трубки свечного колодца.

      Фиксатор
      Фирменный герметик 1324 от компании Toyota, Three Bond 1324 или аналогичный.
      Номинальный диаметр уплотнения
      15 мм (0,591 дюйма)

      Note


      • Установите свечной колодец в течение трех минут после нанесения фиксатора.

      • Следует действовать осторожно, чтобы не повредить трубку свечного колодца.

      • В течение 1 часа после установки не допускайте попадания на уплотнение охлаждающей жидкости.

    3. A01WRJDE01
      *1 Верхняя поверхность головки блока цилиндров:
      *2 75,1 - 76,1 мм

      С помощью деревянного бруска и молотка вбейте трубку свечного колодца до достижения заданной высоты выступания.

      Номинальная высота выступания
      75,1-76,1 мм (2,96-3,00 дюйма)

      Note

      Чтобы не запрессовать трубку свечного колодца слишком глубоко, во время посадки измеряйте высоту выступания.

  4. ЗАМЕНИТЕ СОЕДИНИТЕЛЬНОЕ КОЛЬЦО

    Note

    Снимать соединительные кольца нужно только для их замены.


    1. Снимите соединительные кольца.

    2. Используя молоток с пластмассовым покрытием, вбейте новые соединительные кольца в головку блока цилиндров.

      Номинальная высота выступания
      Параметр / Устройство Заданные условия
      Соединительное кольцо A 5,5-6,5 мм (0,217-0,256 дюйма)
      Соединительное кольцо B 3,5-6,5 мм (0,138-0,256 дюйма)
      A01WWQXE13
      *1 5,5 - 6,5 мм
      *2 3,5 - 6,5 мм