ДВИГАТЕЛЬ ПРОВЕРКА БЕЗ СНЯТИЯ С АВТОМОБИЛЯ

ПОРЯДОК ВЫПОЛНЕНИЯ


  1. ПРОВЕРЬТЕ УГОЛ ОПЕРЕЖЕНИЯ ЗАЖИГАНИЯ


    1. Прогрейте и выключите двигатель.


      1. Подождите, пока двигатель прогреется до нормальной рабочей температуры.

    2. Снимите левую боковую крышку моторного отсека.

    3. Снимите правую боковую крышку моторного отсека.

    4. Снимите верхнее уплотнение кронштейна радиатора.

    5. Снимите декоративную крышку V-образного двигателя.

    6. Если используется портативный диагностический прибор:


      1. Подсоедините портативный диагностический прибор к DLC3.

      2. Запустите двигатель и оставьте его работать на холостом ходу.

      3. Включите портативный диагностический прибор.

      4. Войдите в следующие меню: Powertrain / Engine and ECT / Data List / Primary / IGN Advance.

        Tech Tips

        Более подробная информация приведена в руководстве по эксплуатации портативного диагностического прибора.

        Номинальный угол опережения зажигания
        8-12° до верхней мертвой точки на холостом ходу (трансмиссия в нейтральном положении, система кондиционирования выключена)
      5. Отсоедините портативный диагностический прибор от разъема DLC3.

    7. A01WVZS

      Если портативный диагностический прибор не используется:


      1. Подсоедините щуп стробоскопа к проводу разъема катушки зажигания, идущему к цилиндру № 1.

        Note

        Используйте стробоскоп, который определяет первые сигналы.

      2. A01WWFBE06
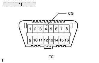
        *1 Вид спереди разъема DLC3:

        С помощью SST соедините контакты 13 (TC) и 4 (CG) на DLC3.

        SST
        09843-18040

        Note


        • Проверьте номера контактов перед их соединением. Подключение к ненадлежащим контактам может привести к поломке двигателя.

        • Прежде чем соединять контакты, выключите все вспомогательное оборудование и систему кондиционирования.

      3. A01WWG9

        С помощью стробоскопа проверьте угол опережения зажигания.

        Номинальный угол опережения зажигания
        8-12° до верхней мертвой точки на холостом ходу (трансмиссия в нейтральном положении, система кондиционирования выключена)
      4. Отсоедините SST от DLC3.

      5. Проверьте установку угла опережения зажигания.

        Номинальный угол опережения зажигания
        7-24° до верхней мертвой точки на холостом ходу (трансмиссия в нейтральном положении, система кондиционирования выключена)
      6. Отсоедините стробоскоп от двигателя.

    8. Установите декоративную крышку V-образного двигателя.

    9. Установите верхнее уплотнение кронштейна радиатора.

    10. Установите правую боковую крышку моторного отсека.

    11. Установите левую боковую крышку моторного отсека.

  2. ПРОВЕРЬТЕ ЧАСТОТУ ВРАЩЕНИЯ КОЛЕНЧАТОГО ВАЛА ДВИГАТЕЛЯ НА ХОЛОСТОМ ХОДУ


    1. Прогрейте и выключите двигатель.


      1. Подождите, пока двигатель прогреется до нормальной рабочей температуры.

    2. Если используется портативный диагностический прибор:


      1. Подсоедините портативный диагностический прибор к DLC3.

        Note

        Прежде чем подключать портативный диагностический прибор, выключите все дополнительное оборудование и систему кондиционирования.

      2. Дайте двигателю поработать с частотой вращения коленчатого вала 2500 об/мин в течение примерно 90 с.

      3. Включите портативный диагностический прибор.

      4. Войдите в следующие меню: Powertrain / Engine and ECT / Data List / Primary / Engine Speed.

        Номинальная частота вращения холостого хода
        650–750 об/мин (трансмиссия в нейтральном положении, система кондиционирования выключена)

        Tech Tips

        Более подробная информация приведена в руководстве по эксплуатации портативного диагностического прибора.

        Если частота вращения коленчатого вала на холостом ходу не соответствует указанному, проверьте воздухозаборную систему.

      5. Отсоедините портативный диагностический прибор от DLC3.

    3. A01WWFBE07
      *1 Вид спереди разъема DLC3:

      Если портативный диагностический прибор не используется:


      1. С помощью SST подключите щуп тахометра к контакту 9 (TAC) на DLC3.

        SST
        09843-18030

        Note


        • Проверьте номера контактов перед подсоединением щупов. Подключение щупов к ненадлежащим контактам может привести к повреждению двигателя.

        • Прежде чем подключать щуп, выключите все вспомогательное оборудование и систему кондиционирования.

      2. Дайте двигателю поработать с частотой вращения коленчатого вала 2500 об/мин в течение примерно 90 с.

      3. Проверьте частоту вращения на холостом ходу.

        Номинальная частота вращения холостого хода
        650–750 об/мин (трансмиссия в нейтральном положении, система кондиционирования выключена)

        Если частота вращения коленчатого вала на холостом ходу не соответствует указанному, проверьте воздухозаборную систему.

      4. Отсоедините щуп тахометра от DLC3.

  3. ПРОВЕРЬТЕ КОМПРЕССИЮ


    1. Прогрейте и выключите двигатель.


      1. Подождите, пока двигатель прогреется до нормальной рабочей температуры.

    2. Снимите левую боковую крышку моторного отсека.

    3. Снимите правую боковую крышку моторного отсека.

    4. Снимите декоративную крышку V-образного двигателя.

    5. Снимите шланг воздушного фильтра в сборе (см. стр. Click here).

    6. Снимите воздушный фильтр в сборе (см. стр. Click here).

    7. Отсоедините перепускной патрубок охлаждающей жидкости в сборе (см. стр. Click here).

    8. A01WUI8

      Отсоедините 2 разъема форсунок и 8 разъемов катушек зажигания.

    9. Выверните 8 болтов и снимите 8 катушек зажигания (см. стр. Click here).

    10. Снимите 8 свечей зажигания (см. стр. Click here).

    11. A01WQWL

      Проверьте давление сжатия в цилиндре.

      Note

      Аналогичным образом проверьте давления сжатия в каждом цилиндре.


      1. Установите в отверстие для свечи зажигания датчик компрессии.

      2. Полностью откройте дроссельную заслонку.

      3. С помощью стартера прокрутите двигатель и измерьте давление компрессии.

        Номинальное давление компрессии
        1300 кПа (13,3 кгс/см2, 189 фунт на кв. дюйм) или более
        Минимальное давление
        1000 кПа (10,2 кгс/см2, 145 фунта на кв. дюйм)
        Разность давлений между цилиндрами
        Не более 100 кПа (1,0 кгс/см2, 15 фунта на кв. дюйм)

        Note


        • Чтобы частота вращения коленчатого вала двигателя составляла, по крайней мере, 250 об/мин, аккумуляторная батарея должна быть полностью заряжена.

        • Это измерение следует производить как можно быстрее.

      4. Если давление компрессии в одном или нескольких цилиндрах низкое, залейте в цилиндр с низким давлением компрессии через отверстие для свечи зажигания несколько капель моторного масла. Затем снова проверьте давление компрессии в цилиндре.

        Tech Tips


        • Если при добавлении масла компрессия увеличивается, скорее всего, изношены или повреждены поршневые кольца и/или ствол цилиндра.

        • Если давление остается низким, причиной может быть заедание или неправильное расположение клапана, либо утечка через прокладку.

    12. Установите 8 свечей зажигания (см. стр. Click here).

    13. Установите 8 катушек зажигания и закрепите их 8 болтами (см. стр. Click here).

    14. A01WUI8

      Подсоедините 2 разъема форсунок и 8 разъемов катушек зажигания.

    15. Подсоедините перепускной патрубок охлаждающей жидкости в сборе (см. стр. Click here).

    16. Установите воздушный фильтр в сборе (см. стр. Click here).

    17. Установите шланг воздушного фильтра в сборе (см. стр. Click here).

    18. Установите декоративную крышку V-образного двигателя.

    19. Установите правую боковую крышку моторного отсека.

    20. Установите левую боковую крышку моторного отсека.

  4. ПРОВЕРЬТЕ СОДЕРЖАНИЕ CO/CH

    Tech Tips

    Цель данной проверки – определить, соответствуют ли выхлопы CO/CH при работе на холостом ходу установленным нормам.


    1. Запустите двигатель.

    2. В течение 180 секунд поддерживайте частоту вращения коленчатого вала двигателя 2500 об/мин.

    3. A01WQ0I

      В режиме холостого хода двигателя вставьте пробник газоанализатора для определения содержания CO/CH в выхлопную трубу не менее чем на 40 см (1,31 фута).

    4. Сразу после этого проверьте концентрацию CO/CH на холостых холостом ходу и/или при частоте вращения коленчатого вала 2500 об/мин.

      Tech Tips

      При проверке в двух режимах (холостой ход и 2500 об/мин) порядок выполнения измерений определяется применимыми местными нормативными документами.

    5. Если концентрация CO/CH не соответствует местным нормам, выполните поиск и устранение причин данного несоответствия в порядке, указанном ниже.


      1. Проверьте работу датчика A/F (см. стр. ) и подогреваемого кислородного датчика (см. стр. Click here).

      2. В таблице ниже перечислены возможные неисправности. Проведите проверку и при необходимости устраните причины неисправности.

        CO CH Признак Причина
        Нормальное состояние Высокая Неравномерный холостой ход
        1. Неисправности в системе зажигания:


          • Неправильно отрегулирован угол опережения зажигания

          • Свечи (загрязнены, закорочены или имеют ненадлежащие зазоры)

        2. Неправильный зазор в приводе клапанов

        3. Негерметичность впускных и выпускных клапанов

        4. Утечка из цилиндров

        Низкая Высокая

        Неравномерный холостой ход

        (Колебания значения СH)


        1. Негерметичность вакуумной системы:


          • Шланг системы принудительной вентиляции картера

          • Впускной коллектор

          • Корпус дроссельной заслонки

        2. Пропуски зажигания вследствие чрезмерного обеднения смеси

        Высокая Высокая

        Неравномерный холостой ход

        (Из выпускной трубы идет черный дым)


        1. Засорен воздушный фильтр

        2. Неисправна система SFI:


          • Неисправен регулятор давления

          • Неисправен датчик ECT

          • Неисправен ECM

          • Неисправность форсунок

          • Неисправен датчик положения дроссельной заслонки

          • Неисправен датчик MAF