СИСТЕМА ОБРАБОТКИ И ПЕРЕДАЧИ ИНФОРМАЦИИ (для моделей с приемопередатчиком системы обработки и передачи информации кроме моделей с системой G-BOOK), Diagnostic DTC:B1571

Код DTC Наименование DTC
B1571 Ошибка зеленого светодиода

ОПИСАНИЕ

Этот код DTC регистрируется, когда приемопередатчик системы обработки и передачи информации обнаруживает обрыв или короткое замыкание в цепи индикатора ручного выключателя (SOS) (зеленого цвета).

После включения питания (IG) индикатор ручного переключателя (SOS) (зеленого цвета) горит.

Если система обработки и передачи информации не активна, индикатор ручного выключателя (SOS) (зеленого цвета) гаснет.

Если система обработки и передачи информации активна, индикатор ручного выключателя (SOS) (зеленого цвета) мигает во время сеанса связи с центром обработки вызовов.

№ DTC Неисправность Условие обнаружения DTC Неисправный участок
B1571 Ошибка зеленого светодиода Ток для индикатора (зеленого) ручного переключателя (SOS) превышает порог неисправности в течение 20 с при включенном питании (IG).
  • Приемопередатчик системы обработки и передачи информации

  • Лампа индивидуального освещения в сборе (ручной выключатель (SOS))

  • Жгут или разъем

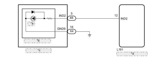
СХЕМА СОЕДИНЕНИЙ

A000Z33E08
*a ЗЕЛЕНЫЙ
*b Ручной выключатель (SOS)
*c Лампа индивидуального освещения в сборе
*d Приемопередатчик системы обработки и передачи информации

ПРЕДОСТЕРЕЖЕНИЕ / ПРИМЕЧАНИЕ / УКАЗАНИЕ

Note

В зависимости от замененных деталей или операций, которые были выполнены при проверке или обслуживании автомобиля, может потребоваться инициализация, регистрация или калибровка. См. раздел "Регистрация для системы обработки и передачи информации".

Нажмите здесь Click here

ПОРЯДОК ВЫПОЛНЕНИЯ


  1. ПРОВЕРЬТЕ DTC


    1. Выключите питание.

    2. Подключите GTS к DLC3.

    3. Включите питание (IG) и подождите 20 с.

    4. Включите GTS.

    5. Проверьте коды DTC и убедитесь, что они не выводятся.

      Нажмите здесь Click here

      OK
      Коды DTC не выводятся.
      Результат
      Следующий шаг
      OK
      NG

    OK
    NG
  2. ПРОВЕРЬТЕ ЛАМПУ ИНДИВИДУАЛЬНОГО ОСВЕЩЕНИЯ В СБОРЕ (РУЧНОЙ ВЫКЛЮЧАТЕЛЬ (SOS)) (ЗЕЛЕНЫЙ ИНДИКАТОР)


    1. A000ULBC08
      *a

      Устройство с неподсоединенным жгутом проводов

      (Лампа индивидуального освещения в сборе (ручной выключатель (SOS)))

      Снимите лампу индивидуального освещения в сборе (ручной выключатель (SOS)).

      Нажмите здесь Click here

    2. Соедините последовательно 2 сухих батареи (1,5 В каждая).

    3. Подсоедините положительный (+) вывод аккумуляторных батарей к контакту 5 (B) (IND2), а отрицательный (-) вывод - к контакту 16 (A) (GND9) разъема лампы индивидуального освещения (ручного выключателя (SOS)).

    4. Проверьте, загорается ли индикатор ручного выключателя (SOS) (зеленого цвета).

      OK
      Индикатор ручного выключателя (SOS) (зеленого цвета) горит.
      Результат
      Перейти к
      OK
      NG

    NG
    OK
  3. ПРОВЕРЬТЕ ЖГУТ ПРОВОДОВ И РАЗЪЕМ (ЛАМПА ИНДИВИДУАЛЬНОГО ОСВЕЩЕНИЯ (РУЧНОЙ ВЫКЛЮЧАТЕЛЬ (SOS)) - ПРИЕМОПЕРЕДАТЧИК СИСТЕМЫ ОБРАБОТКИ И ПЕРЕДАЧИ ИНФОРМАЦИИ И МАССА)


    1. Отсоедините разъемы X4 и X6 лампы индивидуального освещения (ручного выключателя (SOS)).

    2. Отсоедините разъем L191 приемопередатчика системы обработки и передачи информации.

    3. Измерьте сопротивление в соответствии со значениями, приведенными в таблице ниже.

      Номинальное сопротивление
      Подключение диагностического прибора Условие Заданные условия
      L191-12 (IND2) - X6-5 (IND2) Всегда Менее 1 Ом
      L191-12 (IND2) или X6-5 (IND2) - масса Всегда 10 кОм или более
      X4-16 (GND9) - масса Всегда Менее 1 Ом
      Результат
      Следующий шаг
      OK
      NG

    NG
    OK
  4. ЗАМЕНИТЕ ПРИЕМОПЕРЕДАТЧИК СИСТЕМЫ ОБРАБОТКИ И ПЕРЕДАЧИ ИНФОРМАЦИИ


    1. Замените приемопередатчик системы обработки и передачи информации новым.

      Нажмите здесь Click here

      Результат
      Следующий шаг
      ДАЛЕЕ

    ДАЛЕЕ